EasyManua.ls Logo

Sony CDP-XE530 - Page 17

Sony CDP-XE530
34 pages
Print Icon
To Next Page IconTo Next Page
To Next Page IconTo Next Page
To Previous Page IconTo Previous Page
To Previous Page IconTo Previous Page
Loading...
http://cxema.ru
CDP-XE530
— 21 — — 22 —
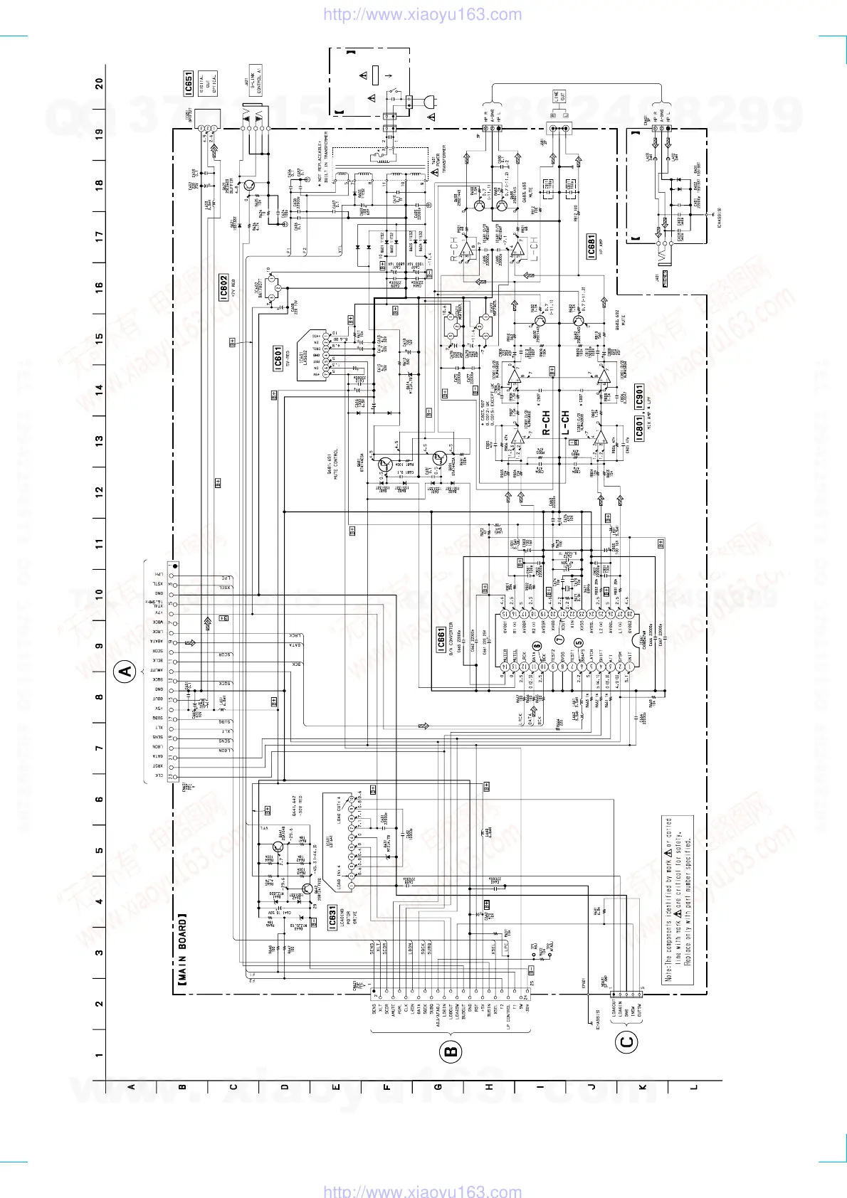
6-7. SCHEMATIC DIAGRAM – MAIN SECTION – • See page 33 for IC Block Diagrams.
(Page 17)
(Page 26)
(Page 14)
C619
1000µ
16v
D615
1SS133
D616
1SS133
D614 11ES2
UK MODEL
UK
MODEL
D613 11ES2
HEADPHONE BOARD
CN681
C620
4700pF
C621
4700p
S621
POWER
CN602
2P
CN601 2P
CN603 2P
OFF
ON
~AC IN
POWER SW
BOARD
16
w
w
w
.
x
i
a
o
y
u
1
6
3
.
c
o
m
Q
Q
3
7
6
3
1
5
1
5
0
9
9
2
8
9
4
2
9
8
T
E
L
1
3
9
4
2
2
9
6
5
1
3
9
9
2
8
9
4
2
9
8
0
5
1
5
1
3
6
7
3
Q
Q
TEL 13942296513 QQ 376315150 892498299
TEL 13942296513 QQ 376315150 892498299
http://www.xiaoyu163.com
http://www.xiaoyu163.com

Related product manuals