EasyManua.ls Logo

Sony CDX-51 - Page 10

Sony CDX-51
68 pages
Print Icon
To Next Page IconTo Next Page
To Next Page IconTo Next Page
To Previous Page IconTo Previous Page
To Previous Page IconTo Previous Page
Loading...
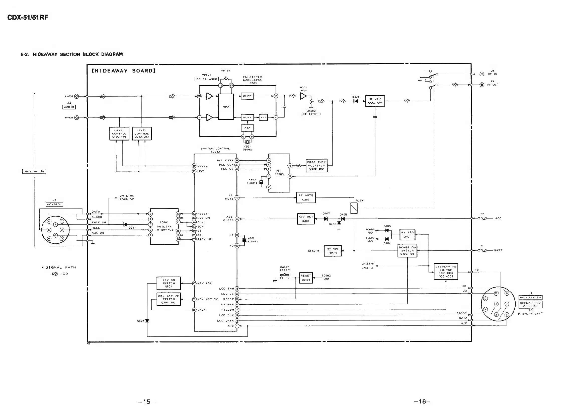
CDX-51/51RF
5-2.
HIDEAWAY
SECTION
BLOCK
DIAGRAM
{HIDEAWAY
BOARD)
RF
ov
oO
a
vrso1
Re
IN
FM
STEREO
DEUBALANCE:
MODULATOR
>
1
Lo
py
1302,
re
1
cn
&
2
\
\
v2
:
AUOTO
i
(ae
LEVEL)
\
R-CH
>
1
\
1
'
LEVEL
LeveL
CONTROL, CONTROL,
'
102,
103
0202,
203
1
1
SYSTEM
CONTROL
'
PLL
DATA
\
FREQUENCY
'
MULTIPLY
1
‘0308,
509
i
UNTLINK
IN
\
'
'
\
\
\
UNTLINK
|
os
[ack
UP
“alge
CONTROL
N
DATA
2
ce
DET
aoe
ve
cLoce
rR
>
“ea
BACK
UP
404
+4
ic
or
406
UNILINK
K
RESET
2601
ESE
INTERFACE
=
Iceo1
a
yoo
Svs
so
x1
@
x601
e602
Back
uP
=
5:
c)
co
=
x2
av
IRES.
POWER
ON
RESV
=
4
SwiTcH
eaTT
(e501
0402.
403
UNIL
ini
*
SIGNAL
PATH
sWe02
Si
a=
—$<——|
DISPLAY
+8.
RESET
SWITCH
2D
yov
REG
<p.
aS
RESET
(602
oy
ae
>
yop
KEY
ON
(e401
SwitcH
‘601
1
=
——
ws
ONTLINK
IN
a
®@
COMMANDER
|
DISPLAY
To
©/
oiseeav
unit
eos
=
08
io

Related product manuals