EasyManua.ls Logo

Sony CDX-51 - Page 51

Sony CDX-51
68 pages
Print Icon
To Next Page IconTo Next Page
To Next Page IconTo Next Page
To Previous Page IconTo Previous Page
To Previous Page IconTo Previous Page
Loading...
e
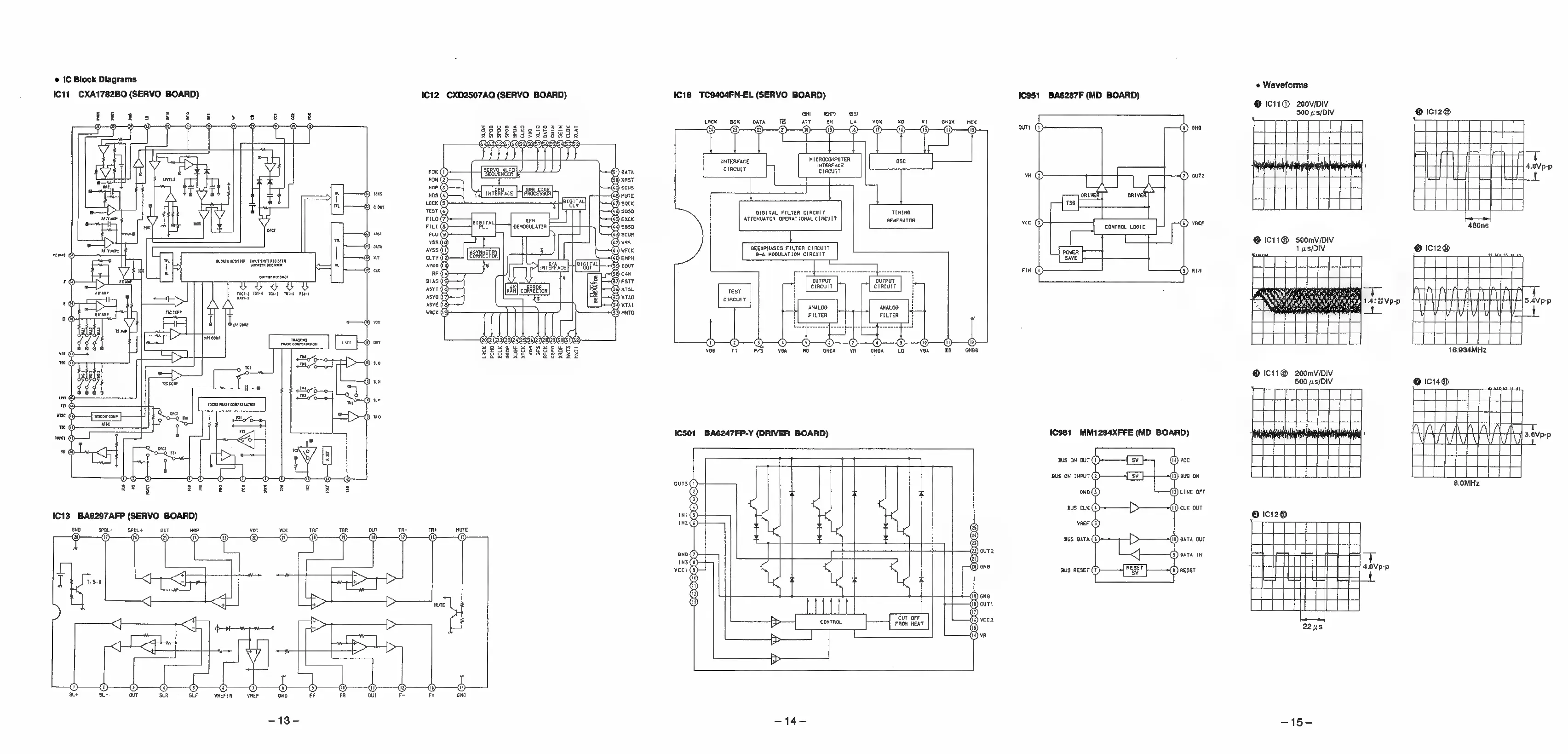
IC
Block
Diagrams
IC11_
CXA1782BQ
(SERVO
BOARD)
Qo
he
ect
cat
+t:
1c12
CXD2507AQ
(SERVO
BOARD)
XLON
sPoo
()
sPOC
(S)
SPOA
cuKo.
)
vod
@
xL10
gauas
2S
PACES
eae
EFM
SEHOBULATOR
nrbAtace
6
aK
|cofAEC
on
rox
Le
ron
}
oP
u
t
Lem
Z
vLintilice
aa
x
ose
rest
mua
gyre
ba,
rit
ay
Le
reo
HN)
DATA
cae
(ieee
wes)
|
Reet
ne
cence
SET
ae
:
es
woo
5
a
ae
RF
See
sk
ads
ey
mas
an
JH
rare
ecour
a
‘wack
(19)
FF
|
|
a
[bareow
—o
we
mn
oo
ee
SIO
=
ae
edge
meee
&
ne
—S
ree
eel)
Bore
38a
sur
[FOCUS
PHASE
COMPENSATION
am:
00H
COMP
1
>
mo
i.
=
cy
ve
=
*
LH
|
7
|g
sees
|
ee
§
Bo
eS
rigy Fey.
ue
oe
a
og
8
IC13_
BA6297AFP
(SERVO
BOARD)
a
er
ee
ee
wee
emo
ae
»—@
—@
—@—_©—_@—_®—_©
_@—_0—__9—_9—_6—
a
,
ae
1.5.0
ree
:
ren
ra
ea
f
we
fae
pole]
=
a
A
ih
i
<TC
Sh
a
i,
A
xeck
()
voo
ors
neck
@)
cz
xaor
(3)
wats
@
MAT!
)
ATA
0)
xAST
‘SENS
MUTE
sack
saso
exck
scor
vss
WK
EMPH
sour
can
FStT
xTSl
xTAQ
4)
xTAL
NTO
oefERG¥on||
=
IC16
TC9404FN-EL
(SERVO
BOARD)
oo
eH
as
LRcK
—-BeKOATA,
RE
ATT.
«SH
LAX
XOX
GNBX
CK
D—O—O—O—-O—9
O_O)
9—_O—-G
+
|
MICROCOMPUTER
INTERFACE
caacaMPuT
ose
clacutT
CIRCUIT
i
[
l
OIGITAL
FILTER
CIRCUIT
TIMING
ATTENUATOR
OPERATIONAL
C1ACULT
GENERATOR
‘SEENPHASIS
FILTER
CIRCUIT
‘D-8
MOOULAT
ION
CIRCUIT
i
Poorer
om]
|
is
CIRCUIT
CIRCUIT
1
Test
H
rl
H
circuit
i i
if
anavos
ances
|
TT
Ficrer
Ficrer
[7
1
2
o
DO
vou
6T))|
PS
WA
von
23
GNOD
IC501
BA6247FP-Y
(DRIVER
BOARD)
+
ours
(1
y
|
x
x
1m
12
@
le
i
wg
|
13
Ce
vec
(3)
8
*
lc
+ x
i
LT
cur OFF
-14-
1C951
BA6287F
(MD
BOARD)
out
vH
vee
FIN
1}
j
I
0
art
veRy
138
Z
oRiveR
)4+___J
CONTROL
Logic
POWER
SAVE
IC981
MM1284XFFE
(MD
BOARD)
BUS
ON
OUT
BUS
ON
INPUT
ono
BUS
CLK
vaEF
BUS
DATA
BUS
RESET
No
out
vREF
Waveforms
@
IC11@
200V/DiIV
500
us/DIV
@
Ic12@
Fl
aman
z
i
R
HEH
t
bo
—§»|
480ns
@
Ic11@
500mv/dIv
1us/DIV
@
IC12@
ans
j
nered
rare
©
Ic11@
200mv/dIv
500
zs/DIV
@
Ic14@
8.0MHz
@
Ic12@
HES
Cy
22us
-15-

Related product manuals