EasyManua.ls Logo

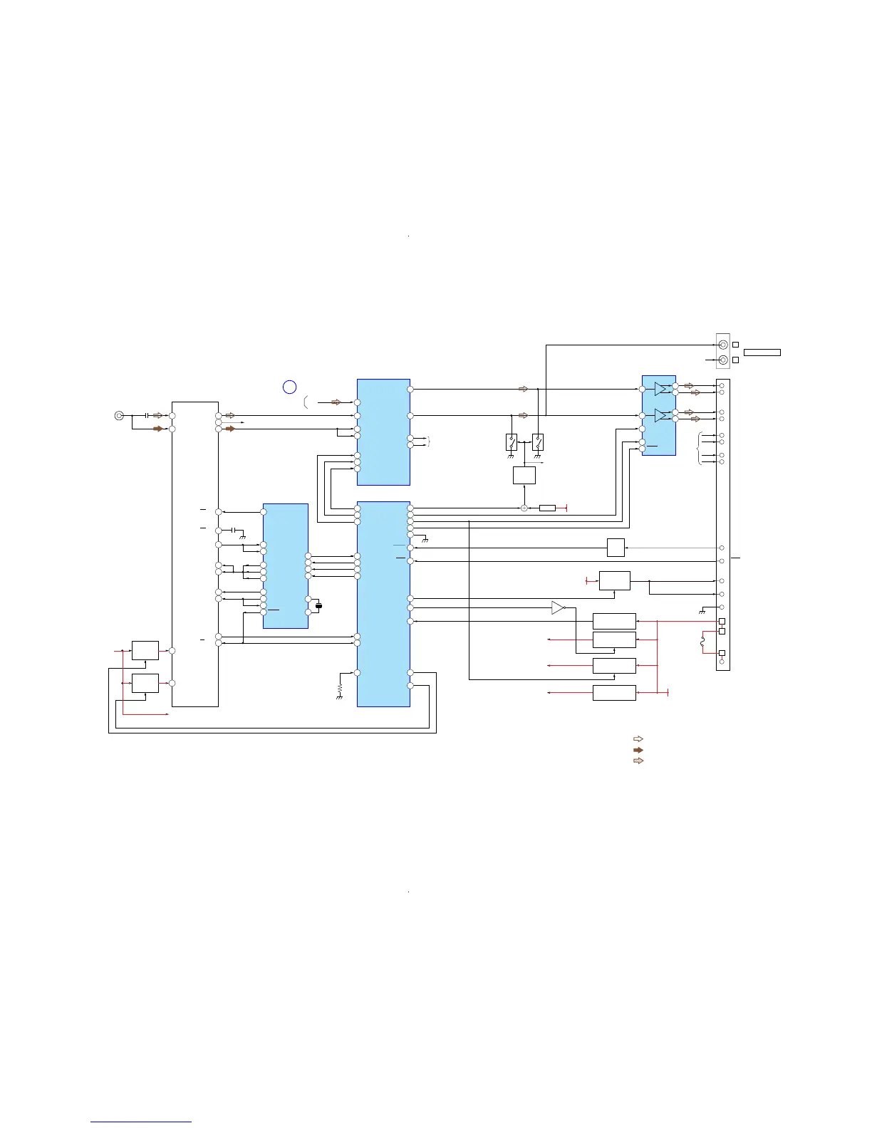
Sony CDX-L280 - Block Diagram -Tuner Section

Sony CDX-L280
40 pages
Print Icon
To Next Page IconTo Next Page
To Next Page IconTo Next Page
To Previous Page IconTo Previous Page
To Previous Page IconTo Previous Page
Loading...
1616
CDX-L280
CNJ601
(ANTENNA)
2 16
1
FM_ANT L-CH
17
R-CH
CDL
24
DET_OUT
11
FM/AM_OSC
14
AM_VT
6
FM_VT
20
IF_CONT
19
OSC-IN
21
12
9
S_METER
TU+B
22
SD/ST_IND
FM_VCC
AM_VCC
PLL VCC
AM_ANT
TUNER UNIT
TU601
11
12
13
2
1
36
17
21
18
14
5
SYSTEM CONTROL
IC801 (2/3)
PLL
IC601
ELECTRONIC VOLUME
IC401
LF OUT
4
33
34
LR OUT
RF OUT
R-CH
RR OUT
8
BEEP
ATT
53
7
P.ON
6
A_ATT
31
TEL ATT
59
ACC IN
L5
L1
L2
R2
CE
DI
CL
VOL_CLK
VOL_DO
VOL_CE
17
22
21
PLL_DI
PLL_DO
PLL_CLK
23
PLL_CE
LCL
DST_SEL
S_METER
FM POWER
CONTROL
Q605,606
SD_IND
AUDIO OUT REAR
CD
SECTION
A
MUTE
CONT
Q401,402
Q102
MUTE
R-CH
DELAY BATT
BATT
Q909
BATT
D402
Q101
MUTE
22
MUTE
4
STBY
16
AUX-IN
11
12
5
3
9
7
POWER AMP
IC101
1
9
2
10
CNP501
R-CH
PJ401
FL+
FL-
RL+
RL-
4
12
FR+
FR-
3
11
RR+
RR-
16
+B (BATT)
5
AMP REM
6
8
19
ANT REM
GND
R-CH
F901
10A
7
ACC
15
TEST
33
TEST
AMP_ON
ACC
CHECK
Q902
32
26
28
17
18
L
R
• Signal path
:FM
:AM
:CD
ANT REMOTE
CONTROL
Q911,917
BACK-UP CHECK
Q903,904,D906,907
TUNER+8V REG
Q912,913,D913
COM+8V REG
Q918,919,929,D923
U_COM+5 V REG
Q920,D930,D999
U_COM+5V
COM+8V
TU+B
R-CH
8
FM_VCO
15
AM_VCO
16
FM_CP
18
VT
19
AM_CP
20
OSC
2
SEEK
XO
XI
10
IFC
13
MONO
11 24
1
CE
3
CK
5
D_IN
4
D_OUT
6
X601
10.25MHz
4
3
AM_DX/LCL
FM_DX/LCL
52
TU_ON
46
BU_IN
15
FM_ON
14
AM_ON
49
AM POWER
CONTROL
Q603,604
• R-ch is omitted due to same as L-ch.
3-3. BLOCK DIAGRAM — TUNER SECTION —
(Page 15)

Other manuals for Sony CDX-L280

Related product manuals