EasyManua.ls Logo

Sony CFD-K10 - Control Board

Sony CFD-K10
108 pages
Print Icon
To Next Page IconTo Next Page
To Next Page IconTo Next Page
To Previous Page IconTo Previous Page
To Previous Page IconTo Previous Page
Loading...
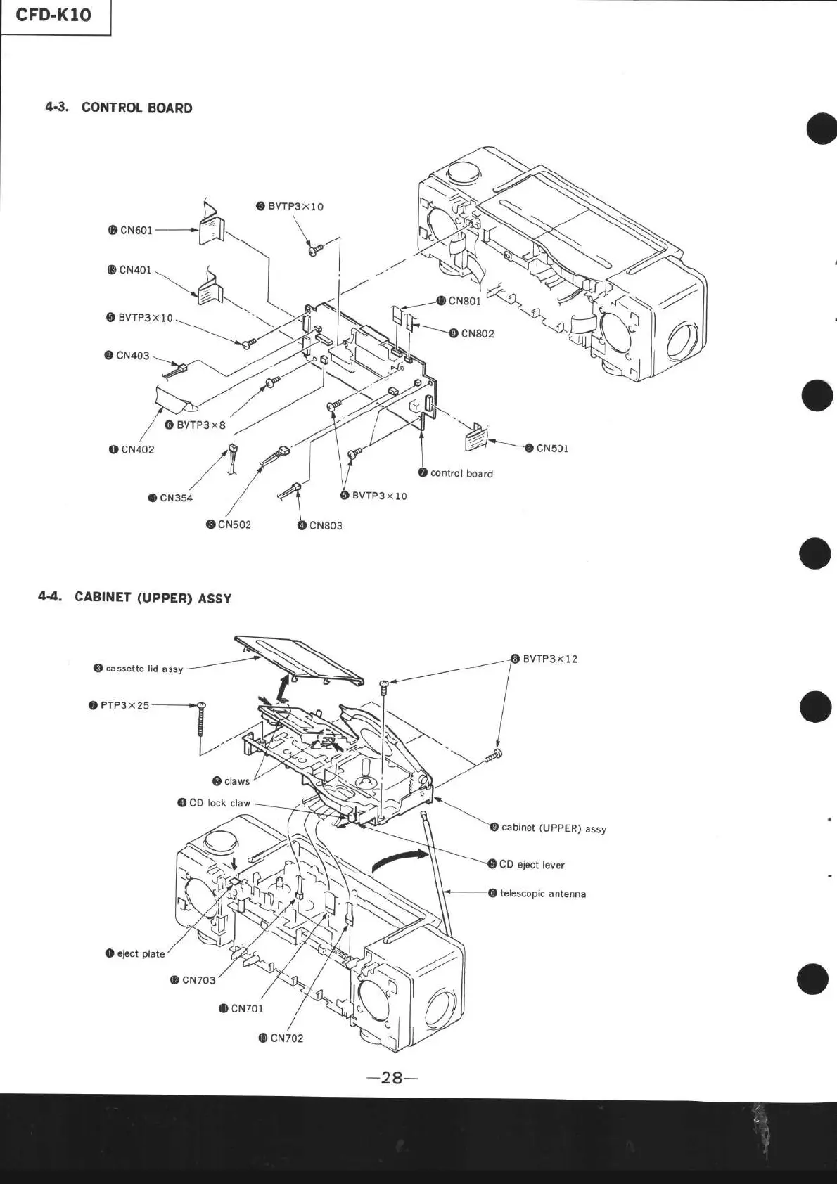
CONTROT
BOARD
o
cN601
o
cN401
O
BWP3X
IO
o
cN403
o
cN502
44.
CABINET (UPPER)
ASSY
e
claws
O
CD
lock
claw
O
BWP3X
1O
ë-t"^uo,
control
boa
rd
BVTP3
X
1O
BWP3X i2
\ -"*/
ll
/-^\
-28-
e
eject
plate

Table of Contents

Related product manuals