EasyManua.ls Logo

Sony CFD-K10 - MD Block Assy; Audio CD Board

Sony CFD-K10
108 pages
Print Icon
To Next Page IconTo Next Page
To Next Page IconTo Next Page
To Previous Page IconTo Previous Page
To Previous Page IconTo Previous Page
Loading...
CFD.KlO
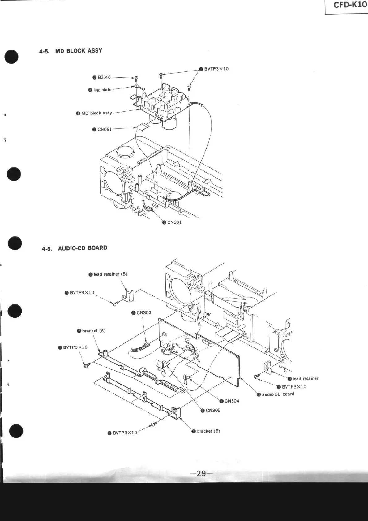
4.5.
IrlD
BLOCK
ASSY
BVTP3X
IO
a
83x6
a
lug
plate
O
MD
block
assy
\
l
4€.
AUDIO4D
BOARD
lt lsad
r8tain€r
(B)
\
a
BwP3x
ro
u
-
-.-'",,R"t
l'
audio-CD
board
a
8wP3x10

Table of Contents

Related product manuals