EasyManua.ls Logo

Sony DAV-DZ280 - Additional Information; Remote Control Overview

Sony DAV-DZ280
104 pages
Print Icon
To Next Page IconTo Next Page
To Next Page IconTo Next Page
To Previous Page IconTo Previous Page
To Previous Page IconTo Previous Page
Loading...
98
GB
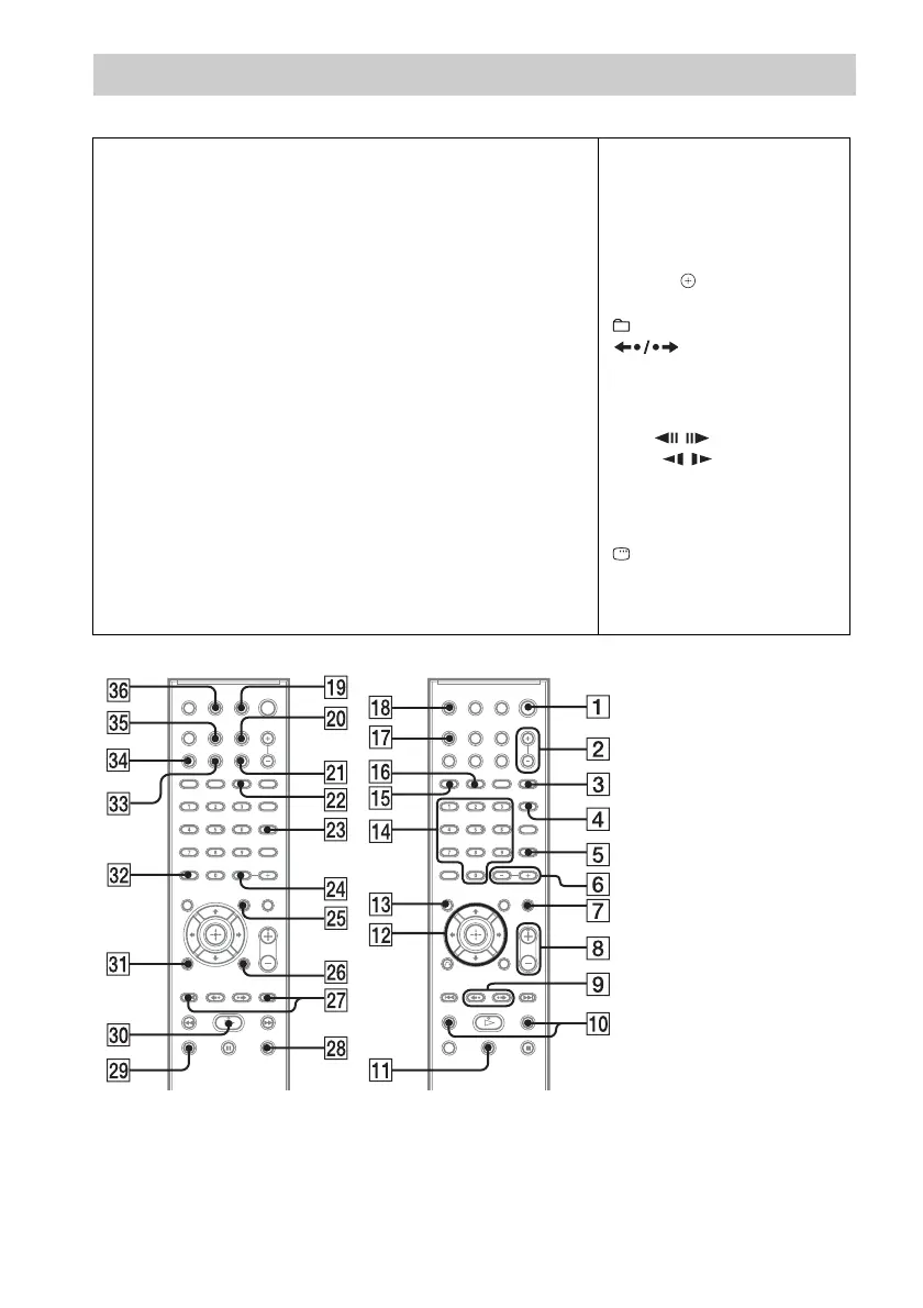
Remote control
ALPHABETICAL ORDER BUTTON DESCRIPTIONS
A – O P – Z
ANGLE ws (28)
AUDIO qg (29)
CLEAR es (32, 53)
D.TUNING qh (53)
DIMMER ed (75)
DISPLAY wa (54, 64, 75)
DVD MENU wg (35)
DVD TOP MENU qd (35)
DYNAMIC BASS 4 (72)
ENTER wf (72)
FUNCTION +/– 2 (23, 27)
MEMORY SELECT
1)
ws
MENU wg (72)
MUTING 7 (27)
NIGHT wd (72)
ONE-TOUCH PLAY eh (56)
PICTURE NAVI ef (38, 60)
PRESET +/– wj (53)
PROG +/– wj (72)
S-AIR MODE
2)
eg
SLEEP qj (74)
SOUND MODE 3 (73)
SUBTITLE qh (28)
SYSTEM MENU 5 (20, 24, 52,
74)
THEATRE qk (55)
TOOLS wh (72)
TUNING +/– 0 (52)
TV wl (72)
TV INPUT w; (72)
VOLUME +/– 8 (27)
Number buttons qf (31, 52, 72)
[/1 (on/standby) 1 (20, 21, 27)
TV [/1 (on/standby) ql (72)
C/X/x/c/
qs (20, 21, 30, 32,
52, 71)
+/– 6 (37, 57)
REPLAY/ADVANCE
9 (27)
./> wj (27)
m/M 0 (27)
STEP / 9 (27)
SLOW / 0 (27)
H (play) e; (27)
x (stop) wk (27)
X (pause) qa (27)
DISPLAY
3)
wh (21, 30, 32, 45,
71, 99)
O RETURN
ea (31, 72)
-/-- es (72)
1)
See the included supplement.
2)
This button is not available
for this model.
3)
This button is available for
the “DVD,” “USB,” or
“DMPORT” function.
Depending on the DIGITAL
MEDIA PORT adapter, this
button may not work.

Table of Contents

Other manuals for Sony DAV-DZ280

Related product manuals