EasyManua.ls Logo

Sony DSR-45A - Page 142

Sony DSR-45A
220 pages
Print Icon
To Next Page IconTo Next Page
To Next Page IconTo Next Page
To Previous Page IconTo Previous Page
To Previous Page IconTo Previous Page
Loading...
34 (FR) Chapitre 2 Lecture et enregistrement
Lecture
Chapitre 2 Lecture et enregistrement
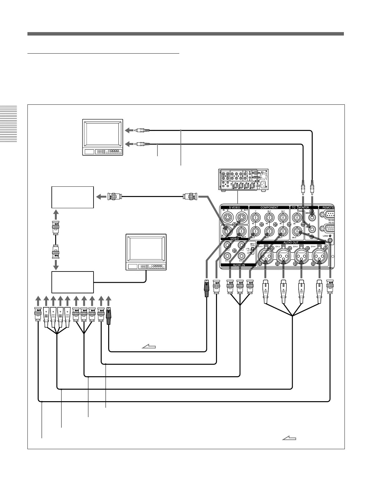
Vers un appareil vidéo numérique sans
prise DV
Vous pouvez raccorder cet appareil à un appareil vidéo
non doté d’une prise DV. Utilisez cet appareil comme
suit.
Ci-après figure un exemple de configuration pour la
copie d’une bande avec son code temporel en mode de
lecture par synchronisation externe. Dans cette
configuration, l’enregistreur est un magnétoscope
équipé de connecteurs d’entrée XLR.
: Sens des signaux
Moniteur
Câble de prise phono (non fourni)
Câble de prise phono (non fourni)
Entrée audio
Entrée vidéo
DSR-45A/45AP (lecteur)
(panneau arrière)
Générateur de
signaux vidéo
de référence
B.B.OUT
B.B.OUT
Câble coaxial de 75
(non fourni)
Moniteur
REF.VIDEO
Enregistreur
Entrée S-vidéo
Câble S-vidéo (non fourni)
Câble coaxial de 75 (non fourni)
Câble vidéo (3BNC y 3BNC) (non fourni)
Câble audio (XLR y XLR) (non fourni)
Câble coaxial de 75 (non fourni)
Entrée vidéo
Entrée du composant
Entrée audio
Entrée du code temporel
Connectez l’un des câbles suivants comme câble vidéo:
câble vidéo (3BNC y 3BNC), câble S-vidéo, câble
coaxial de 75 .

Table of Contents

Other manuals for Sony DSR-45A

Related product manuals