EasyManua.ls Logo

Sony EVI-HD7V - Page 87

Sony EVI-HD7V
92 pages
Print Icon
To Next Page IconTo Next Page
To Next Page IconTo Next Page
To Previous Page IconTo Previous Page
To Previous Page IconTo Previous Page
Loading...
87
Specifications
Appendix
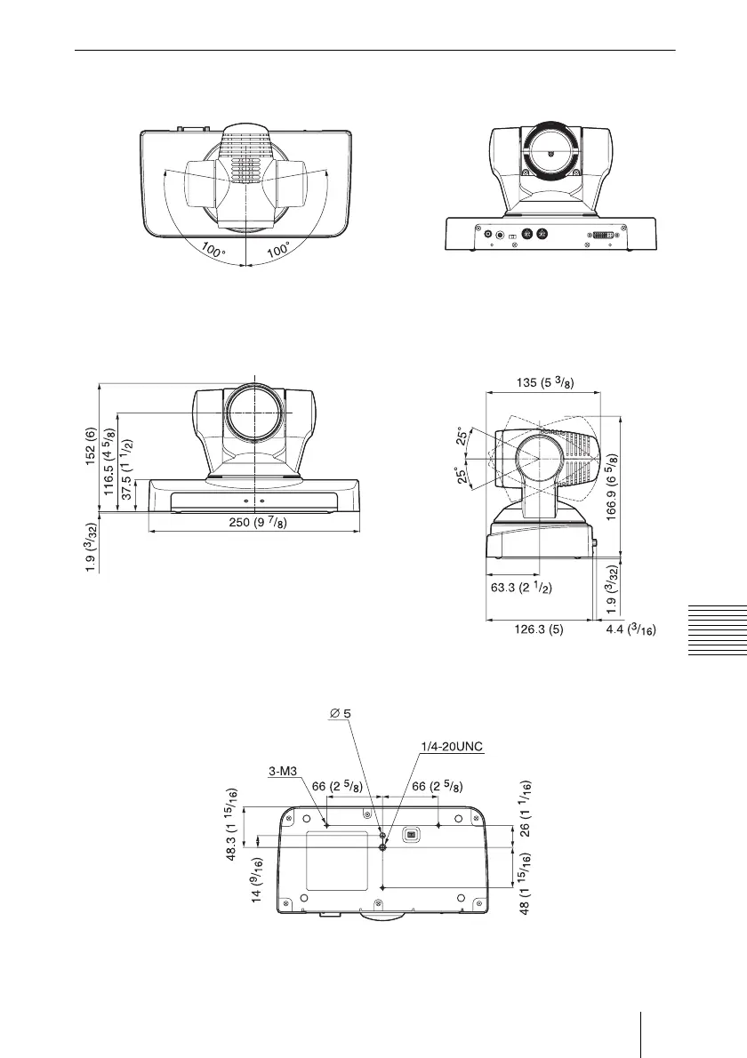
Dimensions
66 (2
5
/
8
)66 (2
5
/
8
)
48.3 (1
15
/
16
)
48 (1
15
/
16
)
26 (1
1
/
16
)
14 (
9
/
16
)
Top Back
Front Side
Bottom
Within a depth from 5 to 7 mm
(7/32 to 9/32 inches) from the
bottom surface.
Within a depth from 3 to 5 mm
(1/8 to 7/32 inches)
from the bottom
surface.
Within a depth from 5 mm (7/32 inches)
or less from the bottom surface.
Unit: mm (inches)

Table of Contents

Other manuals for Sony EVI-HD7V

Related product manuals