EasyManua.ls Logo

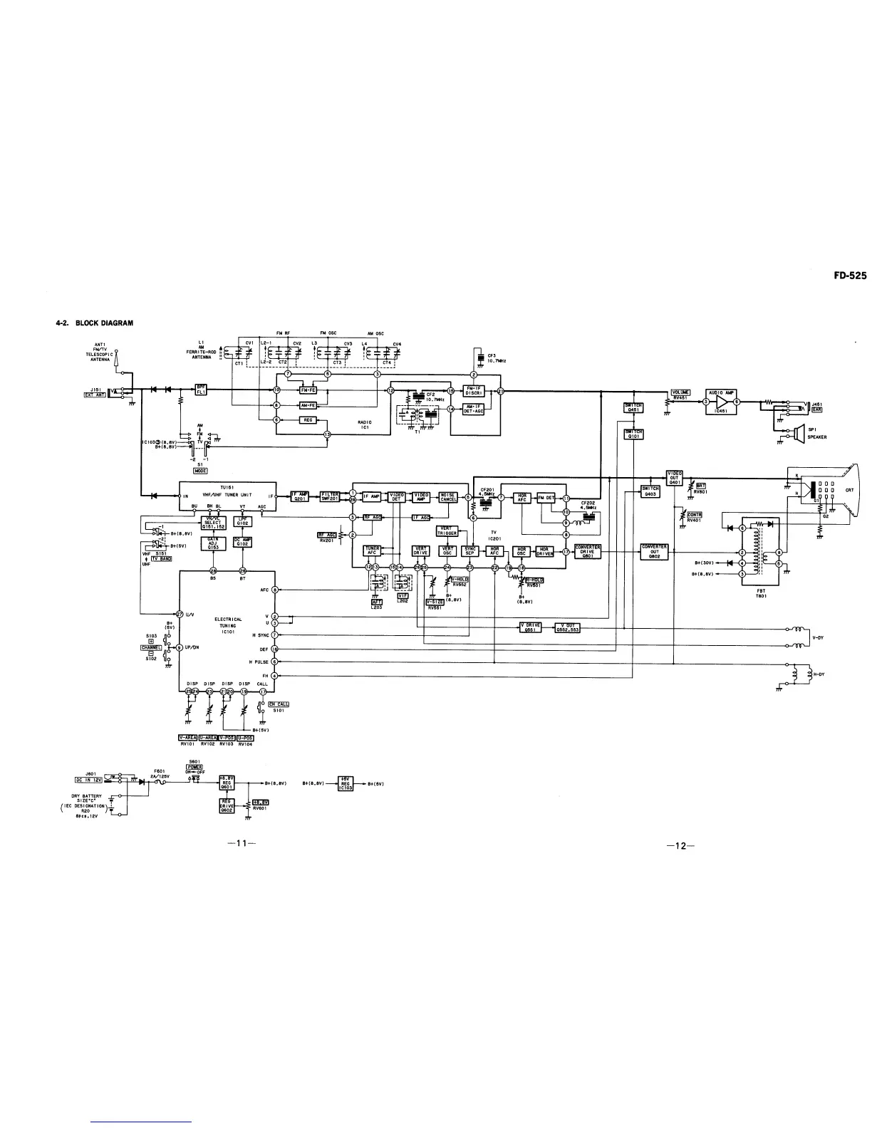
Sony FD-525 - Block Diagram

Sony FD-525
20 pages
Print Icon
To Next Page IconTo Next Page
To Next Page IconTo Next Page
To Previous Page IconTo Previous Page
To Previous Page IconTo Previous Page
Loading...

Related product manuals