EasyManua.ls Logo

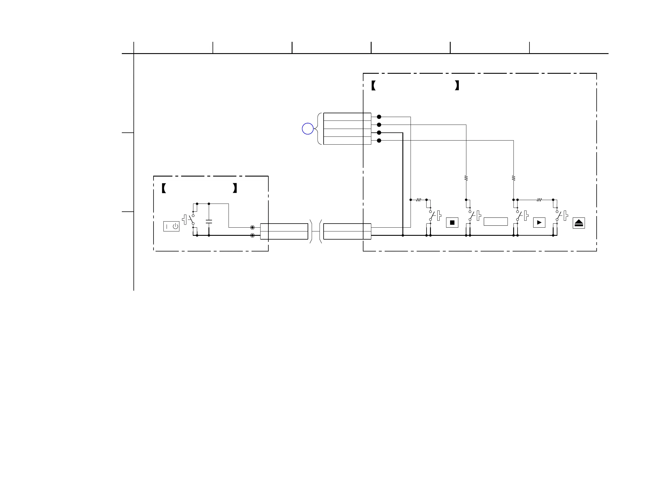
Sony HBD-DZ810 - Schematic Diagram -KEY-SW, P-SW Section

Sony HBD-DZ810
92 pages
Print Icon
To Next Page IconTo Next Page
To Next Page IconTo Next Page
To Previous Page IconTo Previous Page
To Previous Page IconTo Previous Page
Loading...
HBD-DZ170/DZ171/DZ175/DZ310/DZ510/DZ610/DZ810
HBD-DZ170/DZ171/DZ175/DZ310/DZ510/DZ610/DZ810
4646
N
BOARD
CN5001
FL
2.2k
R5204
1
2
2P
CN5201
GND
KEY0
100
R5202
CL5201
CL5202
CL5203
S5202S5201 S5204
1k
R5203
1
2
3
4
4P
CN5202
KEY2
GND
KEY1
KEY0
CL5204
S5203
1k
R5201
CL5301
1
2
CN5301
GND
KEY0
CL5302
S5301
100p
C5301
KEY-SW BOARD
P-SW BOARD
/
FUNCTION
C
254
B
13
A
6
5-21. SCHEMATIC DIAGRAM – KEY-SW, P-SW Section –
(Page 50)

Table of Contents