EasyManua.ls Logo

Sony HBD-DZ810 - Schematic Diagram -S-AIR con Section

Sony HBD-DZ810
92 pages
Print Icon
To Next Page IconTo Next Page
To Next Page IconTo Next Page
To Previous Page IconTo Previous Page
To Previous Page IconTo Previous Page
Loading...
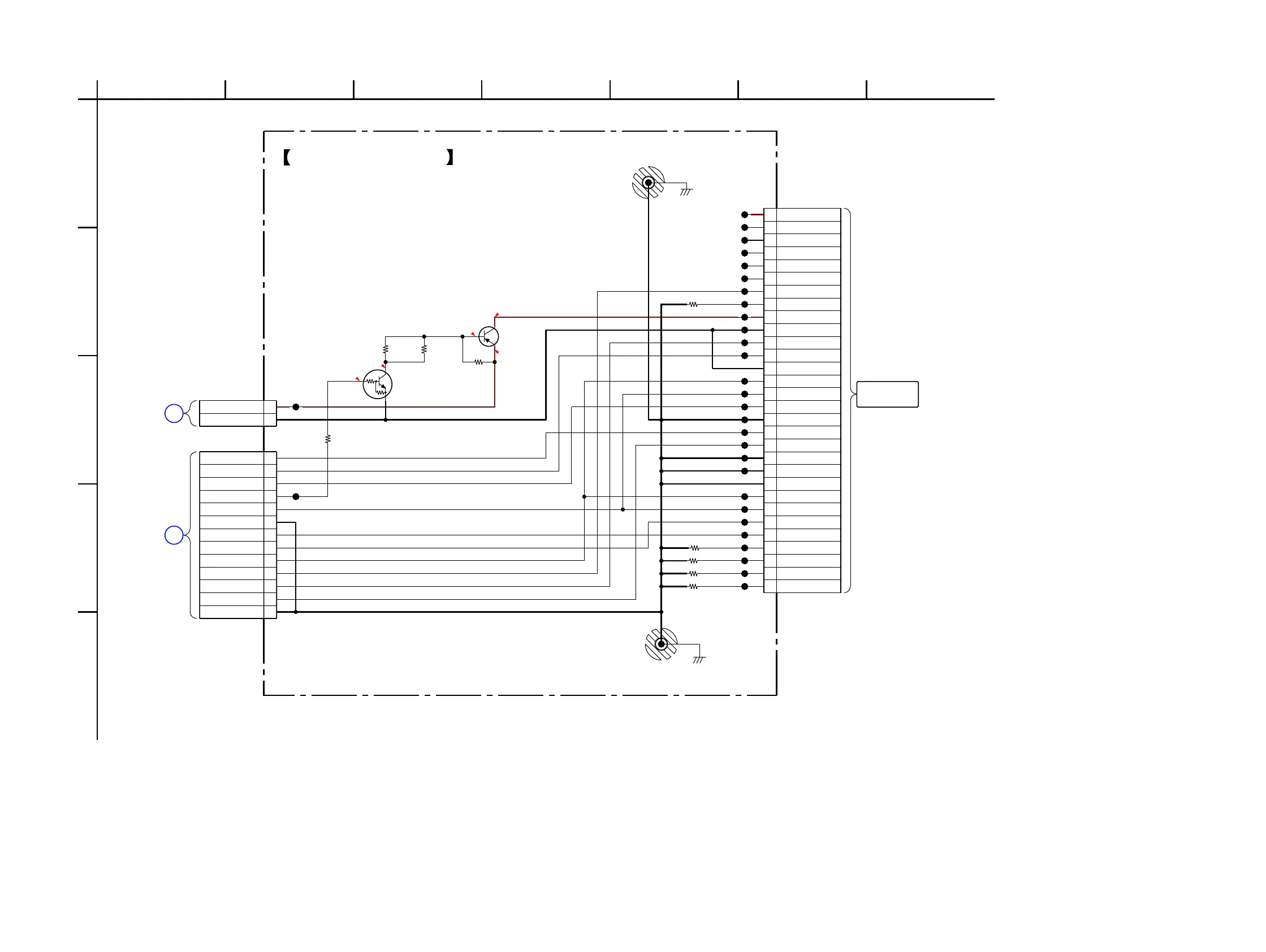
HBD-DZ170/DZ171/DZ175/DZ310/DZ510/DZ610/DZ810
HBD-DZ170/DZ171/DZ175/DZ310/DZ510/DZ610/DZ810
5353
(7/9)
L
BOARD
MAIN
CN908
M
BOARD
POWER
CN306
4.1
3.2
4.1
3.3
1.1
CL100
(S-AIR TRANSMITTER)
CL113
CL122
CL120
470
R102
CL126
CL101
CL125
CL115
CL112
CL102
CL105
CL119
CL110
CL108
CL114
CL106
CL109
CL107
CL121
CL104
CL111
CL124
CL103
CL128
CL117
470
R100
CL118
CL127
2SB1690KT146
Q101
47k
R103
470
R101
10kR107
10kR104
10kR105
10kR106
1
2
3
4
5
6
7
8
9
10
11
12
13
14
15
16
17
18
19
20
21
22
23
24
25
26
27
28
29
30
30P
CN103
A5V
Rch
AGND
Lch
GPI00
GPI01
GPI02
GPIO3
4V
GND
RESN
ADC_SEL
GND
LRCK1
BCK1
SD1
GND
I2C_SCL
I2C_SDA
SRC_MUTE
IFMT0(Low)
GND
LRCK2
BCK2
GND (for DET)
SD2
SD3
SD4
SPDIF
SPDIF_SEL
CL116
CL123
1
2
2P
CN102
GND
E4V
CL129
CL130
1
2
3
4
5
6
7
8
9
10
11
12
13
CN100
13P
GND
I2C_SDA
RESET
GPIO2
LRCK
S-AIR_DET
SD2
GND
BCK
P-CON_FL
SD1
ADC_SEL
I2C_SCL
CL131
10kR108
RT1N441M-TP-1
Q100
S-AIR CON BOARD
(CHASSIS)
(CHASSIS)
EZW-T100
(DZ810)
C
254
B
1
E
3
A
6
D
7
5-28. SCHEMATIC DIAGRAM – S-AIR CON Section –
(Page 55)
(Page 39)

Table of Contents