EasyManua.ls Logo

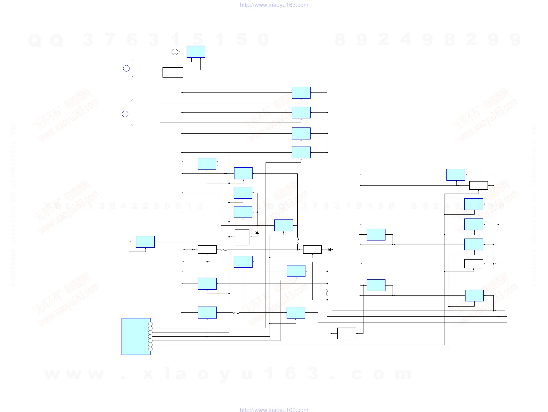
Sony HBD-E570 - Block Diagram - REGULATOR Section

Sony HBD-E570
114 pages
Print Icon
To Next Page IconTo Next Page
To Next Page IconTo Next Page
To Previous Page IconTo Previous Page
To Previous Page IconTo Previous Page
Loading...
HBD-E370/E470/E570/E870/T57
HBD-E370/E470/E570/E870/T57
3232
E +14V
E +6V
E -9V
CORE +1.1V
FRONT VBUS
+5V
REGULATOR
IC601
HDMI OUT +5V
+5V
REGULATOR
IC705
IC101, IC702 +3.3V
+3.3V
REGULATOR
IC704
+9V
REGULATOR
IC14
AUDIO +9V
E +4V
FE +3.3V
USB_VBUS_PCONT1
REAR VBUS
+5V
REGULATOR
IC602
USB_VBUS_PCONT2
C
FL +3.3V
PANEL +4V
AMP +1.8V
+1.8V
REGULATOR
IC3050
S-AIR +4V
B+ SWITCH
Q300, 301
IC1003 -5V
-7V
REGULATOR
IC402
B+ SWITCH
Q800, 802
+3.3V
REGULATOR
IC801
FE +8V
D +3.3V
+3.3V
REGULATOR
IC400
A +5V
+5V
REGULATOR
IC505
LED +5V
A +12V
+5V
REGULATOR
D15, R89
IC206 +5V
+12V
REGULATOR
IC941
SYSTEM CONTROLLER
IC501 (3/4)
37BD_PCONT1
43PCONT1
27PCONT_FL
38BD_PCONT2
39BD_PCONT3
FE_SW +12V
B+ SWITCH
Q401, 402
D406, 407
OVER
VOLTAGE
DETECT
Q301
B+ SWITCH
Q302, 303
PS301
42BD_PCONT6
41BD_PCONT5
FAN_ON
FAN_PROTECT
FAN_CONT
G
M3001
(FAN)
MM
FAN CONTROL
Q3001, 3556
+12V
REGULATOR
IC3011
POWER
CONTROL
IC309
DC/DC
CONVERTER
IC308
FE_SW +5V
DC/DC
CONVERTER
IC312
DDR2 +1.8V
VREF +0.9V
POWER
CONTROL
IC310
+1.2VA
DDR2_VTT +0.9V
+1.2V
REGULATOR
IC303
-5V
REGULATOR
IC1002
IC1003 +3.3V
+3.3V
REGULATOR
IC1001
D302
+3.3VA
+3.3V
REGULATOR
IC307
DC/DC
CONVERTER
IC311
+8V
REGULATOR
IC1451
+5V
REGULATOR
IC508
PS303
PS304
PS302
5-5. BLOCK DIAGRAM - REGULATOR Section -
(Page 29)
(Page 31)
w
w
w
.
x
i
a
o
y
u
1
6
3
.
c
o
m
Q
Q
3
7
6
3
1
5
1
5
0
9
9
2
8
9
4
2
9
8
T
E
L
1
3
9
4
2
2
9
6
5
1
3
9
9
2
8
9
4
2
9
8
0
5
1
5
1
3
6
7
3
Q
Q
TEL 13942296513 QQ 376315150 892498299
TEL 13942296513 QQ 376315150 892498299
http://www.xiaoyu163.com
http://www.xiaoyu163.com

Table of Contents

Related product manuals