EasyManua.ls Logo

Sony HBD-E570 - Schematic Diagram - REG Board

Sony HBD-E570
114 pages
Print Icon
To Next Page IconTo Next Page
To Next Page IconTo Next Page
To Previous Page IconTo Previous Page
To Previous Page IconTo Previous Page
Loading...
HBD-E370/E470/E570/E870/T57
HBD-E370/E470/E570/E870/T57
6161
• See page 67 for IC Block Diagrams.
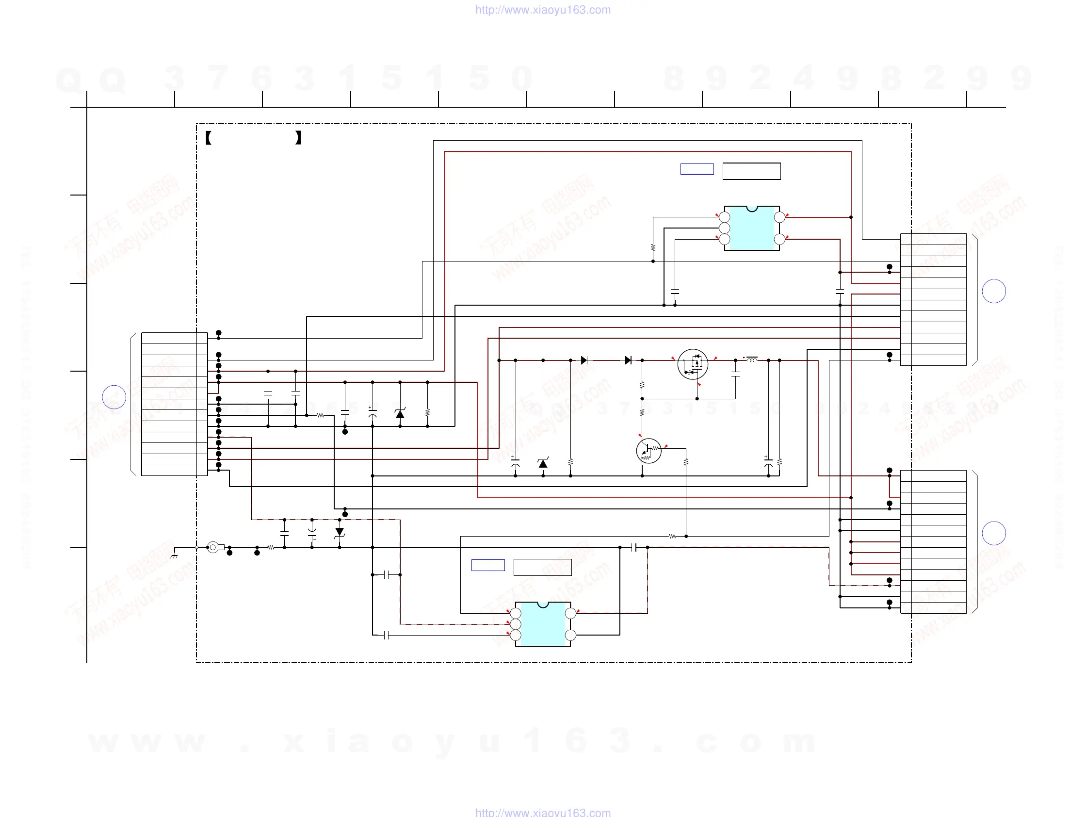
5-34. SCHEMATIC DIAGRAM - REG Board -
(2/5)
CN506
BOARD
MAIN
N
(3/13)
CN303
BOARD
MB-134
E
POWER
CN906
BOARD
Q
IC B/D
IC B/D
13.4
-73.3
13.4
9
0
3.1
3.3
1.3
4.2
3.3
-9.7
-1.2
R406
1k
E
ET400
R402
0
R404
0
CL400
CL401
CL402
CL405
CL406
CL407
CL408
CL409
CL410
CL411
CL412
CL414
CL415
C400
0.1
16V
C401
220
CL404
C404
0.1
C405
25V
470
C408
1000p
R411
1k
C411
1
1
13
3
4
5
6
7
8
9
10
11
12
13P
CN400
P.CONT1
A-GND
EN
2
NC
E+4V
6V
6V
D-GND
FAN-GND
V-GND
-9V
14V
12V
1
12
2
4
5
6
7
8
9
10
11
12P
CN403
EN
BD_PCONT
NC
3P_CONT1
D+3.3V
E+4V
6V
DGND
MGND(FAN)
14V
A12V
AGND
UDZSTE-1733B
D405
D402
UDZSTE-1713B
D403
UDZSTE-1718B
1
13
2
4
5
6
7
8
9
10
11
12
13P
CN402
UNSW12V
GND
NC
3
FE_UNSW12V
FE_GND_M
GND
GND
FE_UNSW6V
UNSW6V
UNSW6V
UNSW6V
UNSW-6V
GND
0.01
C428
33k
R417
68k
R420
1k
R421
47k
R415
25V
220
C426
47k
R422
35V
C431
220
C414
1
47k
R423
4.7uH
L401
TK72270CS
IC402
1
CONT
2
Vin
3
NP
4
GND
5
Vout
S
RSR25P03TL
Q402
CL416CL417
CL418
CL419
CL420
CL421
CL422
C403
0.1
1
C409
1
C415
1000p
C412
RT1N141M-TP-1
Q401
5
43
2
1
TK11133CSCL-G
IC400
CONT
GND
NP Vout
Vin
D406
EK19LF-F7
D407
EK19LF-F7
IC400
+3.3V REGULATOR
IC402
-7V REGULATOR
(CHASSIS)
REG BOARD
Q401, 402
B+ SWITCH
E
113
D
F
87
A
109
C
426
B
51
(Page 65)
(Page 55)
(Page 37)
w
w
w
.
x
i
a
o
y
u
1
6
3
.
c
o
m
Q
Q
3
7
6
3
1
5
1
5
0
9
9
2
8
9
4
2
9
8
T
E
L
1
3
9
4
2
2
9
6
5
1
3
9
9
2
8
9
4
2
9
8
0
5
1
5
1
3
6
7
3
Q
Q
TEL 13942296513 QQ 376315150 892498299
TEL 13942296513 QQ 376315150 892498299
http://www.xiaoyu163.com
http://www.xiaoyu163.com

Table of Contents

Related product manuals