EasyManua.ls Logo

Sony HBD-E570 - MB-134 Board Schematics (6;13)

Sony HBD-E570
114 pages
Print Icon
To Next Page IconTo Next Page
To Next Page IconTo Next Page
To Previous Page IconTo Previous Page
To Previous Page IconTo Previous Page
Loading...
HBD-E370/E470/E570/E870/T57
HBD-E370/E470/E570/E870/T57
4040
• See page 67 for IC Block Diagrams. • See page 77 for IC Pin Function Description.
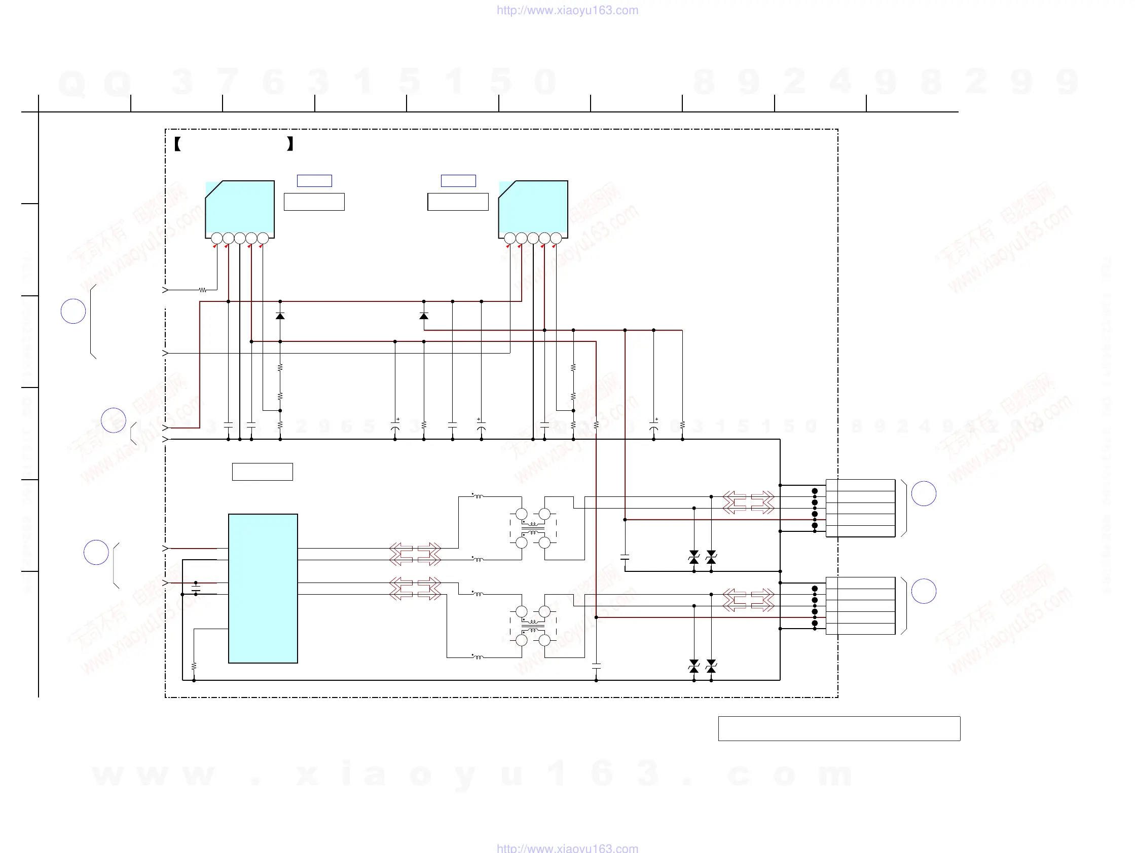
5-12. SCHEMATIC DIAGRAM - MB-134 Board (6/13) -
Note: IC101 on the MB-134 board cannot exchange with single. When
this part is damaged, exchange the entire mounted board.
C
CN151
BOARD
R-USB
B
CN101
BOARD
F-USB
IC B/DIC B/D
(4/13)
BOARD
5
MB-134
BOARD
(10/13)
MB-134
4
BOARD
(3/13)
MB-134
24
3.3
6.3
5.1
1
5.1
1
3.3
6.3
D603
PGB1010603NR
D605
PGB1010603NR
D602
DA2J10100L
10V
22
C608
10V
220
C614
UNSW6V
USB_VBUS_PCONT2
R613
2.2k
R614
39k
R615
10k
C619
10
R619
10k
1
2
3
4
5
5P
CN602
1
C606
1
C610
D606
PGB1010603NR
1
2
3
4
5
5P
CN601
C620
10
JL603
D604
PGB1010603NR
JL604
31
24
L607
31
24
L608
12345
SI-3010KM-TLS
IC602
CPU_3.3VA
GND
5.1k
R601
CPU_1.2VA
C609
1
10V
C613
220
R618
10k
USB_VBUS_PCONT1
C605
1
R606
0
D601
DA2J10100L
R620
0
JL608
JL607
L605
10nH
L606
10nH
10nH
L603
10nH
L604
12345
SI-3010KM-TLS
IC601
R610
2.2k
R611
39k
R612
10k
JL601
JL602
JL605
JL606
IC101
AVDD12_USB
AK8
AVSS12_USB
AK6
AVDD33_USB
AN3
AVSS33_USB
AL5
USB_VRT
AM4
USB_DM0
AK2
USB_DP0
AL1
USB_DM1
AL3
USB_DP1
AM2
C604
10
DP
DM
VBUS
GND
GND
GND
DM
VBUS
GND
DP
Vc
Vin
GND
Vo
ADJ
Vin
GND
Vo
ADJ
Vc
MB-134 BOARD
(6/13)
IC601
+5V REGULATOR
IC602
+5V REGULATOR
IC101
CSP
(6/15)
BD DECODER
(Chip Size Package)
CXD9984GG (E370: CND, AEP, UK/E870)
CXD9983GG (E370: US/E470/E570/T57)
E
3
D
F
87
A
109
C
426
B
51
(Page 37)
(Page 44)
(Page 38)
(Page 66)
(Page 66)
w
w
w
.
x
i
a
o
y
u
1
6
3
.
c
o
m
Q
Q
3
7
6
3
1
5
1
5
0
9
9
2
8
9
4
2
9
8
T
E
L
1
3
9
4
2
2
9
6
5
1
3
9
9
2
8
9
4
2
9
8
0
5
1
5
1
3
6
7
3
Q
Q
TEL 13942296513 QQ 376315150 892498299
TEL 13942296513 QQ 376315150 892498299
http://www.xiaoyu163.com
http://www.xiaoyu163.com

Table of Contents

Related product manuals