EasyManua.ls Logo

Sony HBD-E570 - MB-134 Board IC Block Diagrams (Cont. 2)

Sony HBD-E570
114 pages
Print Icon
To Next Page IconTo Next Page
To Next Page IconTo Next Page
To Previous Page IconTo Previous Page
To Previous Page IconTo Previous Page
Loading...
HBD-E370/E470/E570/E870/T57
70
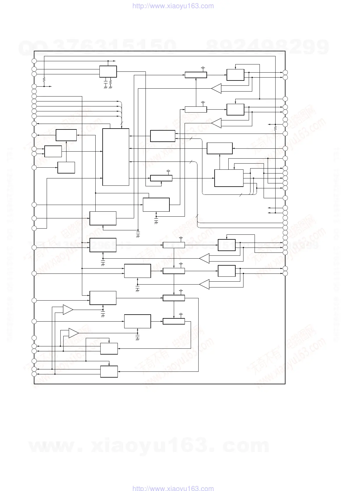
IC2401 TPIC1405DFDRG4
6VREF
1C19V
2CP2
5AGND_1
3CP1
TEST2
55 SLED2_P
53 SLED1_N
54 P12V_3
51 PGND_3
56 SLED2_N
7TEST1
52 SLED1_P
4CA5V
8
14XMUTE2
9TEST3
10TEST4
50 CV3P3
13XMUTE1
11XFG
47 ICOM2
49 MCOM
45 P12V_2
46 W
48 ISENSE
15GC
44 V
12MONITOR
21VFCS
16VSLED1
17VSLED2
43 ICOM1
20VTRK
18VSPIN
PGND_1
40 C10V
42 U
38 AGND_3
39 P5V_2
36 TEST5
41 P12V_1
22VTLT
37 TEST6
19VLOAD
23
24TLT_P
25TLT_N
35 AGND_2
28FCS_N
26P5V_1
32 LOAD_P
34 PGND_2
30 TRK_N
31 P5V12L
33 LOAD_N
29 TRK_P
27FCS_P
ABSOLUTE/
PWM CONTROL
CIRCUIT
MATRIX
CIRCUIT
POWER
MOS FET
PRE-DRIVER
PRE-DRIVER
PRE-DRIVER
PRE-DRIVER
POWER
MOS FET
PRE-DRIVER
NF
NF
NF
NF
NF
NF
POWER
MOS FET
PRE-DRIVER
POWER
MOS FET
PRE-DRIVER
POWER
MOS FET
POWER
MOS FET
POWER
MOS FET
ABSOLUTE/
PWM CONTROL
CIRCUIT
ABSOLUTE/
PWM CONTROL
CIRCUIT
ABSOLUTE/
PWM CONTROL
CIRCUIT
ABSOLUTE/
PWM CONTROL
CIRCUIT
ABSOLUTE/
PWM CONTROL
CIRCUIT
START-UP
CIRCUIT
SLED END
DETECTION
GAIN
CONTROL
CURRENT LIMIT
TSD CIRCUIT
CHARGE
PUMP
3
2
3
BEMF DETECT
COMPARATOR
2
C19V
C19V
C19V
C19V
CA5V
C10V
C10V
C10V
C10V
C10V
P5V_2
CV3P3
4
w
w
w
.
x
i
a
o
y
u
1
6
3
.
c
o
m
Q
Q
3
7
6
3
1
5
1
5
0
9
9
2
8
9
4
2
9
8
T
E
L
1
3
9
4
2
2
9
6
5
1
3
9
9
2
8
9
4
2
9
8
0
5
1
5
1
3
6
7
3
Q
Q
TEL 13942296513 QQ 376315150 892498299
TEL 13942296513 QQ 376315150 892498299
http://www.xiaoyu163.com
http://www.xiaoyu163.com

Table of Contents

Related product manuals