EasyManua.ls Logo

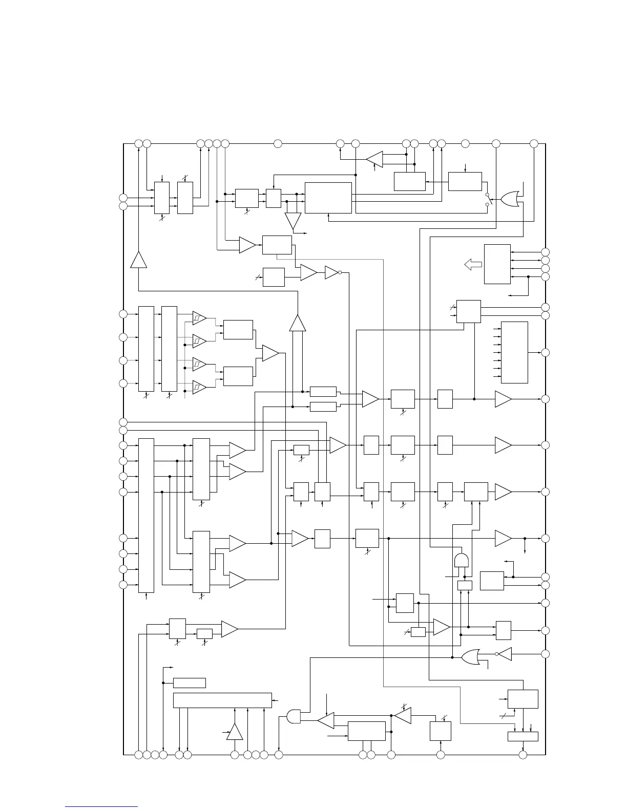
Sony HCD-BC250 - IC Block Diagrams; RF Board

Sony HCD-BC250
218 pages
Print Icon
To Next Page IconTo Next Page
To Next Page IconTo Next Page
To Previous Page IconTo Previous Page
To Previous Page IconTo Previous Page
Loading...
39
HCD-BC150/BC250
IC Block Diagrams
– RF Board –
MUX ATT
INPUT
BIAS
AGC
GCA
PROGRAMMABLE
EQUALIZER
FILTER
DIFFERENTIATOR
64 63 62 61 60 59 58 57 5156
1
2
FULL WAVE
RECTIFER
AGC CHARGE
PUMP
+
+
+
+
+
+
+
+
+
+
+
+
+
+
INPUT
SEL
ATT
2
4
2
2
INPUT
IMPEDANCE
SEL
OFFSET
CANSEL
MNTR
CONTROL
SERIAL
PORT
REGISTER
4
FROM
S-PORT
4
FROM
S-PORT
INPUT
IMPEDANCE
SEL
3
FROM
S-PORT
CLAMP &
ENVELOPE
LEVEL
DAC
SIGDET
AGCO
BUFFER
55 54 53 52 50 49
OUTPUT
INHIBIT
FROM S-PORT
3
4
5
6
7
8
9
10
11
12
13
14
15
16
17
GCA
CD/DVD
4
FROM
S-PORT
3
FROM
S-PORT
MUX
3
FROM
S-PORT
GCA
3
FROM
S-PORT
3
FROM
S-PORT
EQ
VC
COMPARATOR
PHASE
DETECTOR
PHASE
DETECTOR
A+D
B+D
+
+
A+C
B+C
GCA
W/LPF
SUM
AMP
18 19 20 21 22 24 2523 26 27 28 29 31 3230
GCA
GCA
VCI FOR SERVO INPUT
VC = VPB/2
DUAL APC
LD H/L
FROM S-PORT
APC SEL
DVD/CD
TOPHOLD
GCA
TOPHOLD
GCA
41
48
47
46
45
GCA
OFFSET
CANSEL
5
FROM
S-PORT
GCA
40
GCA
OFFSET
CANSEL
6
FROM
S-PORT
3
FROM
S-PORT
GCAGCA
CEFDB
CP/CN
LOW
IMPEDANCE
CD/DVD
SUBGCAMUX GCALPF
GCALPF
39
38
37
36
OFFSET
CANSEL
PEAK/BOTTOM
HOLD
BOTTOM
ENVELOPE
INPUT
BUFFER
5
FROM
S-PORT
GCALPF
V25/2
TE
RST
35
34
33
FOR SERVO
OUTPUT
PH
TOP
HOLD
GCASEL
LINKEN
MUX
HOLDEN
+
+
COMPA-
RATOR
INTERNAL
FDGHG
HYSTERESISTER
& OFFSET
FROM S-PORT
MIRR
COMPARATOR
INPUT GAIN
FROM S-PORT
SEL
DAC
SINK CURRENT
FROM S-PORT
2
AGCO
FAST ATTACK
AGC
HOLD
BCA
DET
2
FROM
S-PORT
PH
2
2
INPUT
IMPEDANCE
FROM S-PORT
44
43
42
V33 FOR
OUTPUT
BUFFER
PI
FE
TE
CE
V25
V125
V25/3
LPF ATT
POL SEL
BUFFER
CONTROL
SIGNALS
TO EACH
BLOCK
3
CE ATT
CEPOL
D
C
B
A
CD F
CD E
VPB
VC
DVDLD
CDLD
CDPD
DVDPD
LDON
VNB
MIRR
MP
MB
MIN
MEVO
MLPF
CE
SDEN
SDATA
SCLK
V33
FE
TE
PI
V25
V125
TPH
DFT
LINK
LCP
LCN
MNTR
DVDRFP
DVDRFN
A2
B2
C2
D2
CP
CN
D
C
B
A
CD D
CD C
CD B
CD A
RFDC
RFSIN
ATOP
ATON
AIN
AIP
VPA
RFAC
VNA
BYP
DIN
DIP
FNP
FNN
MEV
RX
IC001 SP3723CAF0PM
Ver 1.3

Table of Contents

Related product manuals