EasyManua.ls Logo

Sony HCD-DX2 - Schematic Diagram - CD Section (3;4)

Sony HCD-DX2
72 pages
Print Icon
To Next Page IconTo Next Page
To Next Page IconTo Next Page
To Previous Page IconTo Previous Page
To Previous Page IconTo Previous Page
Loading...
1616
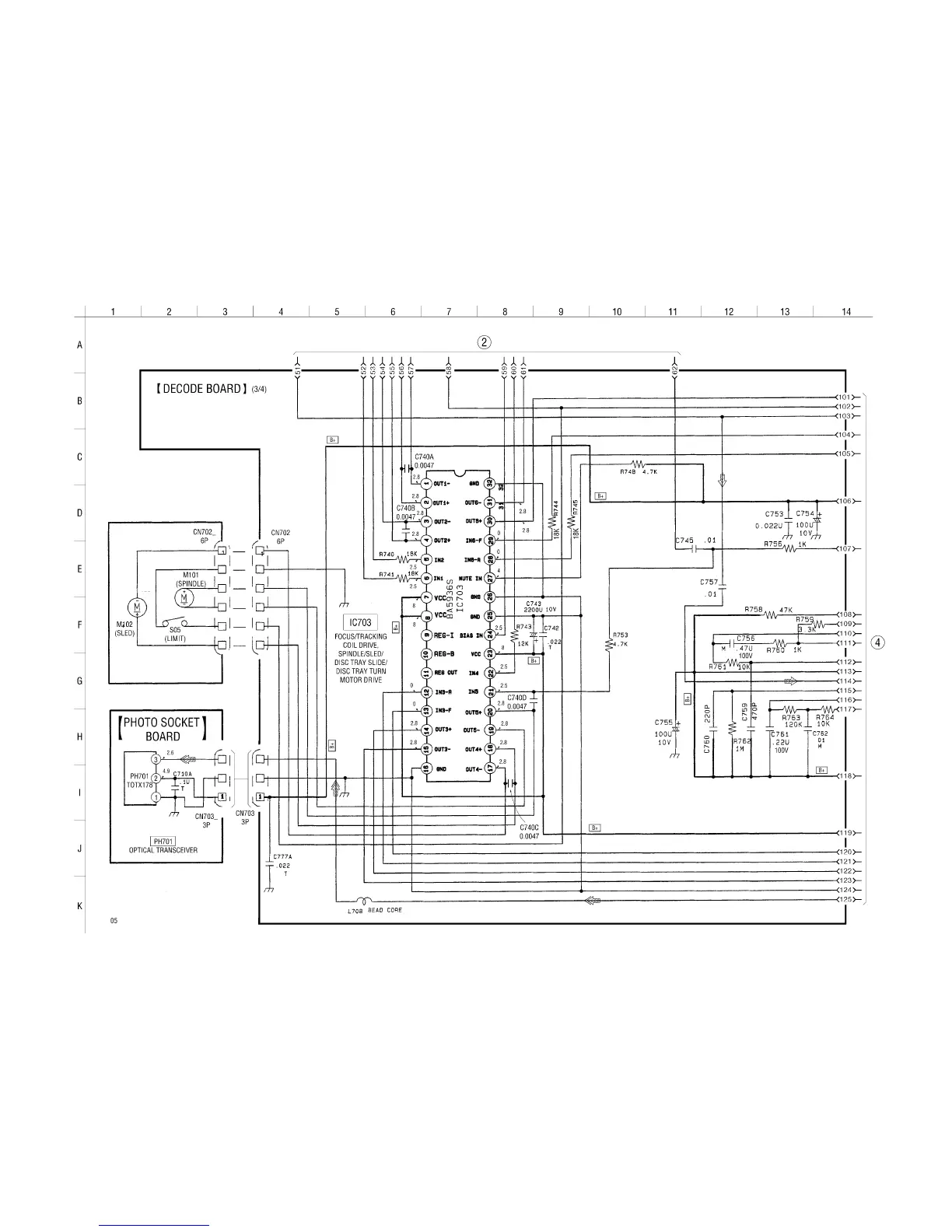
HCD-BX2/DX2/DX2B
4-4. SCHEMATIC DIAGRAM – CD Section (3/4) –
Voltages are dc with respect to ground under no-signal
conditions.
no mark : CD PLAY
(Page 17)
(Page 14)

Related product manuals