EasyManua.ls Logo

Sony HCD-DX2 - Schematic Diagram Changes (Tuner and CD Sections)

Sony HCD-DX2
72 pages
Print Icon
To Next Page IconTo Next Page
To Next Page IconTo Next Page
To Previous Page IconTo Previous Page
To Previous Page IconTo Previous Page
Loading...
5
HCD-BX2/DX2/DX2B
22
25V
12k
12k
22
25V
*
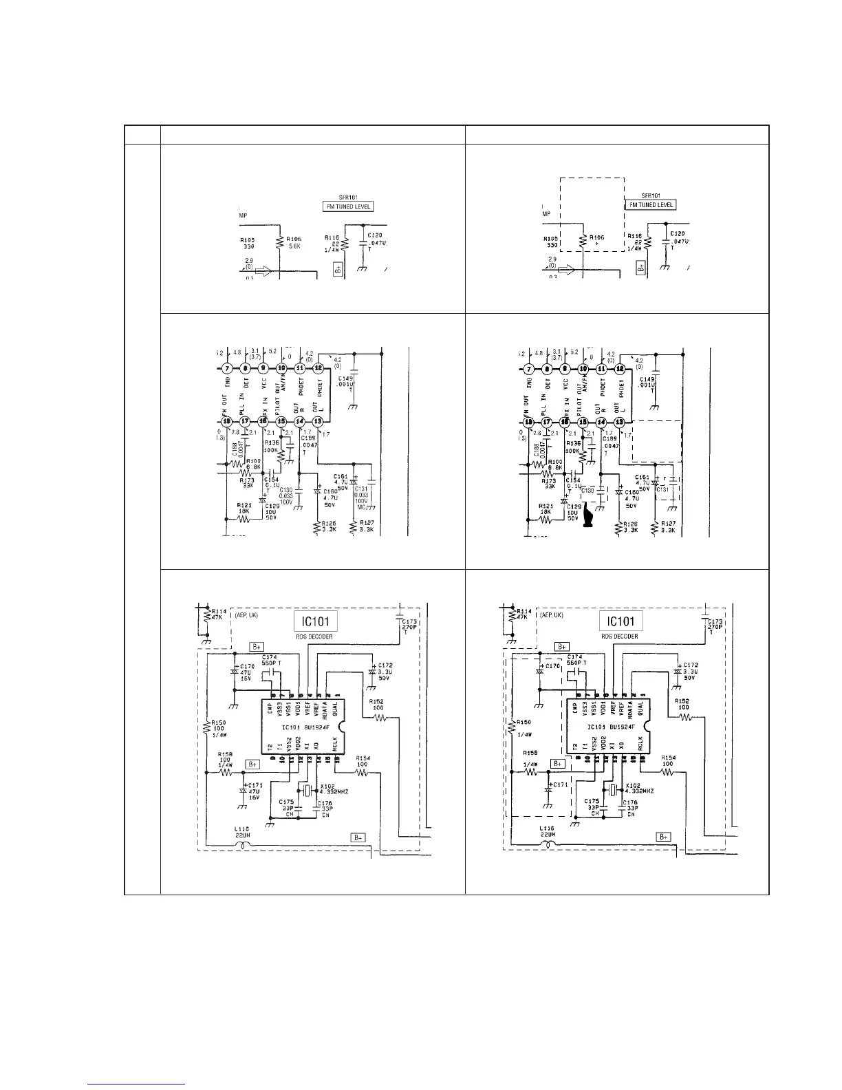
R106
5.6k (US, CND, E, AUS)
100 (AEP,UK)
Page Before Change After Change
20
SCHEMATIC DIAGRAM
! : Indicates changed portion.
Location D F, 14 17
#
Location A B, 9 11
Location G J, 4 7
*
*
*
C130, C131
0.033 100V
(US, CND, E, AUS)
0.0022 100V
(AEP, UK)
^
@
^
– Continued on next page –

Related product manuals