EasyManua.ls Logo

Sony HCD-DX375 - Schematic Diagram - DMB12 Board (5;7)

Sony HCD-DX375
104 pages
Print Icon
To Next Page IconTo Next Page
To Next Page IconTo Next Page
To Previous Page IconTo Previous Page
To Previous Page IconTo Previous Page
Loading...
4545
HCD-DX375
HCD-DX375
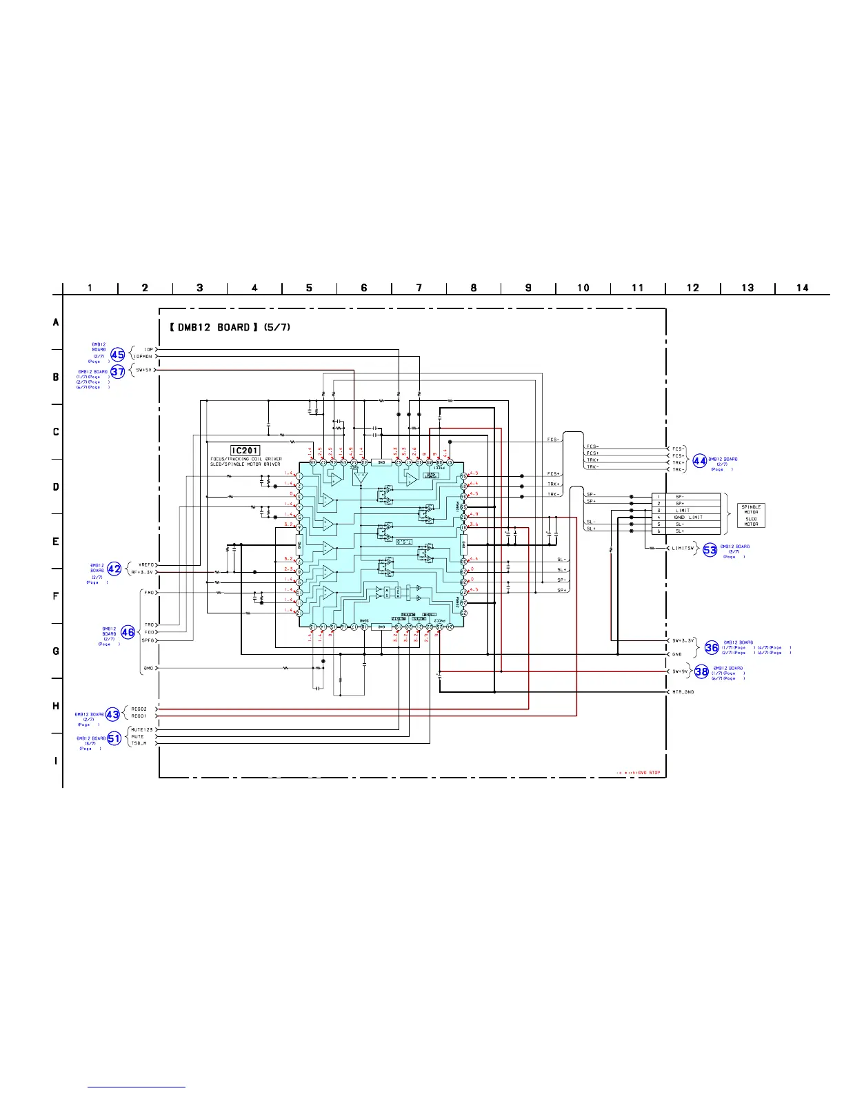
6-12. SCHEMATIC DIAGRAM – DMB12 BOARD (5/7) –
42
41
42
46
42
42
42
43
41
41
42
44
46
46
43
42
R205
C205
C206
208
R213
R216
R215
R214
R208
R209
R210
R206
R204
R207
R224R219
R233
R234
R231 R232
R230
R212
R226
R221
R220
R223
R225
R246
R247
JL201
JL202
JL203
JL204
JL205
JL206
CL205
CL204
CL203
CL201
CL202
CL206
CL209
CL210
CL211
CL212
CL207
CL208
CN201
R2504
C203
C210
C213
C217
C218
C219
C224
C220
C215
C221
C222
C214
C212
C209
C233
C211
IC201
4.7k
1/10W
10k
220p
220p
0.01
6.8k
12k
12k
15k
33k
33k
47k
10k
1.2k
2.7k
10k27k
33k
1/10W
0.5%
10k
15k
1/10W
0.5%
18k
1/10W
0.5%
82k
1/10W
0.5%
10k
56k
1/10W
0.5%
56k
1/10W
0.5%1k
100k
1/10W
0.5%
100k
1/10W
0.5%
4.7k
1k
6P
0.01
25V
B
0.01
0.01
47 16V
10
16V
0.01
0.01
10
16V
0.01
0.1
0.1
0.001
50V
B
0.01
25V
B
0.033
0.0047
0.033
FAN8036L

Table of Contents

Related product manuals