EasyManua.ls Logo

Sony HCD-DX5 - Schematic Diagram Main Section (3;3)

Sony HCD-DX5
66 pages
Print Icon
To Next Page IconTo Next Page
To Next Page IconTo Next Page
To Previous Page IconTo Previous Page
To Previous Page IconTo Previous Page
Loading...
HCD-BX5/DX5/DX5J
2929
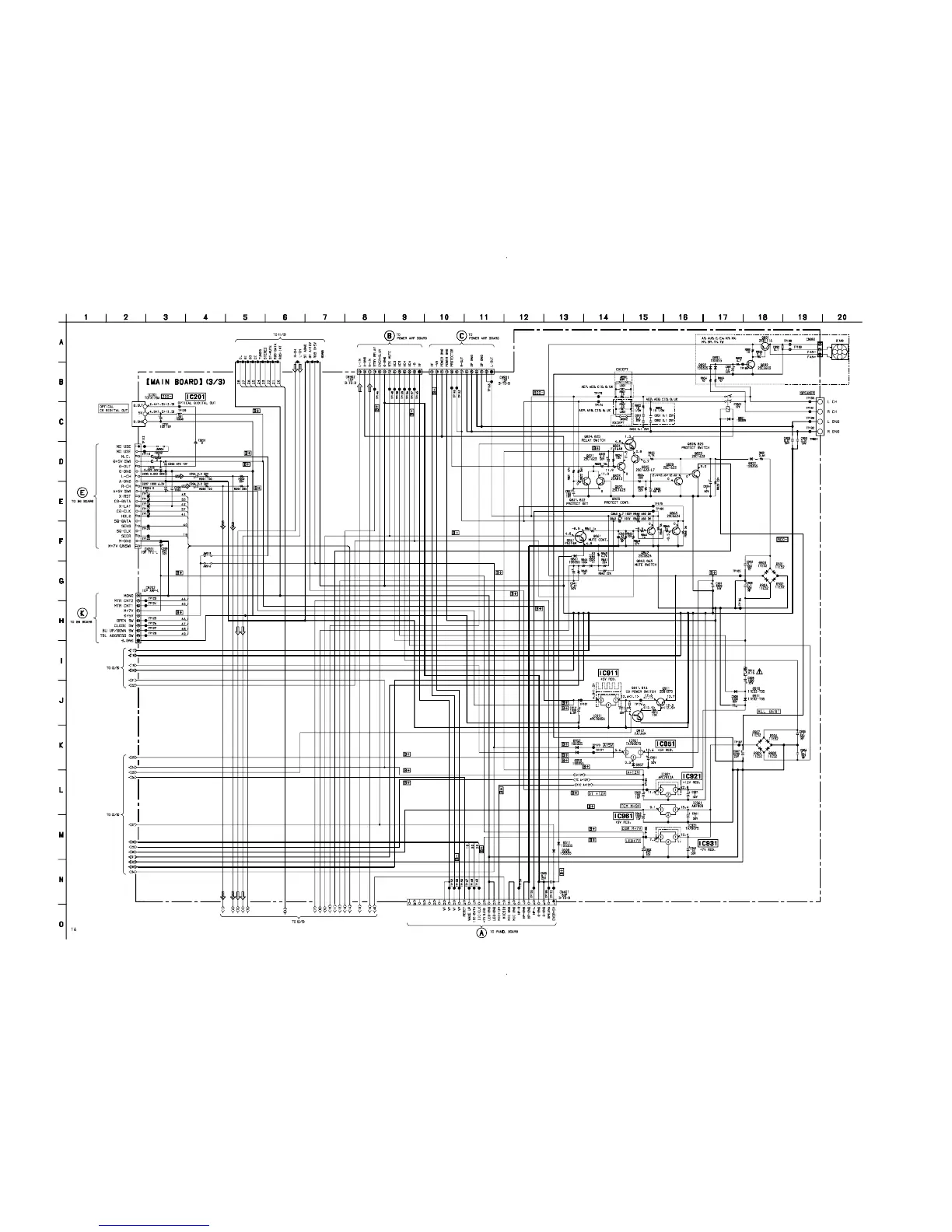
7-8. SCHEMATIC DIAGRAM MAIN SECTION (3/3)
• See page page 44 for IC Block Diagrams.
(Page 31)
(Page 31)
(Page 27)
(Page 25)
(Page 25)
(Page 28)
(Page 28)
(Page 28)
(Page 33)

Related product manuals