EasyManua.ls Logo

Sony HCD-EC78 - 7-6. SCHEMATIC DIAGRAM - MAIN Board (1;2) -

Sony HCD-EC78
62 pages
Print Icon
To Next Page IconTo Next Page
To Next Page IconTo Next Page
To Previous Page IconTo Previous Page
To Previous Page IconTo Previous Page
Loading...
HCD-EC68/EC78
HCD-EC68/EC78
2828
CN152
BOARD
HI AMP
F
CN151
HI AMP
E
BOARD
BOARD
CN102
LOW
H
AMP
AMP
G
LOW
CN104
BOARD
BOARD
PT
J
CN051
MAIN
(2/2)
BOARD
1
BOARD
REG
W610
D
C
JACK
BOARD
0
8.8
0.4 16.6
16.7
16.7
0
0.8
0.7
8.9
8.8
0
0
8.8
10.8
2.9
2.3
0
8.88.8
0
0
4.2
4.7
0
0.4
0.7
1
2
3
4
5
6
7
8
8P
CN604
RELAY ON/OFF
V STBY
AC DETECT
VH(AC)
VL(AC)
GND
VL(AC)
VH(AC)
100V
C621 0.1
100V
C623 0.1
1N5402-F46D607
1N5402-F46D608
1N5402-F46D610
1N5402-F46
D609
25V
2200
C627
25V
1000
C628
MC2838-T112-1
D602
2SC3052F-T1-LF
Q606
2SC3052F-T1-LF
Q605
2SC3052F-T1-LF
Q604
R646
100
R652
100
R614
10k
R613
10k
R648 47k
R649 2.2k
L602
L601
L603
L604
R606
10
10
R615
10
R612
10R611
10
R647
R608
10
0.1
C607
0.1
C617
0.1
C608
0.1
C618
R631
10
C605
0.1
C616
0.1
R607
10
C615
0.1
C604
0.1
R634
56
R636
56
R635
56
MC2838-T112-1
D601
4.7k
R610
4.7k
R609
1
2
3
3P
CN601
VDD+
GND
VDD+
2SC3052F-T1-LF
Q602
2SC3052F-T1-LF
Q603
1N4002B
D615
2SC3052F-T1-LF
Q619
0.022
C642
56k
R686
10k
R677
10k
R676
16V
100
C631
2SC3052F-T1-LF
Q608
R667
47k
10V
47
C630
1k
R666
25V
47
C601
10V
100
C620
10k
R691
TP601
TP602
TP609
TP612
TP613
TP614
TP615
TP617
TP618
TP619
TP621
TP622
TP623
TP624
TP625
TP626
TP627
TP628
TP629
TP630
TP631
TP632
TP633
TP634
TP635
R622 33k
R617
10k
R623 10k
R624 10k
R618 10k
R625
33k
R616 3.9k
R619
3.9k
50V
C677 3300
50V
C678 3300
15
R724
R725
15
KTA1266GR-AT
Q601
50V
4.7
C632
2.2k
R690
27k
R689
R630 47k
50V
4.7
C614
50V
10
C613
R626
10k
4.7k
R627
15
R726
JW750
1k
R644
R620 4.7k
R621 4.7k
C611 0.22
C612 0.22
100k
R639
100k
R640
R633
100k
R632
100k
MC2838-T112-1
D617
R629
4.7k
R601
470
R650
4.7k
R651
4.7k
R727
4.7k
R728
4.7k
47k
R678
1
C695
1
C696
47
R674
47
R675
100k
R729
C699
1000p
C700
1000p
MAZ8082GMLS0
D622
MAZ8043GMLS0
D621
2SC3052F-T1-LF
Q611
100k
R669
10k
R670
10k
R628
4.7k
R637
0.01
C619
4700p
C629
10k
R672
50V
3.3
C641
ISA1235AC1TP-1EF
Q612
ISA1235AC1TP-1EF
Q618
1
2
3
4
5
5P
CN633
PA-GND
OUT-R
+VH
-VH
OUT-L
1
2
3
4
5
6
7
8
9
CN605
9P
AUDIO-L
A-GND
AUDIO-R
HP-GND
HP-L
HP-R
AMP-ON
SP-RELAY
GND
1
2
3
4
5
5P
CN602
IN-R
A-GND
IN-L
AMP-ON
PROTECT
1
2
3
4
5
5P
CN603
R603
4.7
1k
R693
4.7k
R692
R673
0
10k
R643
2.2k
R645
50V
C622 2200
50V
2200C626
2W
470
R658
2W
470
R662
D604
MA2J1110GLS0
D603
MA2J1110GLS0
MA2J1110GLS0
D614
MA2J1110GLS0
D605
MA2J1110GLS0
D628
E
ET601
1
2
3
4
5
5P
CN632
PA- GND
OUT-R
+VH
-VH
OUT-L
JW751 JW752
MC2836
D606
100k
R604
25V
22
C602
E
ET602
RY602
RY601
2A02MD611
2A02MD612
1k
R663
10V
47
C714
1N4002B
D629
1N4002B
D630
C609
4700p
C610
4700p
C603
4700p
C606
4700p
R638
R641
R642
R605
22k
R687
4.7k
R685
MA2J1110GLS0
D631
100k
R791
220kR792
MA2J1110GLS0
D791
O-POWER
HP-L
HP-R
AMP-R
AMP-L
SP-RELAY
AMP-ON
AUDIO-L
HP-R
HP-L
AMP-STBY
AMP-L
AMP-R
O-POWER
PROTECT
PROTECT
AMP-ON
I-P-MONI
PROTECT
CD-AVR
AUDIO-R
VSTBY
1
3
2
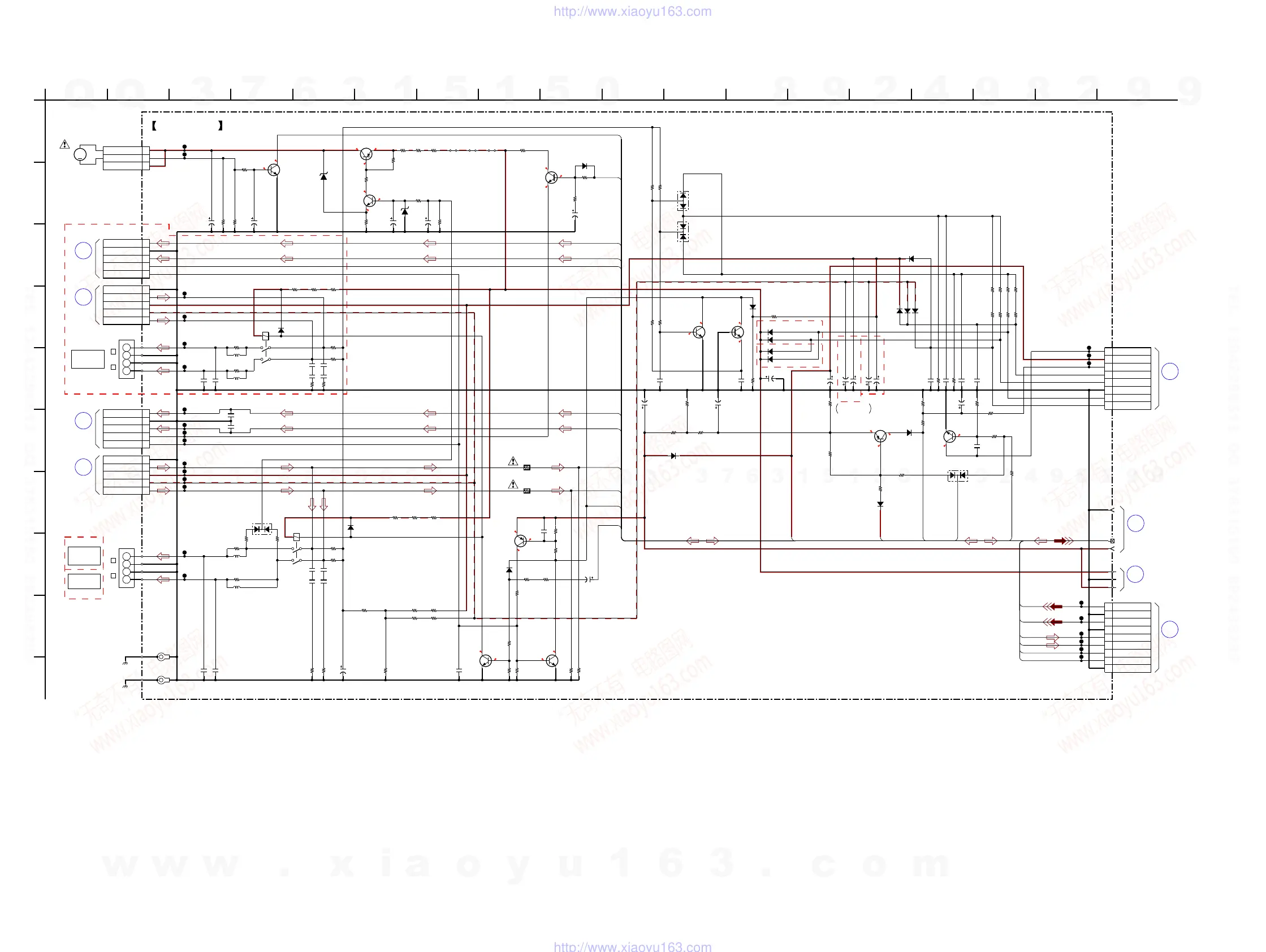
MAIN BOARD (1/2)
(CHASSIS)
(CHASSIS)
1
OUT
GND
3
IN
+
-
-
+
R
L
TB602
+
-
TB601
L
+
R
-
(FAN)
M
M601
PROTECT
DETECT
56 (EC68/EC78: E2,
15 (EC78: AEP, RU)
R605
Q601, 602
FAN MOTOR DRIVE
DC DETECT
PROTECT
DETECT
Q611, 612
RELAY DRIVE
E3, E51, MX, AR)
SPEAKER
HIGH FREQ.
IMPEDANCE
USE 8Ω
(EC78)
(EC78)
(EC68)
(EC78: AEP, RU)
EC68/EC78: E2,
E3, E51, MX, AR
Q605, 606
PROTECT DETECT
RELAY DRIVE
DC DETECT
56 (EC78)
68 (EC68)
R638, 641, 642
LOW FREQ.
SPEAKER
IMPEDANCE
USE 8Ω
USE 6Ω
IMPEDANCE
SPEAKER
(EC78)
(EC68)
711
D
B
1669 1710
F
5 153
G
1 1812
C
E
H
8
J
4 13
A
142
I
IN-R
A-GND
IN-L
AMP-ON
PROTECT
7-6. SCHEMATIC DIAGRAM - MAIN Board (1/2) -
(Page 30)
(Page
36)
(Page 29)
(Page
34)
(Page 34)
(Page 30)
(Page 31)
(Page 31)
w
w
w
.
x
i
a
o
y
u
1
6
3
.
c
o
m
Q
Q
3
7
6
3
1
5
1
5
0
9
9
2
8
9
4
2
9
8
T
E
L
1
3
9
4
2
2
9
6
5
1
3
9
9
2
8
9
4
2
9
8
0
5
1
5
1
3
6
7
3
Q
Q
TEL 13942296513 QQ 376315150 892498299
TEL 13942296513 QQ 376315150 892498299
http://www.xiaoyu163.com
http://www.xiaoyu163.com

Related product manuals