EasyManua.ls Logo

Sony HCD-EC78 - 7-8. PRINTED WIRING BOARD - HI AMP Board (EC78) -; 7-9. SCHEMATIC DIAGRAM - HI AMP Board (EC78) -

Sony HCD-EC78
62 pages
Print Icon
To Next Page IconTo Next Page
To Next Page IconTo Next Page
To Previous Page IconTo Previous Page
To Previous Page IconTo Previous Page
Loading...
HCD-EC68/EC78
HCD-EC68/EC78
3030
(1/2)
MAIN
E
CN632
BOARD
MAIN
BOARD
F
CN602
(1/2)
0
0
2
0
0
35.2
0
0
0
0
36.7
-36.8
-35.2
00
0
00
0
C166
4700p
50V
C151
1
50V
C152
1
R175
220
R177
220
R178
220
R176
220
2W
R179
0.22
2W
R180
0.22
R185
2.2k
R186
2.2k
2SA2026
Q151
2SA2026
Q152
MC2838-T112-1
D151
198765432151413121110
STK433-070
IC151
-PRE
-VCC
+VCC
LO+
LO-
RO+
RO-
+PRE
SUB
GND
LI+
LI-
ST-BY
RI-
RI+
C156
100p
C155
100p
C159 3p
C160
3p
C170
C169
R173
1k
R164
47k
R163
47k
R155
47k
R156
47k
R151
1.8k
R152
1.8k
C153
470p
C154
470p
C178
0.1
R159
1k
R160
1k
C161
0.01
C162
0.01
0.1
C174
0.1
C173
R172
100
R181
1.2k
R182 1.2k
R183
22k
R184
22k
TP151
TP152
TP153
TP154
TP155
TP156
TP157
TP158
TP159
TP160
R162
470
R161
470
1
2
3
4
5
5P
CN152
PROTECT
AMP-ON
IN-L
A-GND
IN-R
MA2J1110GLS0
D152
1
2
3
4
5
6
6P
CN151
PA-GND
OUT-R
+VH
NC
-VH
OUT-L
50V
C158
1
50V
C157
1
0
R171
470
R196
470
R195
C175
0.1
C176
0.1
R153
22k
R154
22k
OVER LOAD DETECT
Q151,152
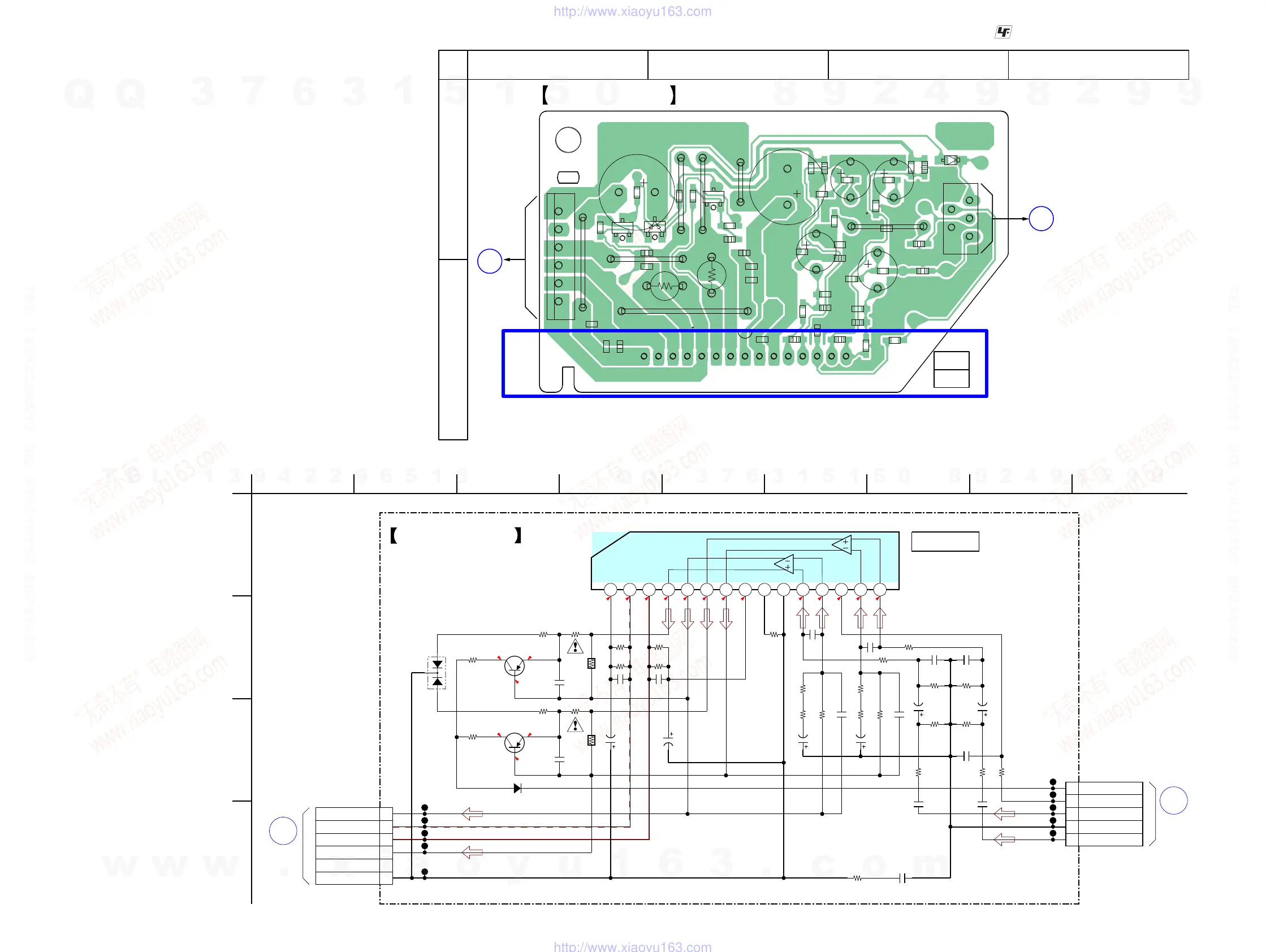
HI AMP BOARD
IC151
POWER AMP
C169, 170
100 50V (EC78: E2, E3, E51, MX, AR)
100 63V (EC78: AEP, RU)
7
D
B
69531
C
84
A
2
B
E
BE
Q151
Q152
R151
R152
R153
R154
R155
R156
R159
R160
R161
R162
R163
R164
R171
R172
R173
R175
R176
R177
R178
R181
R182
R183
R184
R185
R186
C153
C154
C155 C156
R195
C159
R196
C160
C161
C162
C166
C173
C174
C175
C176
C178
D151
D152
JR151
1
15
1
6
4
5
1
2
CN151
CN152
R179
R180
C151
C152
C157
C158
C169
C170
JW151
JW152
JW153
JW154
JW155
JW156
JW157
IC151
E
MAIN
BOARD
CN632
F
MAIN
BOARD
CN602
1-875-496-
12, 13
(12, 13)
HI AMP BOARD
A
B
1234
7-8. PRINTED WIRING BOARD - HI AMP Board (EC78) -
(Page 27)
: Uses unleaded solder.
• See page 23 for Circuit Boards Location.
7-9. SCHEMATIC DIAGRAM - HI AMP Board (EC78) -
(Page 28)
(Page 28)
(Page 27)
w
w
w
.
x
i
a
o
y
u
1
6
3
.
c
o
m
Q
Q
3
7
6
3
1
5
1
5
0
9
9
2
8
9
4
2
9
8
T
E
L
1
3
9
4
2
2
9
6
5
1
3
9
9
2
8
9
4
2
9
8
0
5
1
5
1
3
6
7
3
Q
Q
TEL 13942296513 QQ 376315150 892498299
TEL 13942296513 QQ 376315150 892498299
http://www.xiaoyu163.com
http://www.xiaoyu163.com

Related product manuals