EasyManua.ls Logo

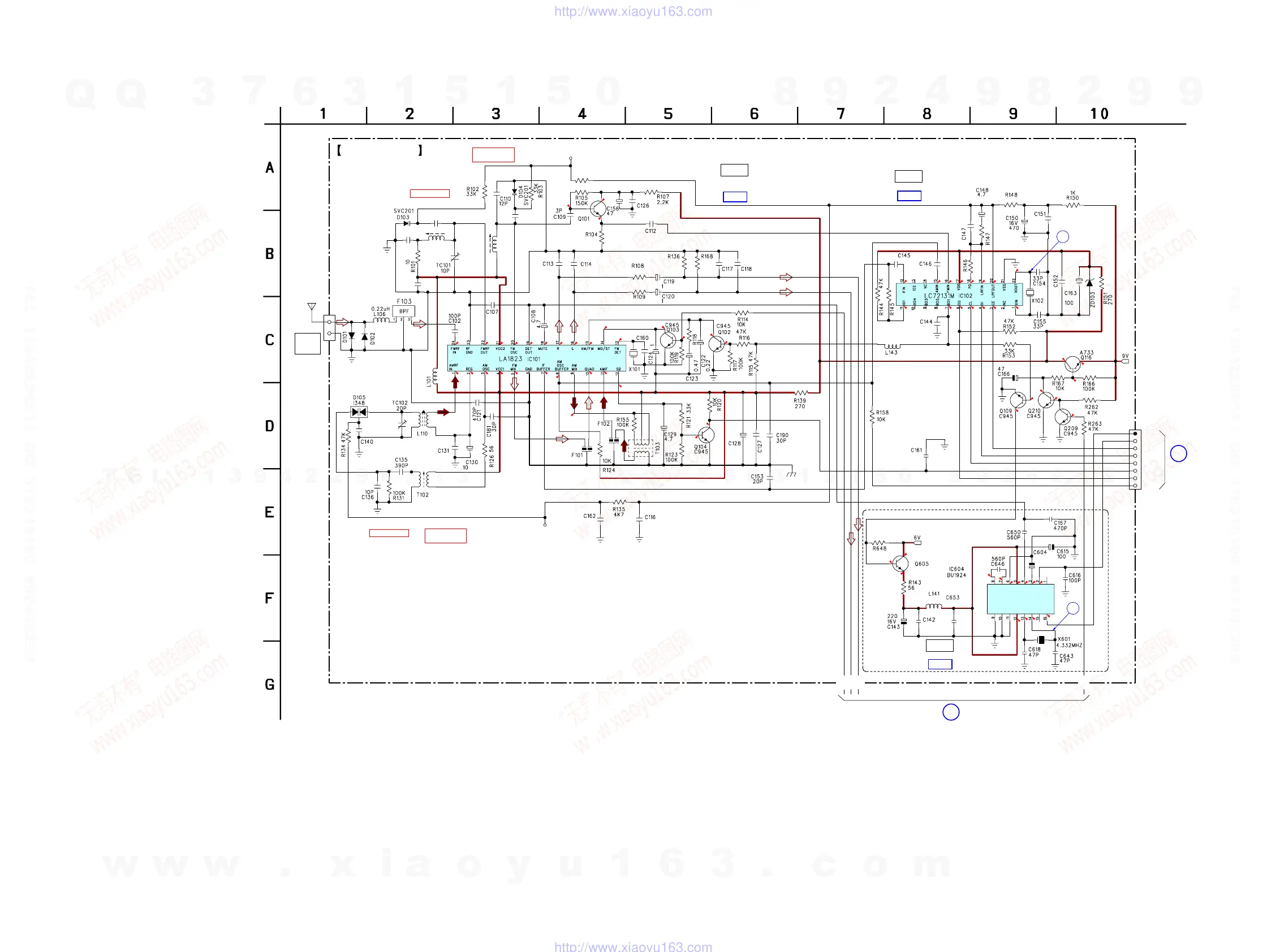
Sony HCD-EP40 - Main Board Schematic Diagram (1;2); FM;AM Tuner Circuitry

Sony HCD-EP40
38 pages
Print Icon
To Next Page IconTo Next Page
To Next Page IconTo Next Page
To Previous Page IconTo Previous Page
To Previous Page IconTo Previous Page
Loading...

Related product manuals