HCD-EP30/EP40
2222
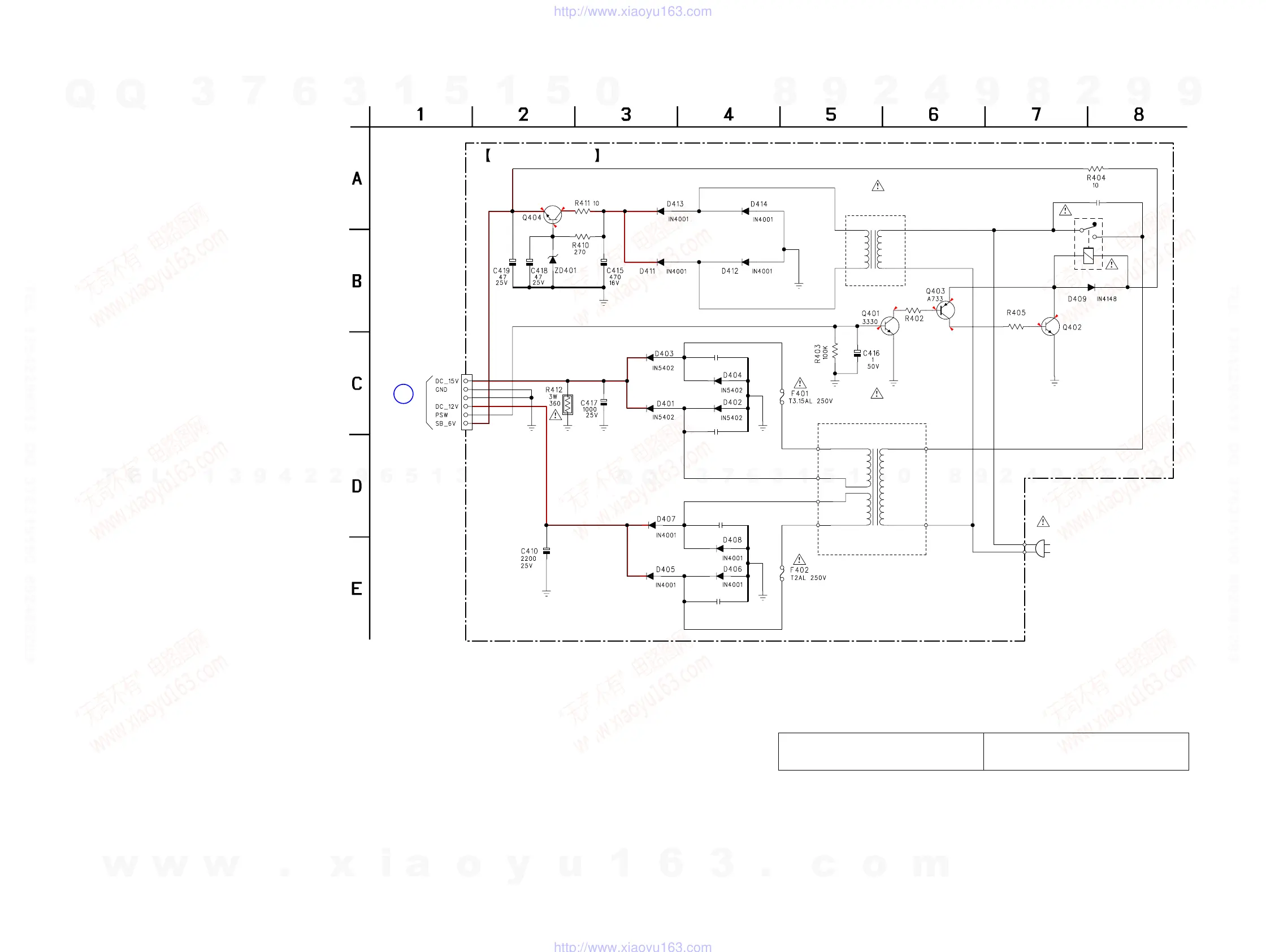
6-9. SCHEMATIC DIAGRAM – POWER Board –
• Voltages are dc with respect to ground under no-signal
conditions.
no mark : TUNER (FM/AM)
The components identified by mark 0 or dotted
line with mark 0 are critical for safety.
Replace only with part number specified.
Les composants identifiés par une marque 0 sont
critiques pour la sécurité. Ne les remplacer que
par une pièce portant le numéro spécifié.
6.2
6.7
7.9
0.6
0
0.5
1.1
1.1
0.7
1.1
MAIN BOARD
(2/2)
CN304
E
CN402
6P
B GND
+
C404 0.022
C402 0.022
+
C408 0.022
C406 0.022
TR401
POWER
TRANSFORMER
MTZJ-6.8B
++
+
Q404
+6V REGULATOR
+
Q401–403
POWER ON/OFF
RELAY DRIVE
TR402
POWER
TRANSFORMER
2.2k
C421 0.001 250V
RL401
AC IN
POWER BOARD
8050D
3.15A 125V
(AEP, UK, E, AUS)
(US, CND)
2A 125V (US, CND)
(AEP, UK, E, AUS)
8050D
2.2k
(Page 17)
w
w
w
.
x
i
a
o
y
u
1
6
3
.
c
o
m
Q
Q
3
7
6
3
1
5
1
5
0
9
9
2
8
9
4
2
9
8
T
E
L
1
3
9
4
2
2
9
6
5
1
3
9
9
2
8
9
4
2
9
8
0
5
1
5
1
3
6
7
3
Q
Q
TEL 13942296513 QQ 376315150 892498299
TEL 13942296513 QQ 376315150 892498299
http://www.xiaoyu163.com
http://www.xiaoyu163.com