EasyManua.ls Logo

Sony HCD-G2BNiP - Schematic Diagram - POWER SUPPLY Section

Sony HCD-G2BNiP
84 pages
Print Icon
To Next Page IconTo Next Page
To Next Page IconTo Next Page
To Previous Page IconTo Previous Page
To Previous Page IconTo Previous Page
Loading...
HCD-G2BNiP/G2NiP
HCD-G2BNiP/G2NiP
4949
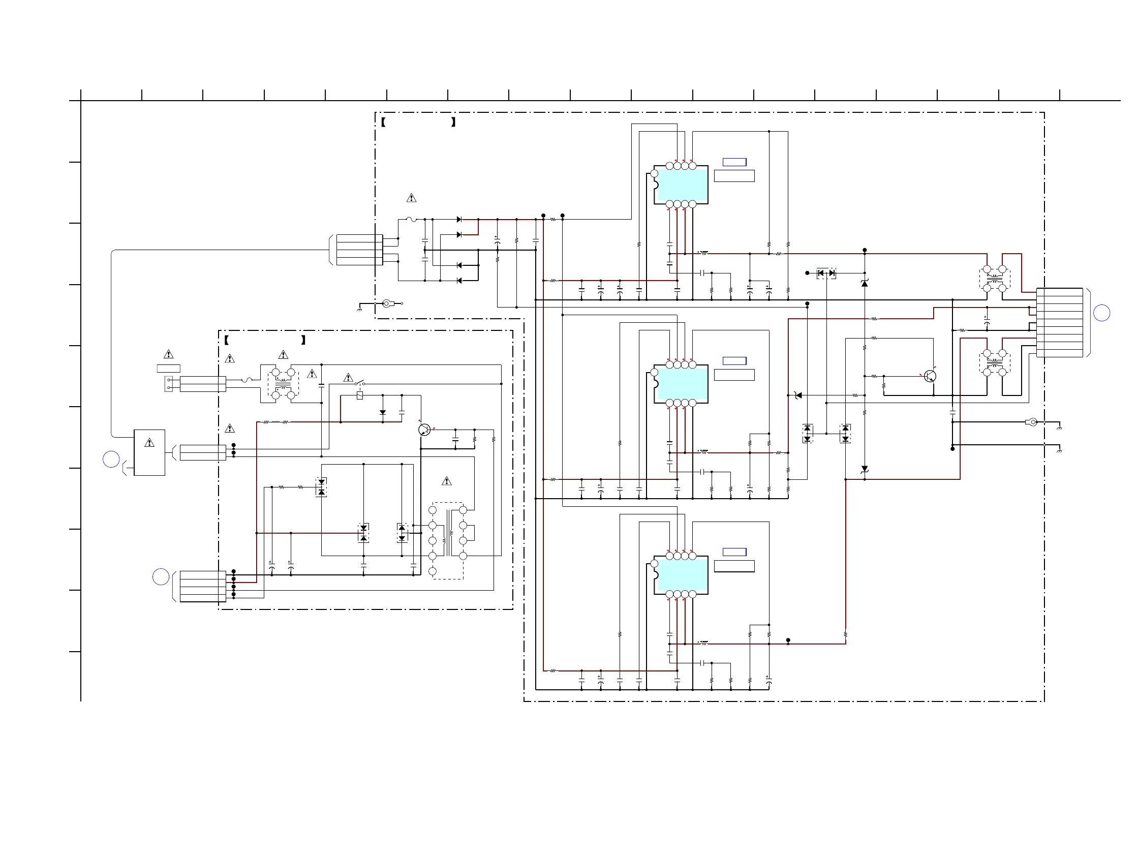
5-26. SCHEMATIC DIAGRAM - POWER SUPPLY Section -
• See page 51 for IC Block Diagrams.
BOARD
K
(2/3)
MAIN
CN702
BOARD
M
CN301
AMP
IC B/D
IC B/D
IC B/D
BOARD
CN701
L
MAIN
(2/3)
3.3
3.3
3.5
14.2
0.8
0.9
11
14.2
5
0.9
0.8
14.2
3.5
4.5
14.2
11
0.9
0.8
14.2
8
14.2
11
0
3.3
(CHASSIS)
E
ET952
W002
DZ2J06800L
D957
DZ2J100M0L
D958
MC2836-T112-1
D956
10uH
L951
R953
0
R973
0
JL953
MC2836-T112-1
D955
R974
0
DZ2J06800L
D959
R952
0
2SC4154TP-1EF
Q951
JL951
10uH
L952
R977
0
R954
0
JL954
JL952
10uH
L953
25V
3300
C953
0.1
C951
10EDB40-TB3
D953
10EDB40-TB3
D952
10EDB40-TB3
D954
0.1
C952
10EDB40-TB3
D951
1
2
3
4
4P
CN952
VL+
VL+
VL–
VL–
12k
R956
8.2k
R957
3300p
C963
2200p
C962
1000p
C964
1000p
C965
1000p
C966
C971
2200p
C970
2200p
C972
2200p
C973
2200p
C974
2200p
C975
2200p
R963
22
R960
22
R959
22
R962
22
R961
22
R958
22
33k
R964
33k
R965
33k
R966
150
R968
6.8k
R969
4.7k
R976
1k
R975
1k
R980
1k
R978
1k
R982
1k
R981
47k
R983
1k
R979
0.1
C954
0
R988
0
R989
R951
0
6.3V
22
C977
6.3V
22
C978
68
R970
6.3V
1000
C981
1
2
3
4
5
6
7
8
9
9P
NO951
+8.23V
M-GND
VBUS+5V
VBUS+5V
VBUSGND
VBUSGND
+4.52V
D-GND (NC)
P-MONI-DCDC
33k
R955
25V
470
C960
25V
470
C982
10V
1000
C976
10V
1000
C983
35V
10
C958
35V
10
C959
JL955
3.9k
R967
0
R972
8.2k
R971
10k
R992
6.8k
R993
0.1
C967
C955
0.1
C956
0.1
0.1
C969
0.1
C968
10
C988
10
C989
T4AL
F951
MC2836-T112-1
D961
JL956
12
34
L954
12
34
L956
BD9329AEFJ-E2
IC951
1
BST
2
VIN
3
SW
4
GND
5
FB
6
COMP
7
EN
8
SS
9
BD9329AEFJ-E2
IC952
1
BST
2
VIN
3
SW
4
GND
5
FB
6
COMP
7
EN
8
SS
9
BD9329AEFJ-E2
IC953
1
BST
2
VIN
3
SW
4
GND
5
FB
6
COMP
7
EN
8
SS
9
330p
C961
10
C987
IC951
DC/DC CONVERTER
DC/DC CONVERTER
IC952
DC/DC CONVERTER
IC953
DCDC BOARD
TRANSFORMER
T901
MAIN POWER
250V
13
A
15
E
D
C
4 14 16 178
G
B
1 113 10
I
9
J
F
H
6257 12
DETECT
OVER VOLTAGE
50V
C4401
4.7
C4406
1000p
1
3
3P
CN4405
LIVE
NEUTRAL
25V
1000
C4402
22
R4407
R4405
4.7k
0
R4406
MC2838-T112-1
D4401
4.7k
R4404
2SC3052EF-T1-LEF
RELAY DRIVER
Q4401
250V
C4407
4700p
JL4408
JL4407
JL4401
JL4402
JL4403
JL4404
MC2838-T112-1
D4402
MC2836-T112-1
D4404
0.1
C4408
DA2J10100L
D4406
68k
R4403
0
R4402
1
3
4
5
6
7
8
9
2
T4401
1
4
4P
CN4404
0V
1Posi
1
2
3
4
4P
NO4401
1D-GND
2EVER_10V
3P-ON
4AC-DET
T4AL
250V
F4401
12
34
T4402
C4404
0.01
C4405
0.01
RY4401
~ AC IN
TRANSFORMER
SUB POWER
SUB-PT BOARD
(CHASSIS)
E
ET951
(CHASSIS)
C980
0.1
JL957
AC1
(Page 41)
(Page 39)
(Page
39)

Table of Contents