EasyManua.ls Logo

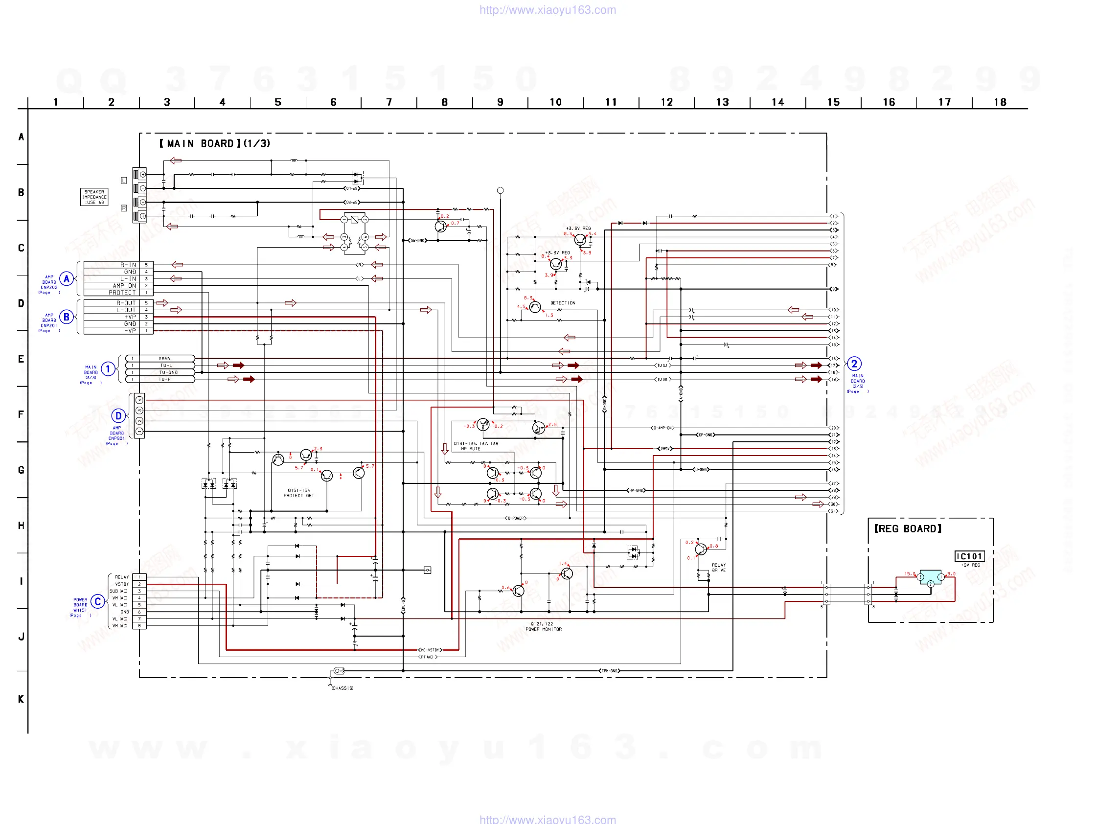
Sony HCD-GB3 - Schematic Diagram - MAIN Board (1;3), REG Board

Sony HCD-GB3
62 pages
Print Icon
To Next Page IconTo Next Page
To Next Page IconTo Next Page
To Previous Page IconTo Previous Page
To Previous Page IconTo Previous Page
Loading...
2828
HCD-GB3
HCD-GB3
7-7. SCHEMATIC DIAGRAM — MAIN BOARD (1/3), REG BOARD —
29
32
32
30
32
36
āˆ— : Impossible to measure
No mark : FM
RELAY
CONTROL
CLP101
CLP201
D113
D131
D108
D109
D110
WH103
WH203
IC101
D132
D156
C101
C102
C113
C116
C118
C119
C121
C131
C133
C151
C181
C182
C183
C184
C187
C191
C192
C193
C402
C403
R101
R103
R104
R105
R106
R107 R108
R109R110
R111
R112
R113
R114
R121
R123
R124
R125
R131
R153R154
R155
R156
R157
R158
R159
R160
R162R163
R164
R165
R166
R167
R168
R169
R170
R171
R172
R174
R177
R178
R179
R180
R181
R182
R184
R188 R189
R191
R192
R195
R196
R402
R902
C112
C153
C152
WH101
WH102
WH901
C130
J101
L101
L102
C132
R129 R128 R127
Q135
RY131
R197
R194
R198
Q193
Q102
Q122
Q121
C155
C156
C105
C106
D154
Q151
Q152
Q154
C134
Q131
R185 R199 R115
R117
R186 R200
R116
Q132
Q137
Q138
Q133
Q134
R406
R411
R193
Q192
Q191
C188
D901
R412
R183
R901
R133
R132
R130
R142
C412
C413
C417
R410
R403
R404
C115
Q153
CNP151
C111
C114
R161
D192D191
D193
C515
D107
C418
D111
R118
EP102
LEAD PIN
LEAD PIN
1N4002B
1N4002B
1N5402-F46
1N5402-F46
1N5402-F46
3P
3P
KIA7809API
MC2836
MC2836
2200
50V
2200
50V
1000
25V
0.022
0.1
0.1
0.47
0.022
0.01
100
16V
0.1
0.1
0.1
0.1
0.01
220 10V
0.1
0.1
100 16V
0.1
2.2k
47k
47k
47k
22k
22k 2.2k
2.22.2
100
100
100
100
220k
470k
100
22k
47k
220k
220k
47k
10k
2.2k
10k
10k
2.2k
100
10k
22k
10k
22k
10k
10k
10k
10k
10k
10k
100
4.7k
4.7k
0
0
10
10
10
22k 22k
1k
100k
100
100
100
4.7k
2200
25V
0.47
0.47
5P
5P
4P
220
10V
0.1
47 47 47
2SC3052F-TLF
RELAY
47
47
47
2SA1235TP-1EF
2SC3052F-T1-LF
2SC3052F-T1-LF
2SC3052F-T1-LF
0.1
0.1
0.1
0.1
MC2838-T112-1
2SC3052F-T1-LF
2SA1235TP-1EF
2SA1235TP-1EF
470p
2SC5938-T112-1B
100 100 100
100
100 100
100
2SC5938-T112-1B
2SC5938-T112-1B
2SC5938-T112-1B
RT1P441C-TP-1
RT1N441C-TP-1
1k
1k
100k
KTC3203Y-AT
KTC3203Y-AT
0.01
MC2838-T112-1
220
10
4.7k
4.7k
4.7k
4.7k
100k
470 10V
100 16V
0.1 50V
100k
1k
220
0.1
2SC3052F-T1-LF
8P
100
16V
0.1
2.2k
1N4002B
1N4002B
UDZW-TE17-
3.9B
47p
1N5402-F46
0.1 50V
1N4002B
100
EARTH,PLATE
w
w
w
.
x
i
a
o
y
u
1
6
3
.
c
o
m
Q
Q
3
7
6
3
1
5
1
5
0
9
9
2
8
9
4
2
9
8
T
E
L
1
3
9
4
2
2
9
6
5
1
3
9
9
2
8
9
4
2
9
8
0
5
1
5
1
3
6
7
3
Q
Q
TEL 13942296513 QQ 376315150 892498299
TEL 13942296513 QQ 376315150 892498299
http://www.xiaoyu163.com
http://www.xiaoyu163.com

Related product manuals