EasyManua.ls Logo

Sony HCD-GB3 - Schematic Diagram - AMP Board

Sony HCD-GB3
62 pages
Print Icon
To Next Page IconTo Next Page
To Next Page IconTo Next Page
To Previous Page IconTo Previous Page
To Previous Page IconTo Previous Page
Loading...
3232
HCD-GB3
HCD-GB3
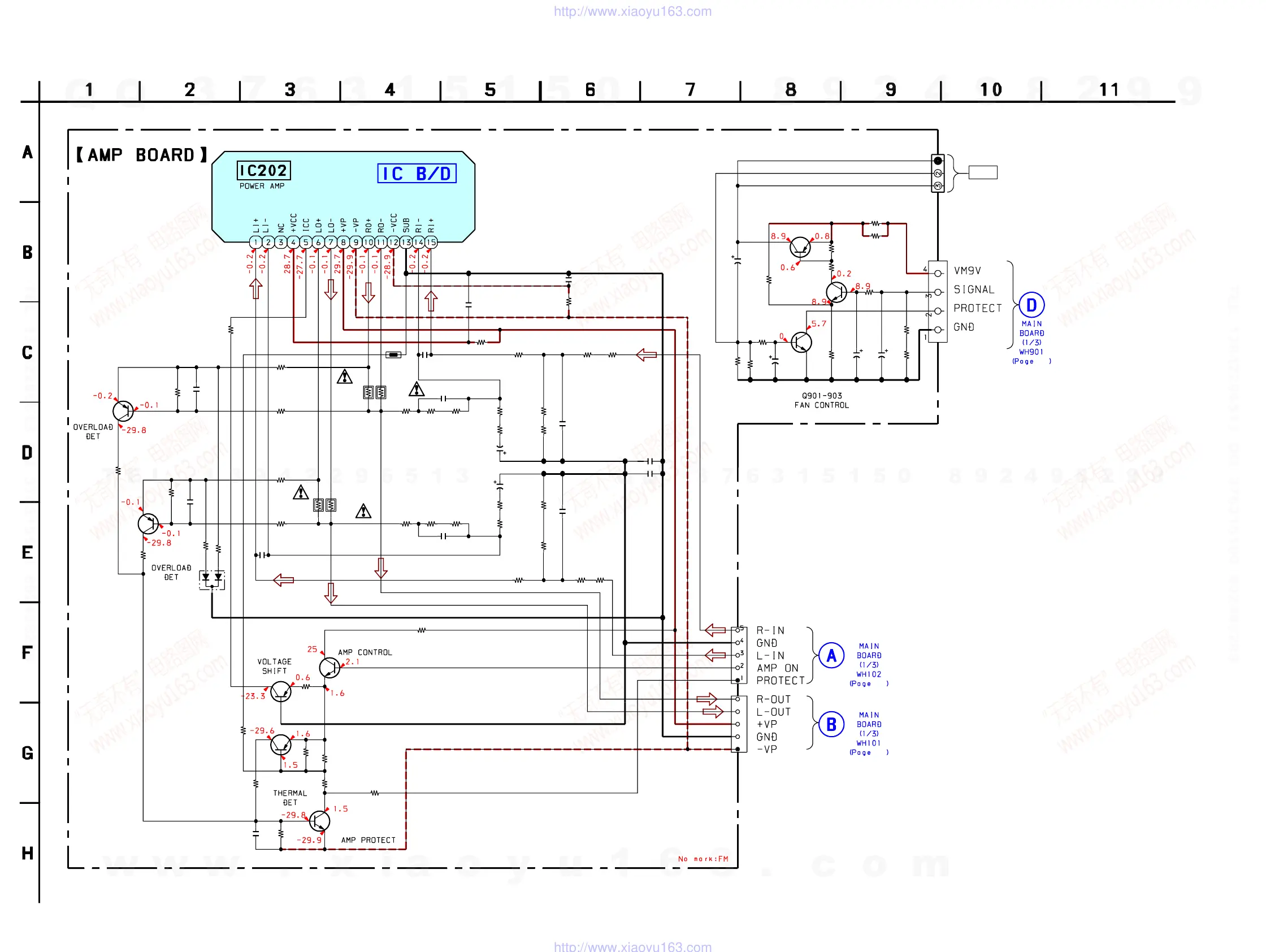
7-11. SCHEMATIC DIAGRAM — AMP BOARD —
See page 39 for IC Block Diagram.
28
28
28
FAN
Q202
C201
C202
C203
C204
C209
C210
C211
C212
C244
C251
C253
C254
C901
C921
R201
R202
R207
R208
R213
R214
R215
R216
R217
R218
R219
R220
R221
R222
R223
R224
R226
R227
R228
R231
R232
R234
R235
R236
R237
R241
R242
R243
R244
R245
R247R248
R251
R253
R905
R907
R908
R909 R910
R924
C903
R249
C206
C205
R211
R212
Q243
Q244
Q241
Q903
Q902
TH241
R238
Q901
Q242
D241
Q201
R203
R911
R205
R246
R204
R206
R233
R225
CNP902
R906
C902
R904
R923
R921
R922
CNP901
CNP202
CNP201
IC202
R252
C252
2SA2026
220p
220p
4.7
50V
4.7
50V
10p
10p
0.0022
0.0022
0.01
0.1
0.0022
0.0022
4.7
50V
4.7
50V
0
0
100
100
10k
10k
1k
1k
1k
1k
1k
1k
22k
22k
10k
10k
22k
2.2k
2.2k
220
220
10k
0.22
2W
0.22
2W
0.22
2W
10k
10k
1k
100k
2.2k
470k10k
100
10k
47k
4.7k
4.7k
10k 47
2.2k
47
50V
4.7k
220p
220p
33k
33k
2SC3052F-T1-LF
2SA1235TP-1EF
2SC3052F-T1-LF
2SC3052F-T1-LF
2SA1235TP-1EF
0.22
2W
2SC3052F-T1-LF
2SA1235TP-1EF
MC2838-T112-1
2SA2026
47k
47
10k
10k
47k
10k
10k
22k
3P
470
47
50V
10k
220k
10
47
4P
5P
5P
STK432-070
100
0.1
w
w
w
.
x
i
a
o
y
u
1
6
3
.
c
o
m
Q
Q
3
7
6
3
1
5
1
5
0
9
9
2
8
9
4
2
9
8
T
E
L
1
3
9
4
2
2
9
6
5
1
3
9
9
2
8
9
4
2
9
8
0
5
1
5
1
3
6
7
3
Q
Q
TEL 13942296513 QQ 376315150 892498299
TEL 13942296513 QQ 376315150 892498299
http://www.xiaoyu163.com
http://www.xiaoyu163.com

Related product manuals