EasyManua.ls Logo

Sony HCD-GNV111D - Block Diagram - Tape;Tuner Section

Sony HCD-GNV111D
102 pages
Print Icon
To Next Page IconTo Next Page
To Next Page IconTo Next Page
To Previous Page IconTo Previous Page
To Previous Page IconTo Previous Page
Loading...
3232
HCD-GNV99D/GNV111D
HCD-GNV99D/GNV111D
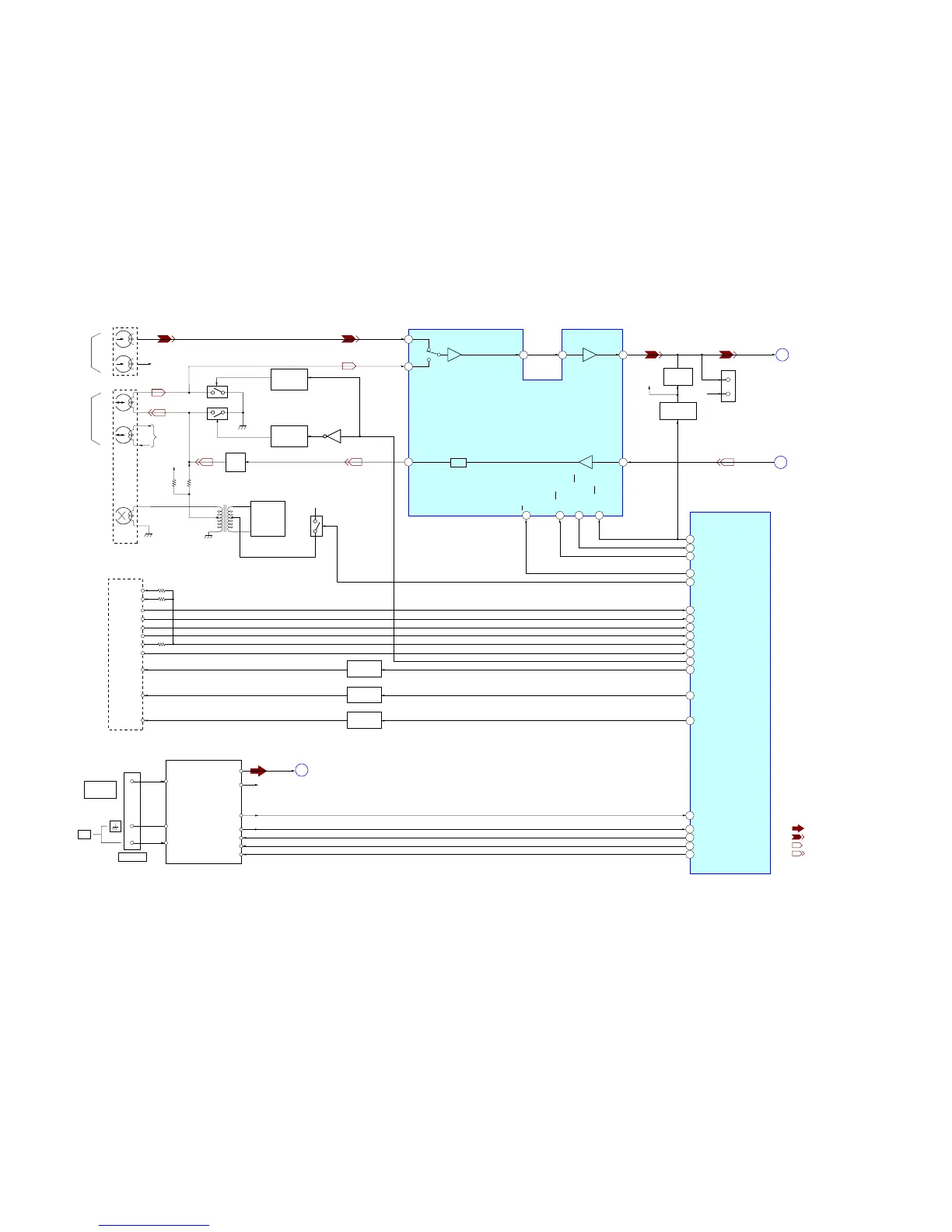
7-3. BLOCK DIAGRAM – TAPE/TUNER SECTION –
: TAPE PLAY (DECK B)
: TAPE PLAY (DECK A)
: TUNER
: REC (DECK B)
• Signal Path
ST-L
E
MAIN
SECTION
(Page 33)
REC-OUT-L
D
MAIN
SECTION
(Page 33)
TC BLOCK
32
A TRIG
DRIVE
R-CH
FM/AM TUNER UNIT
CN509
ANTENNA
ST-L
FM ANT
AM ANT
AM ANT
ST-R
TUNED
ST-DIN/MC-DOUT
ST-DOUT
ST-CLK
ST-CE
FM 75
COAXIAL
CAP M+
BTRGM+
ATRGM+
AHALF
BHALF
APLAY
BPLAY
B PULSE
A PULSE
REC(FWD)
REC(REV)
CAPM-CONT
B-TRIG
A-TRIG
TC-RELAY
A-HALF
B-HALF
A-PLAY
B-PLAY
B SHUT
A SHUT
REC BIAS
PB-A/B
ALC
REC-MUTE
TC-MUTE
AM
EQ OUT1
A
B
TUNED
MC DOUT(ST)
MC DIN(ST)
ST-CLK
ST-CE
34
28 27 26
24
21
52
55
56
54
71
90
89
91
46
94
47
53
48
B TRIG
DRIVE
49
CAP MOTOR
DRIVE
50
1
3
6
2
5
13 11 15 14
PB OUT1
TAI1
REC IN1
AIN1
BIN1
A/B
ALC ON/OFF
REC MUTE ON/OFF
MUTE ON/OFF
DECK A/B SELECT
PB/REC EQUALIZER AMP
IC301
Q340, 343
Q342, 345
Q341,344
SYSTEM CONTROL
(DVD/TAPE MECHANISM CONTROL)
IC401(3/6)
REC-OUT1
EQ
TC-PB-L
TEST
CONNECTOR
CN510
R-CH
R-CH
R
L
C
MAIN
SECTION
(Page 33)
MUTE
Q106
MUTE DRIVE
Q509, 510
PB
HEAD
DECK-A
DECK-B
BIAS OSC
Q370
BIAS
TRAP
SWITCH
DRIVE
Q377, 379
SWITCH
DRIVE
Q382, 383
R-CH
R-CH
Q325
Q321, 322
Q381
L – CH
R – CH
R-CH
BIAS+9V
REC/PB
HEAD
ERASE
HEAD
Q378,380
T301
L – CH
R – CH
• R-CH is omitted due to same as L-CH.

Table of Contents

Related product manuals