EasyManua.ls Logo

Sony HCD-GNV111D - Schematic Diagram - Video Board

Sony HCD-GNV111D
102 pages
Print Icon
To Next Page IconTo Next Page
To Next Page IconTo Next Page
To Previous Page IconTo Previous Page
To Previous Page IconTo Previous Page
Loading...
5959
HCD-GNV99D/GNV111D
HCD-GNV99D/GNV111D
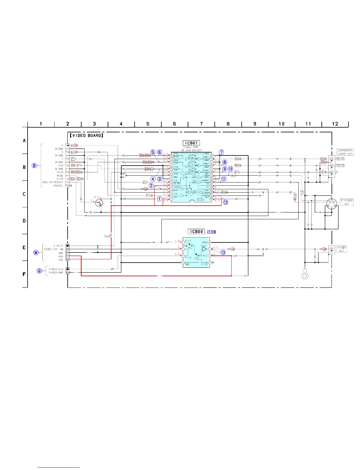
7-30. SCHEMATIC DIAGRAM – VIDEO BOARD –
See page 62 for Waveforms. See page 63 for IC Block Diagrams.
C815
C814
C813
C811
C812
R802
R803
R804
R805
R808
R806
FB800
FB801
FB802
FB803
FB804
FB805
C822
C823
C820
C816
C817
C818
C809
R809
C810
C800
C801
C802
C803
C804
C806
C808
FB806
R801
TP803
R807
CN801
CN802
CN800
L801
JR801
JR800
JR802
C826
R812
C827
C831
C830
C829
R813
R810
R814
TP800
JW800
EPT800
C825
JR803
C824
JR804
C821
C819
C805
C807
IC800
Q800
J802
R800
IC801
J801
1000
6.3V
1000
6.3V
1000
6.3V
1000
6.3V
1000
6.3V
75
75
75
75
75
0
0
0
0
0
0
0
22p
22p
22p
22p
22p
22p
0.1
10k
0.1
1
50V
1
50V
1
50V
22
50V
0.1
1
50V
100
10V
0
10k
100
13P
2P
5P
0
0
0
10
50V
1M
10
50V
0.01
100
10V
1000
6.3V
100k
75
10k
0.01
0.01
0.01
0
0.01
0.01
1
50V
1
50V
NJM2244M-TE2
DTC114EKA-T146
BUFFER
100
MM1623BFBE
VIDEO SELECTOR
BOARD
BOARD
MAIN
BOARD
DMB10
MIC
(2/4)
(1/5)
(Page 39)
(Page 45)
(Page 53)
Ver 1.1

Table of Contents

Related product manuals