EasyManua.ls Logo

Sony HCD-GNZ77D - Schematic Diagram - DMB15 Section (1;5) Overview

Sony HCD-GNZ77D
60 pages
Print Icon
To Next Page IconTo Next Page
To Next Page IconTo Next Page
To Previous Page IconTo Previous Page
To Previous Page IconTo Previous Page
Loading...
3838
HCD-GNZ77D/GNZ88D
HCD-GNZ77D/GNZ88D
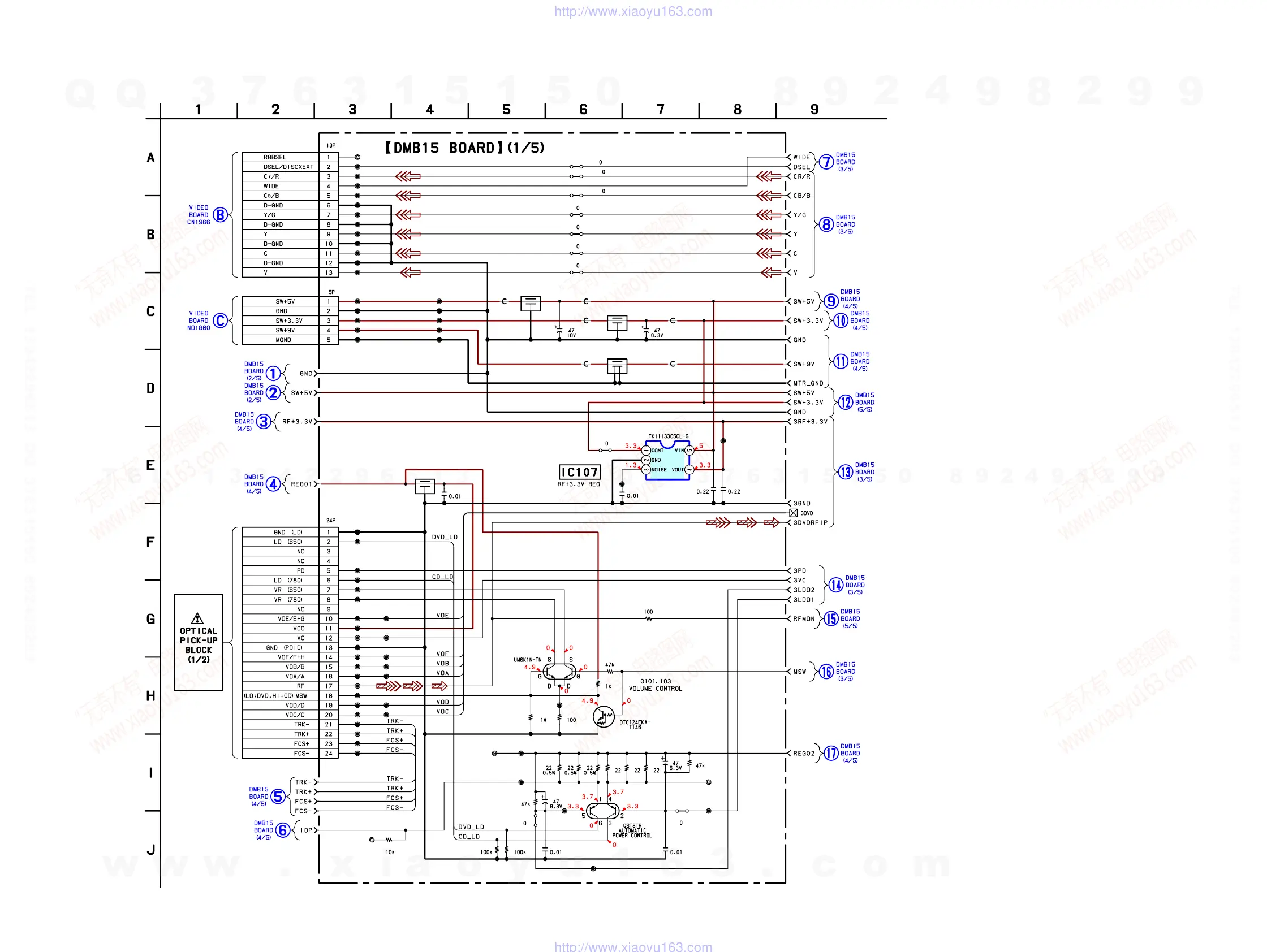
6-10. SCHEMATIC DIAGRAM — DMB15 SECTION (1/5) —
JL4601 JL4602
JL4603 JL4604
JL4605 JL4606
JL4607 JL4608
JL4609 JL4610
JL4701
JL4713
JL4712
JL4711
JL4710
JL4709
JL4708
JL4707
JL4706
JL4705
JL4704
JL4703
JL4702
R321
R4703
R4704
R4705
R4706
CN401
R4702
R4701
CN301
CN101
CL115
CL118
CL117
CL116
CL114
CL112
CL107
CL106
JL159
JL158
JL157
JL156
JL155
JL154
JL153
JL152
JL151
JL150
JL149
JL147
JL146
JL145
JL144
JL143
JL142
JL141
JL140
R123
R112 R113 R115
R118 R120 R121
R124
R110
R109
R107
R108 R111
R117
R116
C106 C113
C101
R114 R1129
R126
R101
C195C193
C192
JL139
CL113
JL148
ICT126
ICT125ICT124
ICT121
ICT123
ICT127
ICT128
ICT129
CL1501
Q103
C112
C105
Q101
IC107
Q102
C402
C403
FB402
FL401
FB404
FB403
FL403
FB406
FB401
FL402
FB405
FL101
(Page 64)
(Page 64)
(Page 39)
(Page 39)
(Page 41)
(Page 41)
(Page 41)
(Page 41)
(Page 40)
(Page 40)
(Page 41)
(Page 41)
(Page 41)
(Page 42)
(Page 40)
(Page 41)
(Page 40)
(Page 42)
(Page 40)
w
w
w
.
x
i
a
o
y
u
1
6
3
.
c
o
m
Q
Q
3
7
6
3
1
5
1
5
0
9
9
2
8
9
4
2
9
8
T
E
L
1
3
9
4
2
2
9
6
5
1
3
9
9
2
8
9
4
2
9
8
0
5
1
5
1
3
6
7
3
Q
Q
TEL 13942296513 QQ 376315150 892498299
TEL 13942296513 QQ 376315150 892498299
http://www.xiaoyu163.com
http://www.xiaoyu163.com

Related product manuals