EasyManua.ls Logo

Sony HCD-GNZ77D - Schematic Diagram - Video Output Section

Sony HCD-GNZ77D
60 pages
Print Icon
To Next Page IconTo Next Page
To Next Page IconTo Next Page
To Previous Page IconTo Previous Page
To Previous Page IconTo Previous Page
Loading...
6464
HCD-GNZ77D/GNZ88D
HCD-GNZ77D/GNZ88D
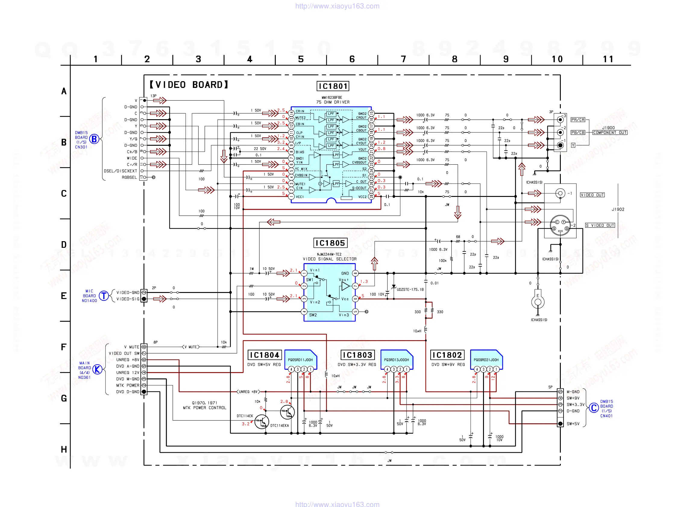
6-35. SCHEMATIC DIAGRAM — VIDEO SECTION —
C1868
C1853
R1938 R1937
C1873
C1874
C1869
C1870
R1940
JR1910
L1950
C1855
R1936
R1930
R1947
R1941
R1942
CN1880
D1888
JR1913
JR1914
CN1967
C1862
FB1971
FB1975
J1900
FB1972
FB1973
FB1974
C1871
TP1995
FB1976
TP1996
C1863
Q1971
Q1970
FB1979
FB1980
IC1805
TP1800
C1892
R1889R1888
R1929
C1854
C1856
C1857
C1858
C1859
C1860
C1861
CN1966
C1867
C1866
C1865
C1864
R1931
R1932
R1933
R1934
C1891
C1893 C1889
J1902G1990
C1882 C1883
C1884 C1885
C1887 C1886
G1992
NO1960
EPT1970
JW2001
JW1929
IC1804 IC1803 IC1802
L1888
JW1885 JW1886 JW1887
JW1931
C1875
C1876
R1939
C1888
R1935
C1850
IC1801
(Page 38)
(Page 60)
(Page 47)
(Page 38)
w
w
w
.
x
i
a
o
y
u
1
6
3
.
c
o
m
Q
Q
3
7
6
3
1
5
1
5
0
9
9
2
8
9
4
2
9
8
T
E
L
1
3
9
4
2
2
9
6
5
1
3
9
9
2
8
9
4
2
9
8
0
5
1
5
1
3
6
7
3
Q
Q
TEL 13942296513 QQ 376315150 892498299
TEL 13942296513 QQ 376315150 892498299
http://www.xiaoyu163.com
http://www.xiaoyu163.com

Related product manuals