EasyManua.ls Logo

Sony HCD-GNZ77D - Page 26

Sony HCD-GNZ77D
60 pages
Print Icon
To Next Page IconTo Next Page
To Next Page IconTo Next Page
To Previous Page IconTo Previous Page
To Previous Page IconTo Previous Page
Loading...
4444
HCD-GNZ77D/GNZ88D
HCD-GNZ77D/GNZ88D
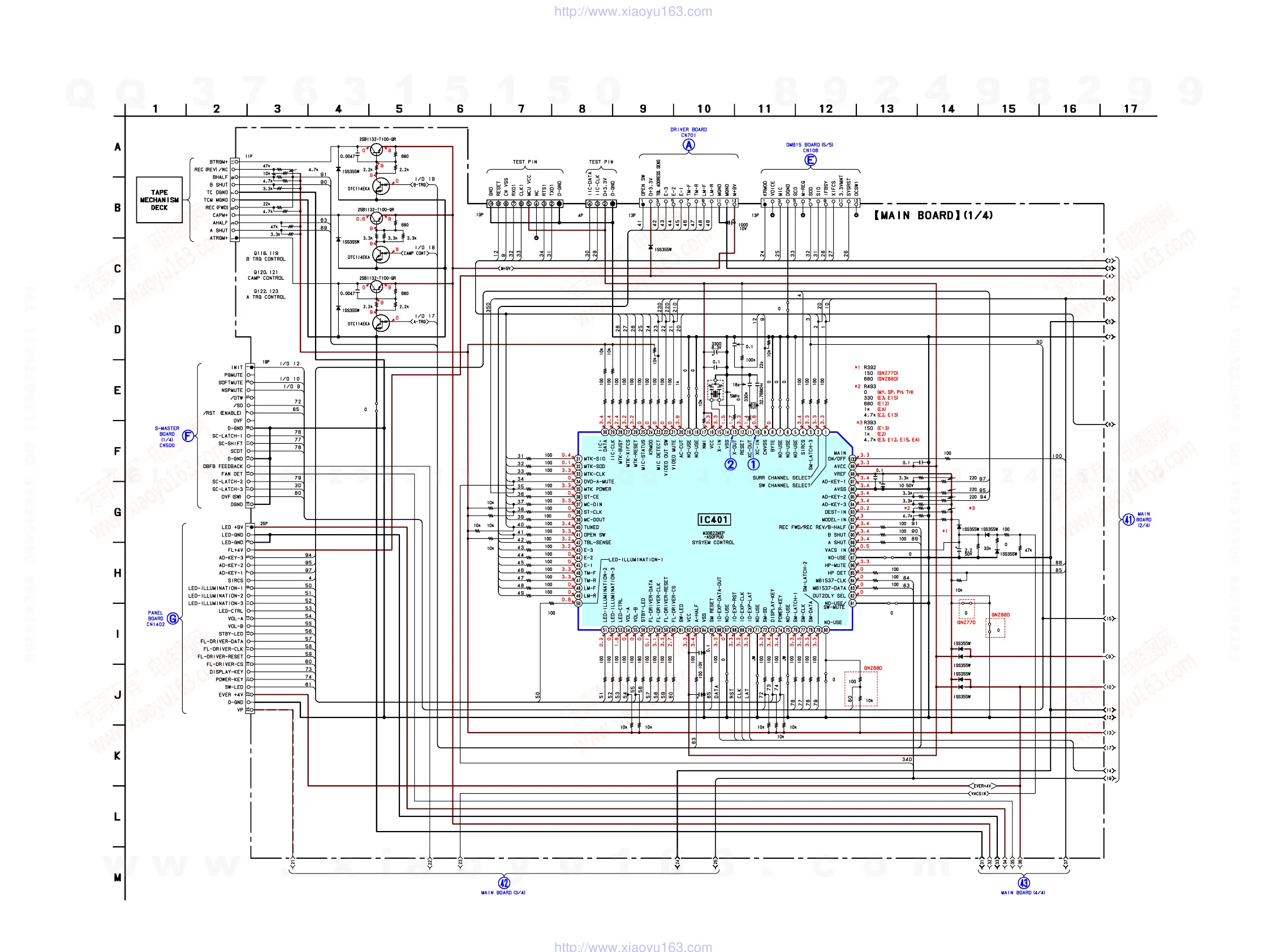
• Refer to page 33 for Waveforms.
6-16. SCHEMATIC DIAGRAM — MAIN SECTION (1/4) — • Refer to page 75 for IC Pin Description of IC401.
NO401
R449
R448
R447
R446
R445
R444
R443
R442
R441
R439
R440
R438
R437
R436
R435
R433
R432
R431
R417
R411
D395
D396
R131
R130
R115
R120
R121
Q122
R197
Q118
R181
Q119
Q120
R178
R179
D101
D102
D104
R180
R490
R489
R128
R104
R107
R129
R484
R483
R485
D231
D232
R225
R227
R231
R230D230
C235
R450
R497
R397
R495
R494
R395
R394
D393
D394
R491
JR381
C504
TP413
R186
Q123
R182
Q121
R196
R183R184
C230
TP401
D506
TP402
TP404
R281
R381
CN402
CN201
CN101 C144
C145
C414CN105
CN405
R337
R338
R341
R340
C499
R492
JR487
C498
C496
R451
R452
R453
R454
R456
R457
R458
R459
R460
R465
R472
R473
R474
R476
R477
R478
R479
R455
R463
C462
C464
JR467
R380
JR480
R372R354 R355
JR318
R323
R330
R329
R430
R429
R428
R427
R426
R425
R424
R423
R422
R421
R420
C410
R413
R309
R404
R403
R402
R401
R412
C412
X401
CN301
R385
X402
JW135
R500
R493
R393
R392
IC401
R480
JW475
R374
R373
JW471
C411
JR419
JR407
JR406
JR405
C416
(Page 42)
(Page 35)
(Page 50)
(Page 58)
(Page 46) (Page 47)
(Page 45)
w
w
w
.
x
i
a
o
y
u
1
6
3
.
c
o
m
Q
Q
3
7
6
3
1
5
1
5
0
9
9
2
8
9
4
2
9
8
T
E
L
1
3
9
4
2
2
9
6
5
1
3
9
9
2
8
9
4
2
9
8
0
5
1
5
1
3
6
7
3
Q
Q
TEL 13942296513 QQ 376315150 892498299
TEL 13942296513 QQ 376315150 892498299
http://www.xiaoyu163.com
http://www.xiaoyu163.com

Related product manuals