EasyManua.ls Logo

Sony HCD-GNZ77D - Page 27

Sony HCD-GNZ77D
60 pages
Print Icon
To Next Page IconTo Next Page
To Next Page IconTo Next Page
To Previous Page IconTo Previous Page
To Previous Page IconTo Previous Page
Loading...
45 45
HCD-GNZ77D/GNZ88D
HCD-GNZ77D/GNZ88D
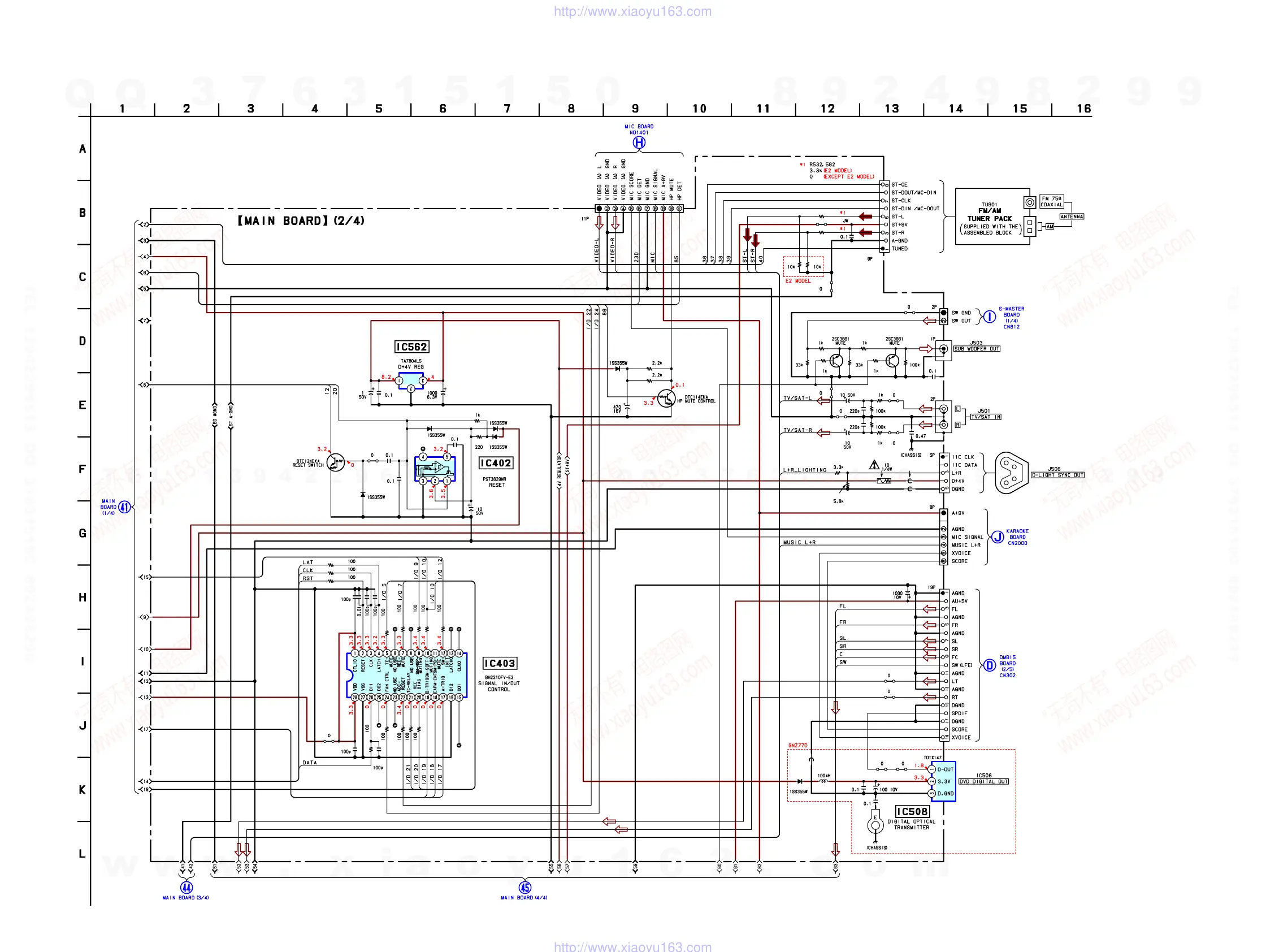
6-17. SCHEMATIC DIAGRAM — MAIN SECTION (2/4) — • Refer to page 78 for IC Pin Description of IC403.
D216
C215
R214
D213
C234
JR530
JW197
IC562
C568
JR228
R575
R525
R574
R524
C570
R506
R508
R486
D486
R488
D215
R216
D214
TP201
D505
TP223
TP213
TP214
TP215
TP225
C566
TP206
FB505
FB555
J503
C486
TP208
C228
C226
C201
C213
C214
C567
NO503
C501
C521
C571
J506
JR125
FB516
JR175
R509
J501
JR550
C529
JW521
JR522
C532
CN521
C204
C203
C202
R212
R205
R207
R209
R210
R203
R202
R204
R220
R221
R222
R224
R226
C216
R215
IC402
CN406
IC508
Q486
Q213
C502
JW390
IC403
FB513
FB514
FB515
B502
CN205
R532
R582
R581R531
C539
L505
R549
R550 R545R548
R547
R544
R546
C520
Q263
C531
Q264
CN403
(Page 44)
(Page 46) (Page 47)
(Page 62)
(Page 39)
(Page 50)
(Page 60)
w
w
w
.
x
i
a
o
y
u
1
6
3
.
c
o
m
Q
Q
3
7
6
3
1
5
1
5
0
9
9
2
8
9
4
2
9
8
T
E
L
1
3
9
4
2
2
9
6
5
1
3
9
9
2
8
9
4
2
9
8
0
5
1
5
1
3
6
7
3
Q
Q
TEL 13942296513 QQ 376315150 892498299
TEL 13942296513 QQ 376315150 892498299
http://www.xiaoyu163.com
http://www.xiaoyu163.com

Related product manuals