EasyManua.ls Logo

Sony HCD-GR5 - IC Block Diagrams

Sony HCD-GR5
66 pages
Print Icon
To Next Page IconTo Next Page
To Next Page IconTo Next Page
To Previous Page IconTo Previous Page
To Previous Page IconTo Previous Page
Loading...
— 65 —
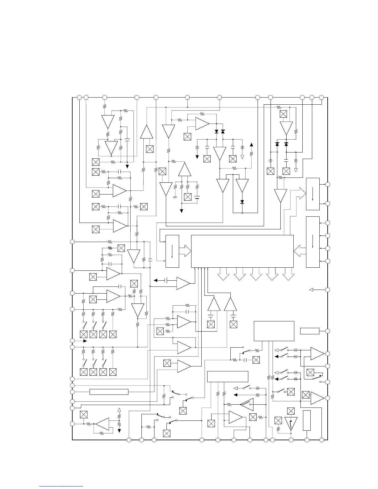
6-15. IC BLOCK DIAGRAMS
36
PHD2
PHD1
PHD
33
LD
32
RF M
31
RF O
30
RF I
29
CP
28
CB
27
CC1
26
CC2
25
FOK
24 SENS
23 C. OUT
22 XRST
21 DATA
20 XLT
19 CLK
18 VCC
17 ISET
16 SL 0
15 SL M
14 SL P
13
12
TA O
TA M
11
FSET
10
TG2
9
TGU
8
SRCH
7
FE M
6
FE O
5
FLB
4
FGD
3
FDFCT
2
FEI
1
FEO
48VC
47TDFCT
46TZC
45ATSC
44TEI
43LPFI
42TEO
41VEE
40EI
39E
38F
37FE BIAS
+
+
+
+
+
+
+
+
+
+
+
+
+
+
+
+
+
+
+
+
+
+
+
+
+
+
+
APC
LEVELS
FOK
MIRR
DFCT
RF IV AMP2
RF IV AMP1
FE AMP
F IV AMP
E IV AMP
TE AMP
FZC COMP
BAL1
BAL2
BAL3
TOG1
TOG2
TOG3
TTL
IIL
IIL
TTL
TTL
IIL
• IIL DATA RESISTOR • INPUT SHIFT RESISTOR
• ADDRESS DECODER
• OUTPUT DECODER
HPF COMP LPF COMP
TZC COMP
DFCT
DFCT
TM1
FS4
ATSC
• WINDOW COMP
• FCS PHASE
COMPENSATION
• TRACKING
• PHASE
COMPENSATION
• ISET
FS1
FS2
TM4
TM5
TM6
TM3
TM7
TG2
• F SET
TG1
TM2
+
TOG1-3 FS1-4 TG1-2 TM1-7 PS1-4
BAL1-3
35 34
- BD BOARD Section -
IC101 CXA1782BQ

Related product manuals