EasyManua.ls Logo

Sony HCD-H11 - TC Mechanism Section-2

Sony HCD-H11
53 pages
Print Icon
To Next Page IconTo Next Page
To Next Page IconTo Next Page
To Previous Page IconTo Previous Page
To Previous Page IconTo Previous Page
Loading...
– 64 –
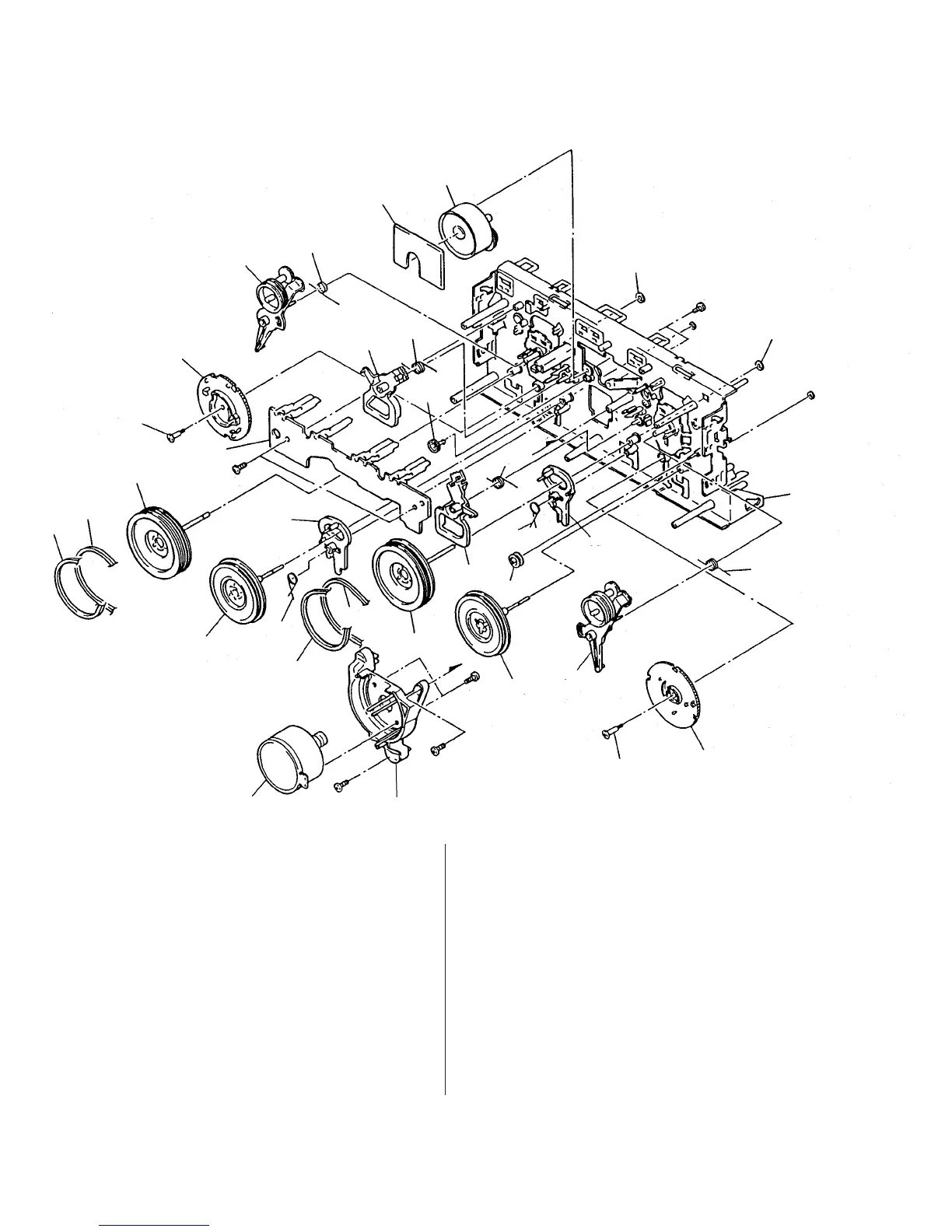
7-4. TC MECHANISM SECTION-2
201 3-908-597-01 CAM (A)
202 3-908-608-11 SCREW, STEP
203 X-3367-590-2 ARM (A) ASSY, FR
204 X-3370-169-1 FLYWHEEL (AR) ASSY
205 3-928-047-01 PULLEY, TENSION
206 3-908-599-01 LEVER (REV-A)
207 3-908-601-01 SPRING (REV LEVER), TORSION
208 3-908-603-01 LEVER (TRIGGER A)
209 X-3367-593-1 FLYWHEEL (BF) ASSY
210 3-908-605-01 SPRING (TRIGGER), TORSION
211 3-908-609-01 GEAR, TRIGGER
212 3-913-845-11 BELT (A)
213 3-913-846-11 BELT (FR)
214 X-3370-171-1 FLYWHEEL (BR) ASSY
215 3-908-600-01 LEVER (REV-B)
* 216 1-650-669-11 LEAF SWITCH BOARD
217 3-908-598-01 CAM (B)
218 X-3369-849-2 ARM (B) ASSY, FR
219 3-914-111-01 SPRING (FR), TORSION
220 3-908-604-01 LEVER (TRIGGER B)
221 3-911-115-01 WASHER, STOPPER
222 X-3371-441-1 CHASSIS ASSY
224 3-917-176-11 BELT (B)
225 X-3370-172-1 FLYWHEEL (AF) ASSY
M1 A-2004-409-A MOTOR ASSY, CAPSTAN (CAPSTAN)
M2 A-2004-410-A MOTOR ASSY, DC (TRIGGER)
Ref. No. Part No. Description Remark Ref. No. Part No. Description Remark
––––––– ––––––– –––––––––– ––––––– ––––––– ––––––– –––––––––– ––––––
218
219
217
202
209
213
224
216
214
207
215
213
212
225
204
203
202
201
219
222
221
221
210
220
211
210
207
206
205
208
#14
#11
#14
#10
#10
#9
M1
not supplied
M2
p
F
#8

Related product manuals