EasyManua.ls Logo

Sony HCD-RV55 - Panel Section Schematic Diagram (1;2)

Sony HCD-RV55
86 pages
Print Icon
To Next Page IconTo Next Page
To Next Page IconTo Next Page
To Previous Page IconTo Previous Page
To Previous Page IconTo Previous Page
Loading...
4040
HCD-RV22/RV55
HCD-RV22/RV55
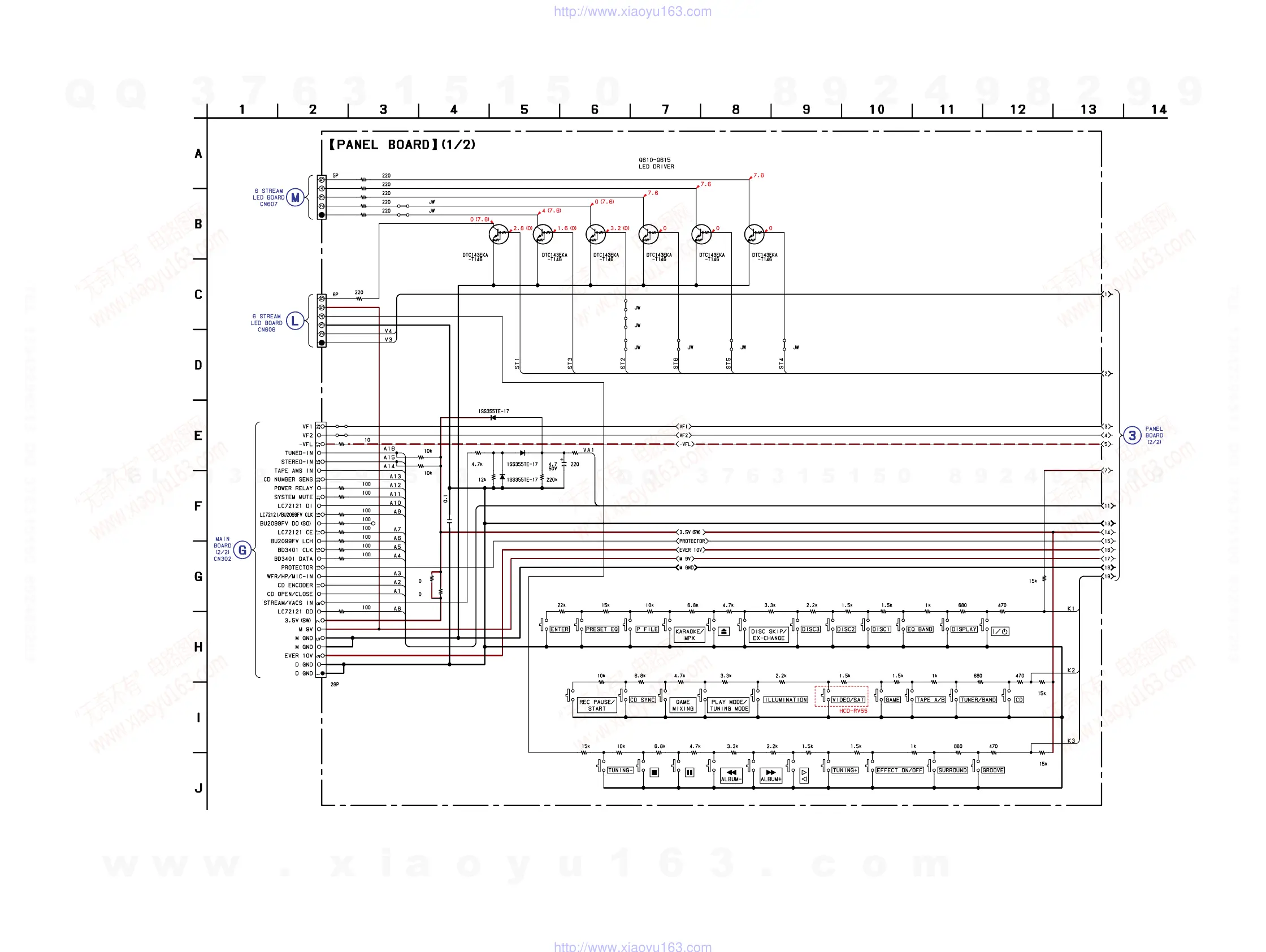
6-15. SCHEMATIC DIAGRAM — PANEL SECTION (1/2) —
R635
R691
R692
R693
R694
R695
R696
R697
Q610
CN604
R690
C655
R720 R671R721R722
R659R660R661R662 R658 R657 R656 R655 R654 R653
R675
R676
R664R665R666R667R668R669R670
R663 R652 R651 R650 R649 R648 R647 R646 R645 R644 R643 R642
R674
S601S602S603S604S605S606S607S608S610S611S612
S630 S629 S628 S627 S624 S623 S622 S621
S641S642S643S644S645S646S647S649 S648S650
S626
CN601
D604
D603 R641
C605
R640
R639
D605
R704
R706
R708
R700
R702
JW660
JW659
CN605
Q612 Q611 Q614 Q615 Q613
JW601
JW602
R629
R698
JW674
JW718
JW705 JW655 JW656 JW658
S625
R854
R628
R627
JR622
JR623
S609
(Page 43)
(Page 43)
(Page 37)
(Page 41)
w
w
w
.
x
i
a
o
y
u
1
6
3
.
c
o
m
Q
Q
3
7
6
3
1
5
1
5
0
9
9
2
8
9
4
2
9
8
T
E
L
1
3
9
4
2
2
9
6
5
1
3
9
9
2
8
9
4
2
9
8
0
5
1
5
1
3
6
7
3
Q
Q
TEL 13942296513 QQ 376315150 892498299
TEL 13942296513 QQ 376315150 892498299
http://www.xiaoyu163.com
http://www.xiaoyu163.com

Table of Contents