EasyManua.ls Logo

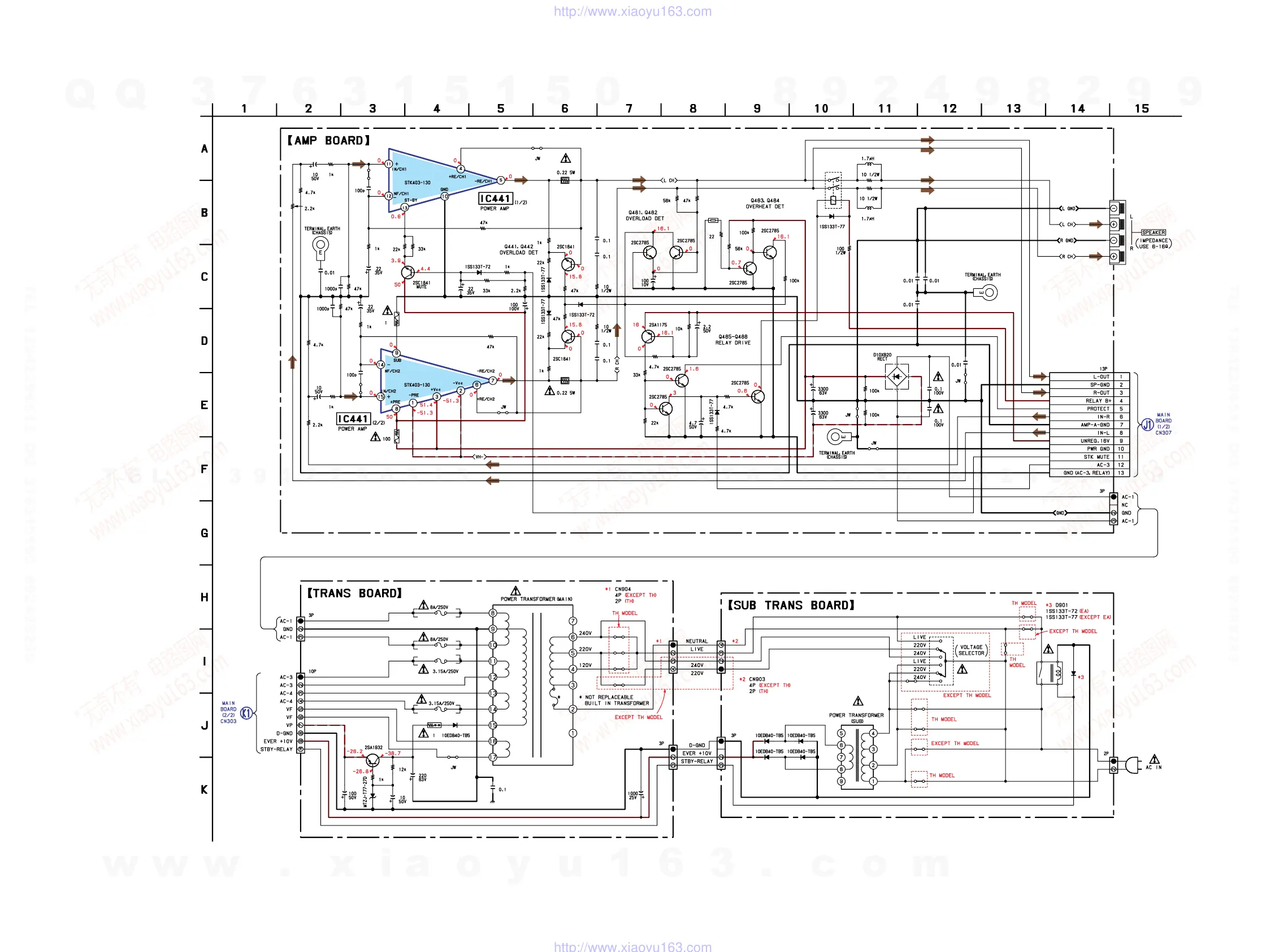
Sony HCD-RV55 - Power Section (RV22) Schematic Diagram

Sony HCD-RV55
86 pages
Print Icon
To Next Page IconTo Next Page
To Next Page IconTo Next Page
To Previous Page IconTo Previous Page
To Previous Page IconTo Previous Page
Loading...
4646
HCD-RV22/RV55
HCD-RV22/RV55
6-21. SCHEMATIC DIAGRAM — POWER SECTION (HCD-RV22) —
C404
FH910 FH909
FH911
FH912
FH913
FH914
FH907FH908
C441
C442
C908
Q441
Q442
Q483
Q484
Q485
Q486
Q487
R441
R442
R446
R457
R458
R459
R460
D483
JW917
JW401
JW402
JW403
JW404
C447
C448
CN905
CN907
C910
R904
R903
C909
Q902
C906
CN902
CN906
C911
RY901
R491
R467
C443
C492
R495
C444
C488
R496
C452
C489
R494
C454
R492
C451
C453
R488
R487
R490
R481
R908
CN901
R455
R456
R493
R445
R454
D481
R453
C481
Q482
Q481
R466 R465
R485
R482
C486
C487
R489
R407
R401
R462
R461
L442
L441
JW407
R402
C403
C408 C407
C411
C402
CN441
CN442
JW907
JW908
JW912
JW909
JW902
JW901
JW910
JW925
JW903
JW904
JW905
JW906
TH441
R483
R447
R448
C446
R444
R412
JW442
R411
JW441
C445
R443
EP491
EP401
EP402
RY441
R486
Q489
R484
JK441
C405
C406
IC441(2/2)
PT901
CN904 CN903
PT902
S901
R413
R451
R414
R452
D401
F904
F905
F906
F907
IC441(1/2)
D441
D442
D482
Q488
D443
D906
D908 D903 D902
D905 D904
D901
(Page 37)
(Page 36)
w
w
w
.
x
i
a
o
y
u
1
6
3
.
c
o
m
Q
Q
3
7
6
3
1
5
1
5
0
9
9
2
8
9
4
2
9
8
T
E
L
1
3
9
4
2
2
9
6
5
1
3
9
9
2
8
9
4
2
9
8
0
5
1
5
1
3
6
7
3
Q
Q
TEL 13942296513 QQ 376315150 892498299
TEL 13942296513 QQ 376315150 892498299
http://www.xiaoyu163.com
http://www.xiaoyu163.com

Table of Contents