EasyManua.ls Logo

Sony HCD-S550 - Mechanism Deck Section-2 (CDM72 A-DVBU12)

Sony HCD-S550
138 pages
Print Icon
To Next Page IconTo Next Page
To Next Page IconTo Next Page
To Previous Page IconTo Previous Page
To Previous Page IconTo Previous Page
Loading...
110
HCD-S550/S880
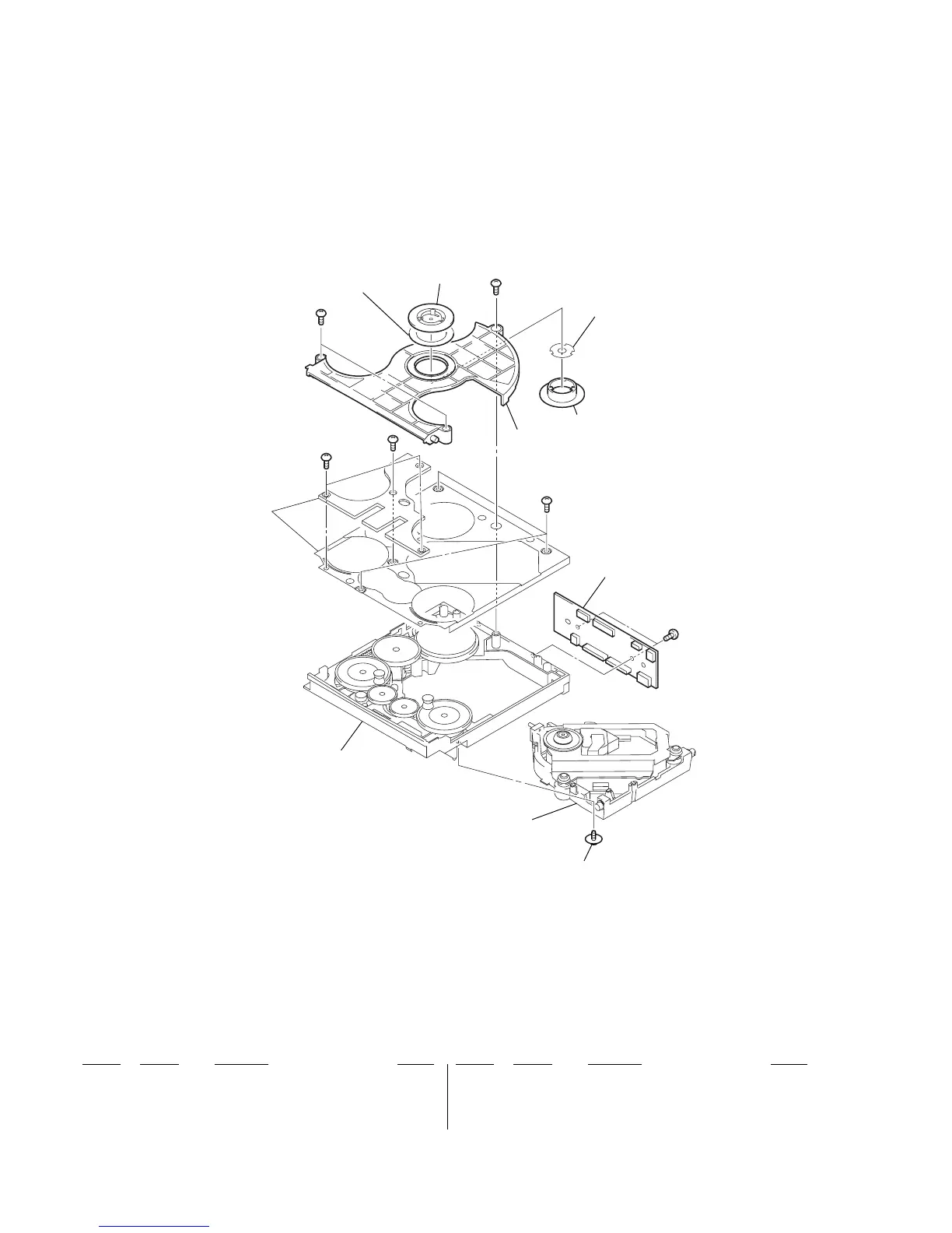
8-9. MECHANISM DECK SECTION-2
(CDM72A-DVBU12)
Ref. No. Part No. Description Remark
Ref. No. Part No. Description Remark
401 4-240-212-01 COVER (AT-DV)
402 4-240-211-01 PULLEY (AT-DV)
403 X-4954-988-1 HOLDER (AT) ASSY
404 A-4676-588-A RELAY BOARD, COMPLETE
405 4-985-672-01 SCREW (+PTPWHM2.6), FLOATING
406 4-238-194-01 SHEET (PULLEY DV)
#4 7-685-533-19 SCREW +BTP 2.6X6 TYPE2 N-S
#5 7-685-534-19 SCREW +BTP 2.6X8 TYPE2 N-S
401
402
403
404
405
mechanism deck section-3
optical pick-up section
#4
#4
#4
#4
#5
#5
not supplied
not supplied
406
Ver 1.5

Table of Contents

Related product manuals