EasyManua.ls Logo

Sony HCD-S550 - Block Diagram - MECHANISM DECK, POWER SUPPLY Section

Sony HCD-S550
138 pages
Print Icon
To Next Page IconTo Next Page
To Next Page IconTo Next Page
To Previous Page IconTo Previous Page
To Previous Page IconTo Previous Page
Loading...
HCD-S550/S880
3232
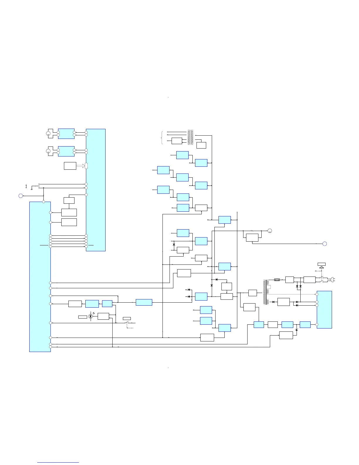
7-5. BLOCK DIAGRAM – MECHANISM DECK, POWER SUPPLY Section –
3
POWER CONTROL
IC901
D
(AC IN)
S901 (2/2)
FAN
S901 (1/2)
TH901
POWER
TRANSFORMER
T901
M301
(FAN)
D919 D920
D933
D912
VCC
D906
12V
D905, 907
RECT
D902
LINE FILTER
LF901, 902
ISOLATOR
PC901
OSC
Q912, 914
BUFFER
IC909
B+ SWITCH
Q001, 002
RESET SWITCH
Q901
VOLTAGE DETECT
IC904
AND GATE
IC905
4
VCC
1
OCP/SYNC
5
FB/OLP
RECT
D911
POWER
SWITCHING
IC902
+20V
REGULATOR
Q905
POWER ON/OFF
CONTROL
Q901, 903
POWER ON/OFF
CONTROL
Q902, 906
FAN MOTOR
CONTROL
Q190, 191
+6.8V
REGULATOR
Q904
+12V
REGULATOR
IC908
+10V
REGULATOR
IC601
+5V
REGULATOR
IC600
VOLTAGE
DETECT
Q992
+6.5V
REGULATOR
IC903
M12V
D203
U5V
S901 (1/2)
10V
D/A, A/D
+5V
LED DRIVE
Q911, 912
POWER ON/OFF
CONTROL
Q910, 911
B+ SWITCH
Q222, 223
TU 10V
+3.3V
REGULATOR
IC906
B+ SWITCH
Q990, 991
M
+6.5V
(AMP +6.5V)
+32V
(AMP +32V)
B+ SWITCH
Q003, 004
+5V
REGULATOR
IC004
+3.3V
REGULATOR
IC005
D5V
DA05V,
VIDEO +5V
DA03V
+5V
REGULATOR
IC003
+2.6V
REGULATOR
IC605
DSP +2.6V
FL
FL1
VFL
+3.3V
REGULATOR
IC001
A3.3V
+5V
REGULATOR
IC002
A5V, RF+5V
+5V
REGULATOR
IC302
+3.3V
REGULATOR
IC303
STREAM PROCESSOR
+5V
STREAM PROCESSOR
+3.3V
TO FLUORESCENT
INDICATOR TUBE
DC/DC
CONVERTER
T801
D3.3V
+1.8V
REGULATOR
IC006
+2.5V
REGULATOR
IC702
+2.5V
+1.8V
+5.6V
REGULATOR
IC905
SYSTEM
CONTROLLER
+5V
D901
D900
D917
RESET SIGNAL
GENERATOR
IC907
U5V
RECT
D806 – 809
OSC
Q803, 804
D900
66SP RELAY
50TU-ON
34RESET
72PARA-DATA
90STOP
91POWER-SW
89DVD-POWER
45ST-POWER
11P-PWM
S901 (2/2)
SYSTEM CONTROLLER
IC901 (3/3)
POWER
D812
STANDBY
P1
P0
OUT1 FIN
OUT2 RIN
LOADING MOTOR DRIVE
IC711
MECHANISM DECK
CONTROLLER
IC902
M711
(LOADING)
M
7
9
4
2
23
24
P3
P2
P10 – P13
OUT1 FIN
OUT2 RIN
EJECT MOTOR DRIVE
IC701
M751
(ELECT)
M
7
9
4
2
21
22
P15
P14
5
EJECT
INSERT
(MODE)
6
S711
(DISC IN/OUT)
DI1
26
67
81
PARA-DO2
SEN2
78OPT-SEN2
DO2
25
71PARA-CLK
CLK
3
69PARA-LT1
LAT
4
68PARA-RST
RESET
2
ROTARY
ENCODER
S741
7 – 10
DISC IN
X
(Page 30)
Y
(Page 30)
LED DRIVE
Q701
P2
20
DISC INSERT
DETECT SENSOR
IC731
79OPT-SEN
CHUCKING
DETECT SENSOR
IC721

Table of Contents

Related product manuals