EasyManua.ls Logo

Sony HCD-S550 - Page 82

Sony HCD-S550
138 pages
Print Icon
To Next Page IconTo Next Page
To Next Page IconTo Next Page
To Previous Page IconTo Previous Page
To Previous Page IconTo Previous Page
Loading...
82
HCD-S550/S880
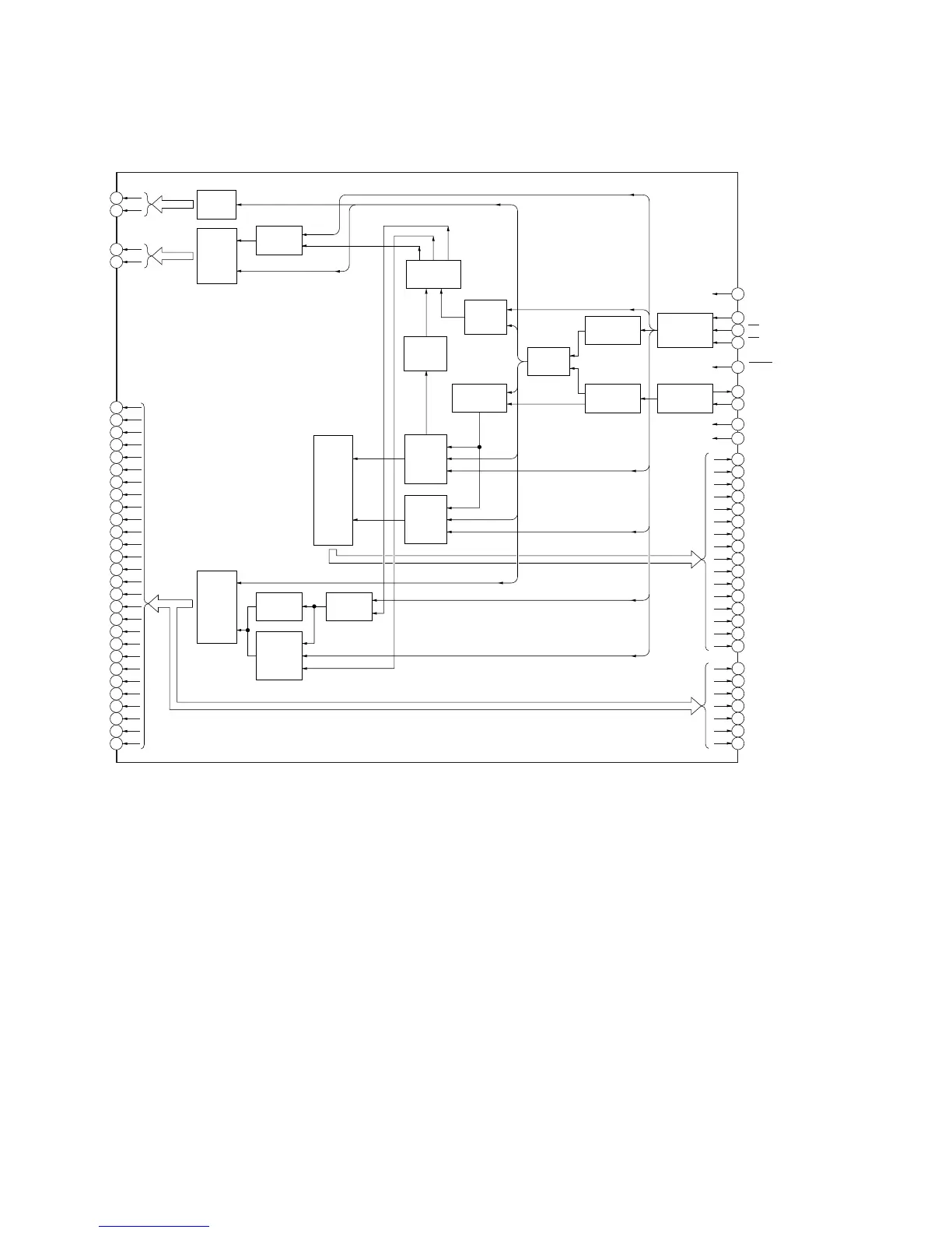
– FL Board –
IC802 MSM9202-05GS-KDR1
58
56
57
59
61
60
63
64
62
37
36
35
34
33
32
31
30
29
28
27
26
25
24
23
22
21
6
5
7
8
9
10
11
12
13
14
15
16
17
18
19
20
COMMAND
DECODER
CONTROL
CIRCUIT
GRID
DRIVER
TIMING
GENERATOR1
TIMING
GENERATOR2
8bit
SHIFT
REGISTER
WRITE
ADDRESS
COUNTER
OSCILLATOR
DUTY
CONTROL
DIGIT
CONTROL
ADDRESS
SELECTOR
ADRAM
2bit x 16
DCRAM
8bit x 16
CGROM
35bit x 248
CGRAM
35bit x 8
AD
DRIVER
SEGMENT
DRIVER
OSC0
VFL
GND
OSC1
CS
RESET
DA
VDD
CP
SEG1
SEG2
SEG3
SEG4
SEG5
SEG6
SEG7
SEG8
SEG9
SEG10
SEG11
SEG12
SEG13
SEG14
SEG15
SEG16
SEG17
SEG18
SEG35
SEG34
SEG33
SEG32
SEG31
SEG30
SEG29
SEG28
SEG27
SEG26
SEG25
SEG24
SEG23
SEG22
SEG21
SEG20
SEG19
4
3
AD2
AD1
2
1
P1
P2
39
38
PORT
DRIVER
COM15
COM16
COM13
COM14
COM11
COM12
COM9
COM10
COM7
COM8
COM5
COM6
COM3
COM4
COM1
COM2
READ
ADDRESS
COUNTER
53
54
55
51
52
49
50
47
48
45
46
43
44
41
42
40

Table of Contents

Related product manuals