EasyManua.ls Logo

Sony HCD-V515 - Printed Wiring Board - PANEL Section

Sony HCD-V515
29 pages
Print Icon
To Next Page IconTo Next Page
To Next Page IconTo Next Page
To Previous Page IconTo Previous Page
To Previous Page IconTo Previous Page
Loading...
HCD-V515
– 19 –
– 20 –
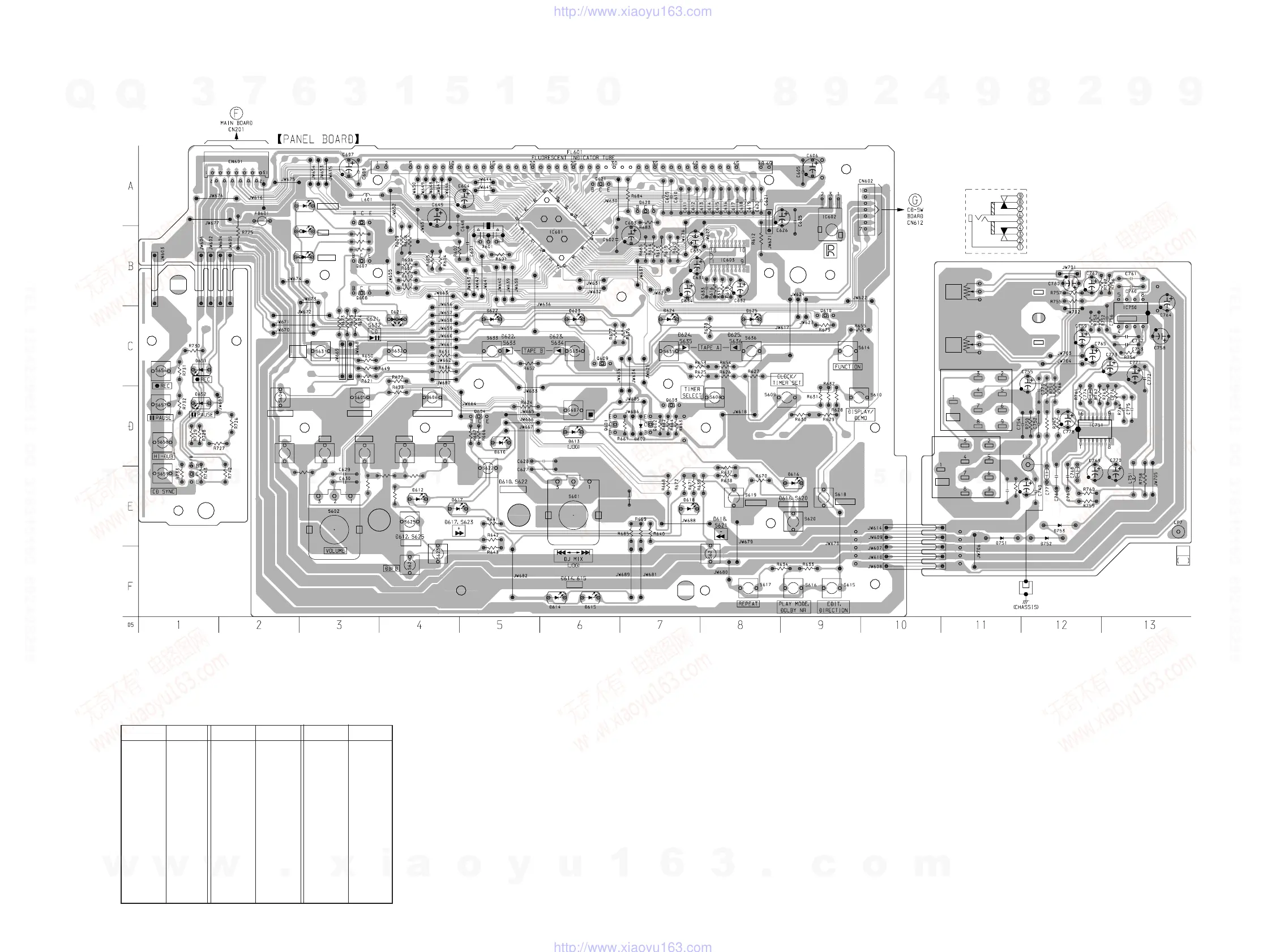
3-7. PRINTED WIRING BOARD – PANEL Section –
Ref. No. Location
Ref. No. Location
Semiconductor Location
D602 D-7
D610 D-5
D612 E-4
D613 D-6
D614 F-6
D615 F-6
D616 E-9
D617 E-4
D618 E-7
D621 C-4
D622 C-5
D623 C-6
D624 C-7
D625 C-8
D626 B-3
D627 B-3
D628 A-3
D651 C-1
D652 D-1
D751 E-11
D752 E-12
D753 E-12
IC601 B-6
IC602 A-9
IC603 B-8
IC750 C-13
IC751 D-12
Q601 D-6
Q602 D-7
Q603 D-7
Q604 D-5
Q607 B-3
Q608 B-3
Q609 C-6
Q610 C-9
Q611 A-3
Q618 E-1
Q620 A-7
Q621 A-6
Ref. No. Location
1-670-068-
11
J750, 751
R751
R750
ECHO
LEVEL
MIC
LEVEL
MIC 1
MIC 2
C750
R769
C751
R768
CD FLASH
CD NON-STOP
CD LOOP
C636
Q611
R680
R681
R682
NEXT
S630
PREV
S629
RETURN
S628
SELECT
S627
S626
ACTIVE
R645
R646
R648
R644
R647
VIDEO CD
PBC
PBC OFF
J751
J750
11
FILE SELECT
D628
D626
D627
TUNER
BAND
SURROUND
KARAOKE PON/MPX
ENTER/NEXT
GROOVE
DJ MIX
(Page 9)
(See page 66 on
HCD-V717
service manual)
w
w
w
.
x
i
a
o
y
u
1
6
3
.
c
o
m
Q
Q
3
7
6
3
1
5
1
5
0
9
9
2
8
9
4
2
9
8
T
E
L
1
3
9
4
2
2
9
6
5
1
3
9
9
2
8
9
4
2
9
8
0
5
1
5
1
3
6
7
3
Q
Q
TEL 13942296513 QQ 376315150 892498299
TEL 13942296513 QQ 376315150 892498299
http://www.xiaoyu163.com
http://www.xiaoyu163.com

Related product manuals