EasyManua.ls Logo

Sony HCD-V515 - Transformer Section Schematics

Sony HCD-V515
29 pages
Print Icon
To Next Page IconTo Next Page
To Next Page IconTo Next Page
To Previous Page IconTo Previous Page
To Previous Page IconTo Previous Page
Loading...
HCD-V515
11
1-670-069-
(EXCEPT TH, CH)
(TH, CH)
(EXCEPT TH, CH)
11
– 27 –
– 28 –
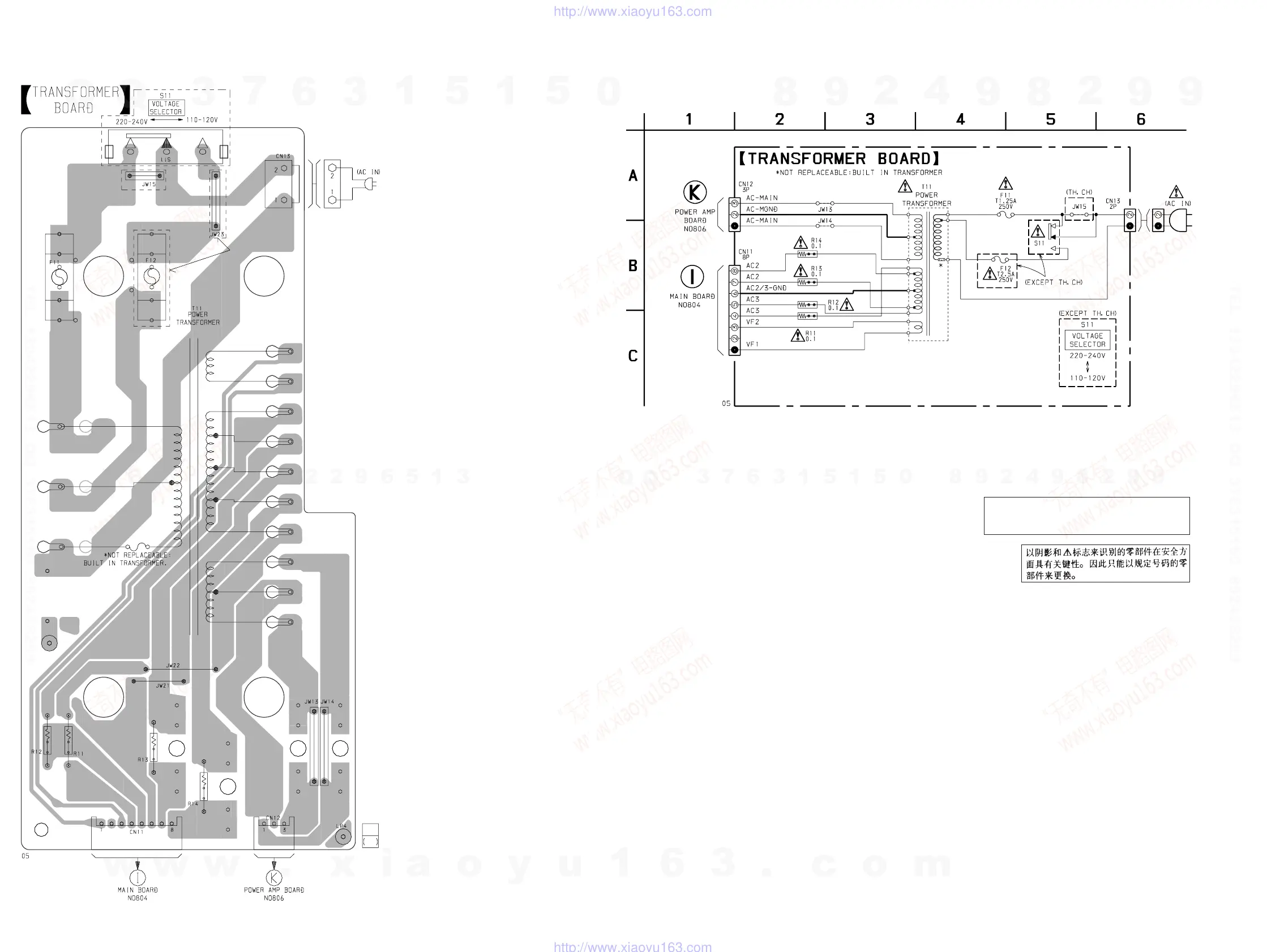
3-11. PRINTED WIRING BOARD – TRANSFORMER Section –
3-12. SCHEMATIC DIAGRAM – TRANSFORMER Section –
The components identified by mark ! or dotted
line with mark ! are critical for safety.
Replace only with part number specified.
(Page 24)(Page 9)
(Page 26)
(Page 18)
w
w
w
.
x
i
a
o
y
u
1
6
3
.
c
o
m
Q
Q
3
7
6
3
1
5
1
5
0
9
9
2
8
9
4
2
9
8
T
E
L
1
3
9
4
2
2
9
6
5
1
3
9
9
2
8
9
4
2
9
8
0
5
1
5
1
3
6
7
3
Q
Q
TEL 13942296513 QQ 376315150 892498299
TEL 13942296513 QQ 376315150 892498299
http://www.xiaoyu163.com
http://www.xiaoyu163.com

Related product manuals