EasyManua.ls Logo

Sony HDC-P43 - System Configuration

Sony HDC-P43
49 pages
Print Icon
To Next Page IconTo Next Page
To Next Page IconTo Next Page
To Previous Page IconTo Previous Page
To Previous Page IconTo Previous Page
Loading...
5
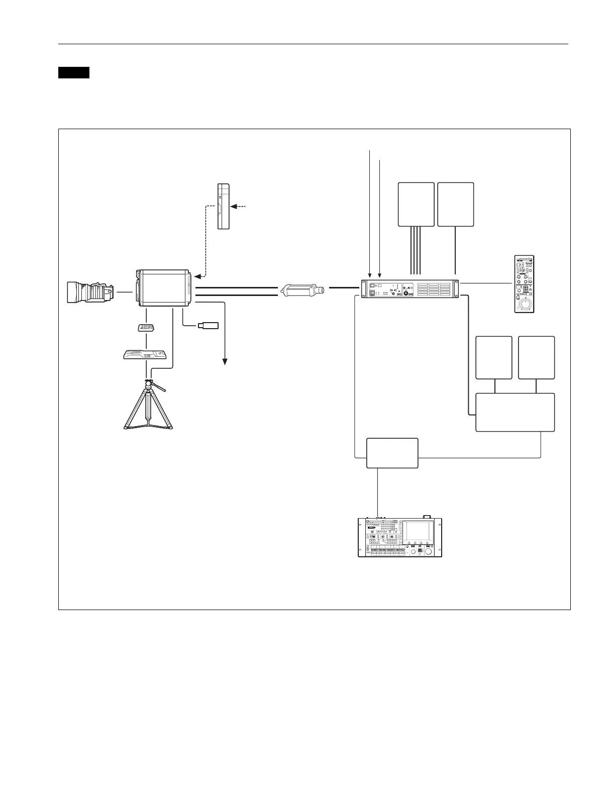
System Configuration
Production of some of the peripherals and related devices shown in the figures may have been discontinued.
For advice on choosing devices, please contact your Sony dealer or a Sony sales representative.
HDCU4300 connection example
Note
HDC-P43
Lens
(for ENG/EFP)
USB drive
VCT-14
Tripod Attachment
Tripod for portable
camera
AC-DN10
AC Adapter
AC power supply
a)
The transmission distance with a single-mode fiber cable (ST connector) and optical fiber cable is approximately 5 km (max.).
b)
The SZC-4002/4002M/4002W HFR software option must be installed for HFR (High Frame Rate) imaging at 4×/6×/8× speeds.
V shoe
Dual HD-SDI video outputs
Single-mode fiber
cable (ST
connector, 1 pair)
HKCU-SM100
CCU Extension
Adapter
a)
Optical fiber
cable
HDCU4300
Camera Control Unit
b)
BNC
MSU-1000 series
Master Setup Unit
RCP-1000 series
Remote Control Panel
Video
monitor
Waveform
monitor
Video router
CCA-5
LAN cable
Hub
BNC×4
2K video
monitor
BNC
4K video
monitor
LAN cable
Sync signal input
Return video input

Related product manuals