EasyManua.ls Logo

Sony HDC-P43 - Page 7

Sony HDC-P43
49 pages
Print Icon
To Next Page IconTo Next Page
To Next Page IconTo Next Page
To Previous Page IconTo Previous Page
To Previous Page IconTo Previous Page
Loading...
7
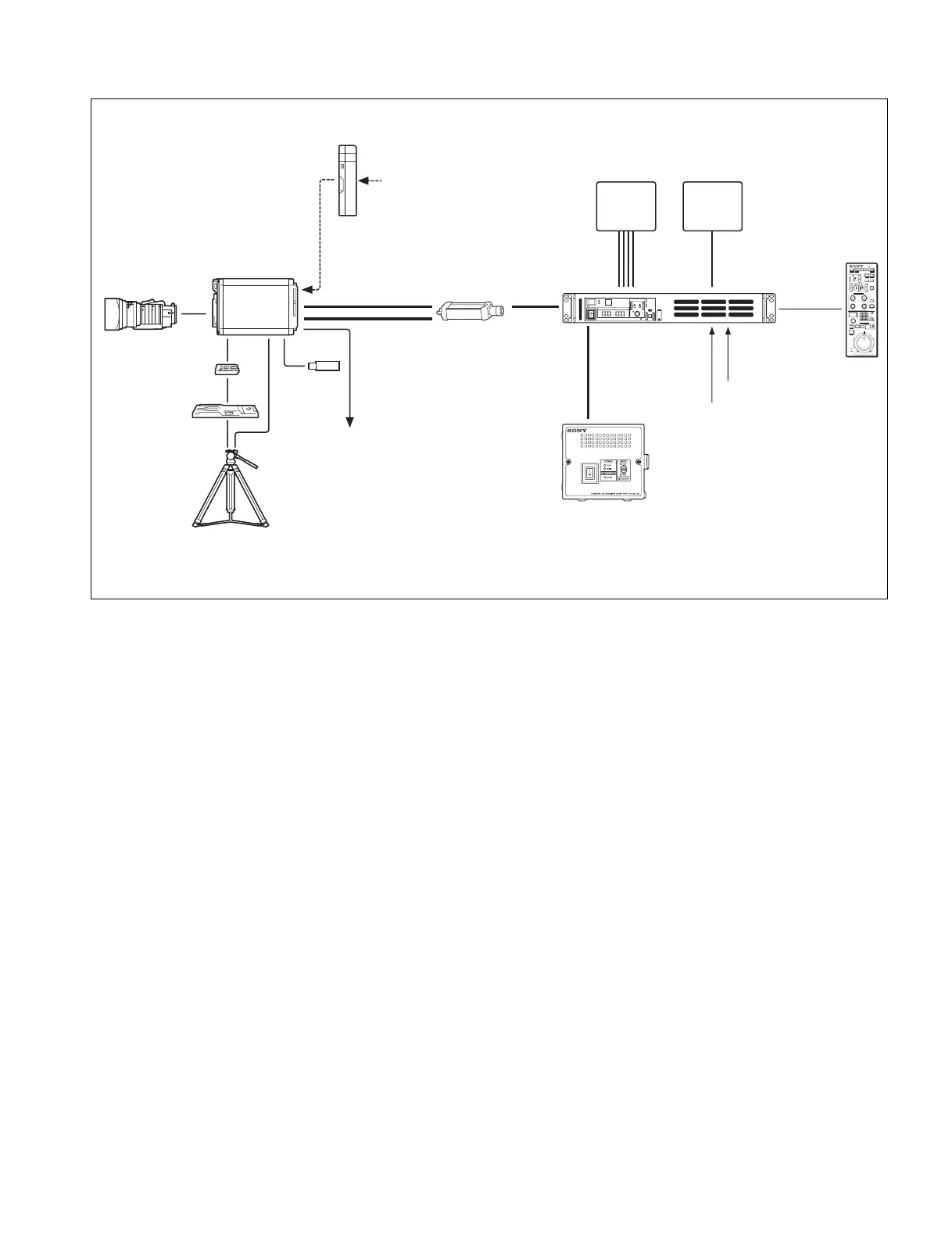
BPU4000/4500 connection example (extension mode)
HDC-P43
Lens
(for ENG/EFP)
USB
drive
VCT-14
Tripod Attachment
Tripod for portable
camera
AC-DN10
AC Adapter
AC power supply
a)
The transmission distance with a single-mode fiber cable (ST connector) and optical fiber cable is approximately 5 km (max.).
b)
The SZC-4002/4002M/4002W HFR software option must be installed for HFR (High Frame Rate) imaging at 4×/6×/8× speeds.
V shoe
Dual HD-SDI video outputs
Single-mode fiber
cable (ST
connector, 1 pair)
HKCU-SM100
CCU Extension
Adapter
a)
Optical fiber
cable
HDCE-100
Camera Extension
Adapter
Optical fiber
cable
BPU4000
Baseband Processor
Unit
b)
2K video
monitor
4K video
monitor
RCP-1000 series
Remote Control Panel
CCA-5
Sync signal input
Return video input
BNC×4
BNC

Related product manuals