EasyManua.ls Logo

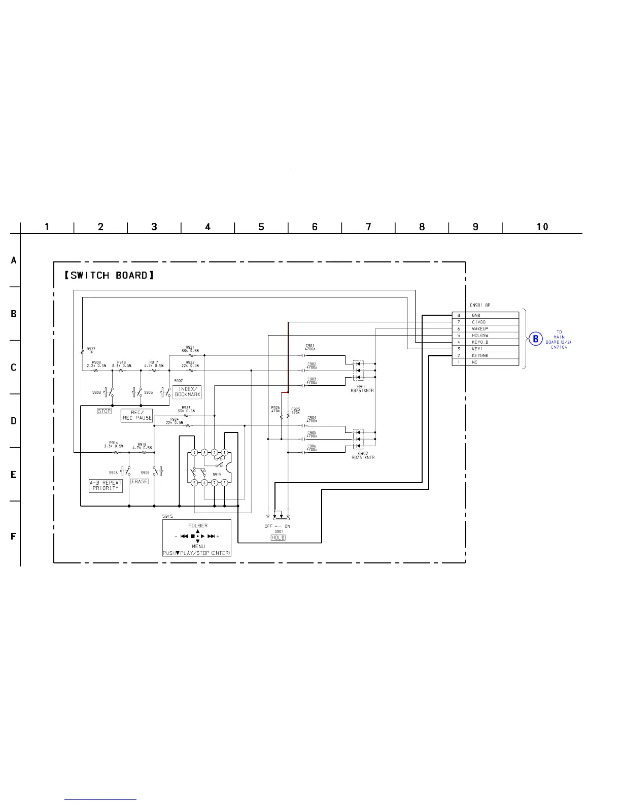
Sony ICD-MS525 - Schematic Diagram - SWITCH Board

Sony ICD-MS525
38 pages
Print Icon
To Next Page IconTo Next Page
To Next Page IconTo Next Page
To Previous Page IconTo Previous Page
To Previous Page IconTo Previous Page
Loading...
2222
ICD-MS525
4-9. Schematic Diagram – SWITCH Board –

Related product manuals