EasyManua.ls Logo

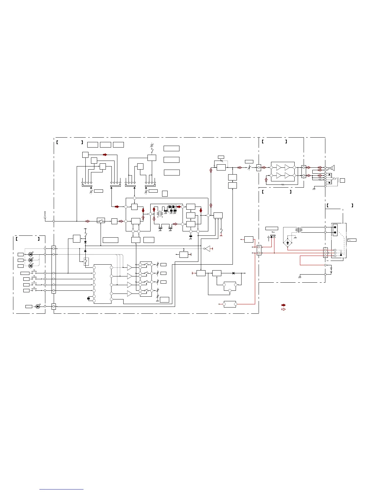
Sony ICF-1000L - Section 4 Diagrams; 4-1. Block Diagram

Sony ICF-1000L
19 pages
Print Icon
To Next Page IconTo Next Page
To Next Page IconTo Next Page
To Previous Page IconTo Previous Page
To Previous Page IconTo Previous Page
Loading...
– 9 – – 10 –
ICF-1000L
4-1. BLOCK DIAGRAM
SECTION 4
DIAGRAMS
MW
ANT
LW
ANT
SW
ANT
FM
MW
LW
SW
SW
LW
MW
FM
FM
MW
LW
SW
SW
LW
MW
FM
L2-1, CT1
L2-2, CT2
L3, CT3
SW
OSC
AM
FE
FM
SW
DET
FM
BPF
FM FE
FM
OSC
L5, CT5
MW/LW
OSC
CT4, L4
B+
CT6
S1-3
TUNING
CV1-1
TUNING
CV1-2
S1-5
S1-7
S1-4
S1-6
(LW)
AM
ANT
FM
ANT
FM IF
TUNING
METER
LPF
CONT
TONE
MUTE
MUTE
DRIVE
AM IF
DET/AGC
FM
RF
FM
OSC
D2, 3
L7,L8, L9,
CT7, CT8
BPF1
Q1
ANT1
FM/SW
TELESCOPIC
ANTENNA
6
11
13
15
24
10 8
CF2
10.7MHz
CF3
10.7MHz
CF5
CF1
455kHz
18
20
17
3
CF4
10.7MHz
Q6-8
Q502, 503
Q501
Q504
TONE
RV501
PON 3V
S1-1
(LW/SW)
RV502
VOLUME
IC1
FM/AM FRONT-END
IF, DET
PON 3V
S1-1
(FM)
Q9
Q202
D201
D6
KI/02 KI/06
KI/04
KI3
17 1
14
19
KI/05
20
KI/07
2
KI/01
16
IC201
KEY IN CONTROL
IC202
IC202
IC202
IC202
13
1 2
IC205
SWITCH
RV202
FM1
12
11 10
RV203
FM2
6
9 8
RV201
FM3
RV204
FM VT
VOLTAGE
5
3 4
RV205
(FM TUNING)
FM3
FM2
FM1
KI011
KI1
12
KI213
XIN
7
XOUT
8
CN201
POWER
CONT
POWER
CONT
ON/OFF
DRIVE
Q102, 103
PON 6V
3V
TU 6V
Q101
RIPPLE
FILTER
Q10
3 5
2
DC/DC
CONV
CONT
IC101
3 2
3V
REG
IC204
5 2
9
11
IC601
POWER AMP
VT
D301
TUNE
FM3
SW303
FM2
SW302
FM1
SW301
FM3
D303
FM2
D304
FM1
D302
MANUAL
SW304
FM1
FM2
FM3
KEY BOARD
MAIN BOARD
X201
3.68MHz
PON 6V
Q201
3V
Q203
PON 3V
EPJ401
SP1
SPEAKER
S401
D401-404
OPERATION
STANDBY ON
PON 6V
6V
D101
ACJ401
AC IN
T401
POWER
TRANSFORMER
POWER BOARD
AC IN BOARD
AMP BOARD
02
AM
OSC
T1
455kHz
5
7
9
11
2
1
14
13
CT4, L4
MW FREQUENCY
COVERAGE
CT1, L2-1
MW
TRACKING
T1
MW
IF
CT6
LW FREQUENCY
COVERAGE
CT2, L2-2
LW
TRACKING
CT5, L5
SW FREQUENCY
COVERAGE
CT3, L3
SW
TRACKING
CT8, L9
FM FREQUENCY
COVERAGE
CT7, L7, L8
FM
TRACKING
• Signal path
: MW
: FM
DRY BATTERY
SIZE "AA"
(IEC DESIGNATION R6)
4PCS, 6V
v
CN405
CN401
CN602
CN601

Related product manuals