EasyManua.ls Logo

Sony OA-D30V - Page 15

Sony OA-D30V
31 pages
Print Icon
To Next Page IconTo Next Page
To Next Page IconTo Next Page
To Previous Page IconTo Previous Page
To Previous Page IconTo Previous Page
Loading...
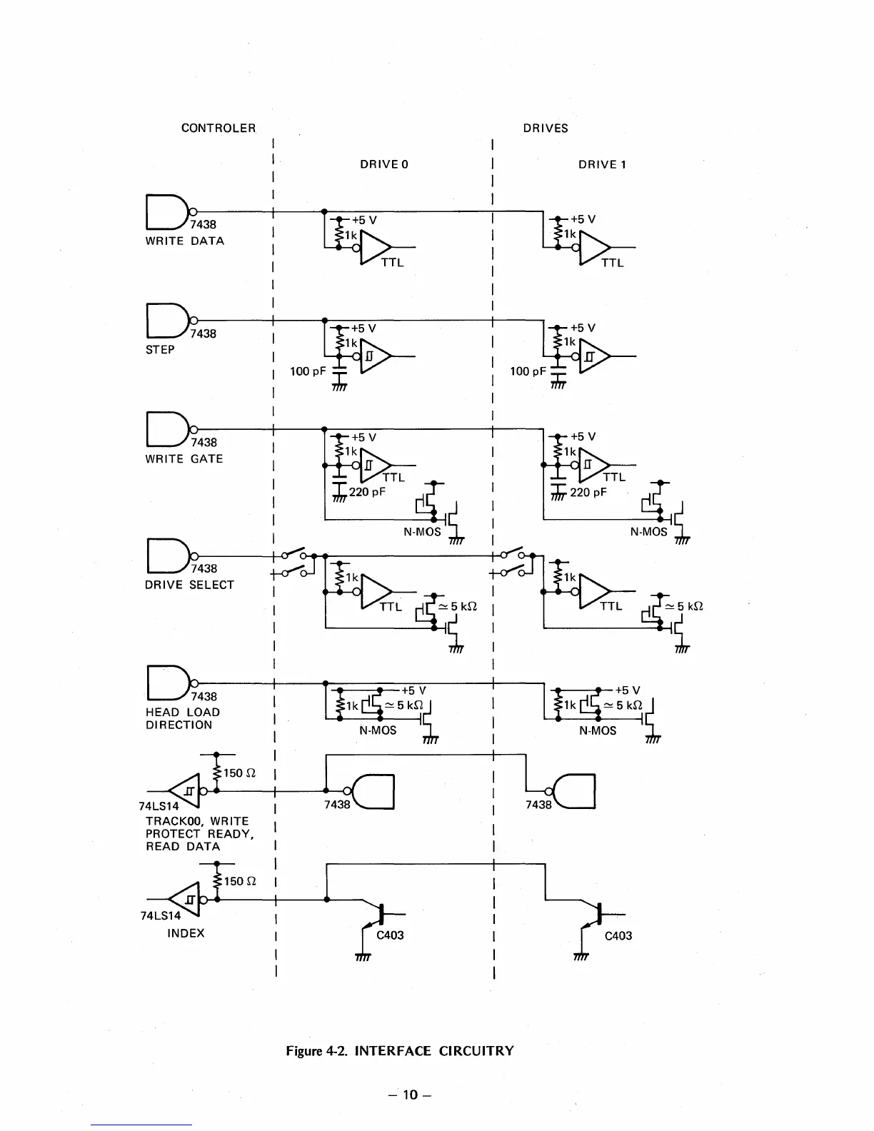
CONTROLER
DRIVES
DRIVE
0
DRIVE
1
WRITE
DATA
D4~38
~~-5V
-~~5V
STEP 1 k 1k
100 pF
J;.
If
100 pF
rliT
.IT
N-MOS
~
~~~--------------~
DRIVE
SELECT
N-MOS
~
~-~-~---~-~1~-1-1-k-~-~-;-~-~---~--~lfk~~~~
N-MOS
Jr
N-MOS
*'
4F~150Q~1
JI
7~
743~
bo
TRACKOO,
WR
ITE
PROTECT
READY,
READ
DATA
INDEX
Figure
4-2.
INTERFACE CIRCUITRY
-
10-

Table of Contents

Related product manuals