EasyManua.ls Logo

Sony RDR-VX535 - Page 13

Sony RDR-VX535
160 pages
Print Icon
To Next Page IconTo Next Page
To Next Page IconTo Next Page
To Previous Page IconTo Previous Page
To Previous Page IconTo Previous Page
Loading...
Hookups and Settings
13
US
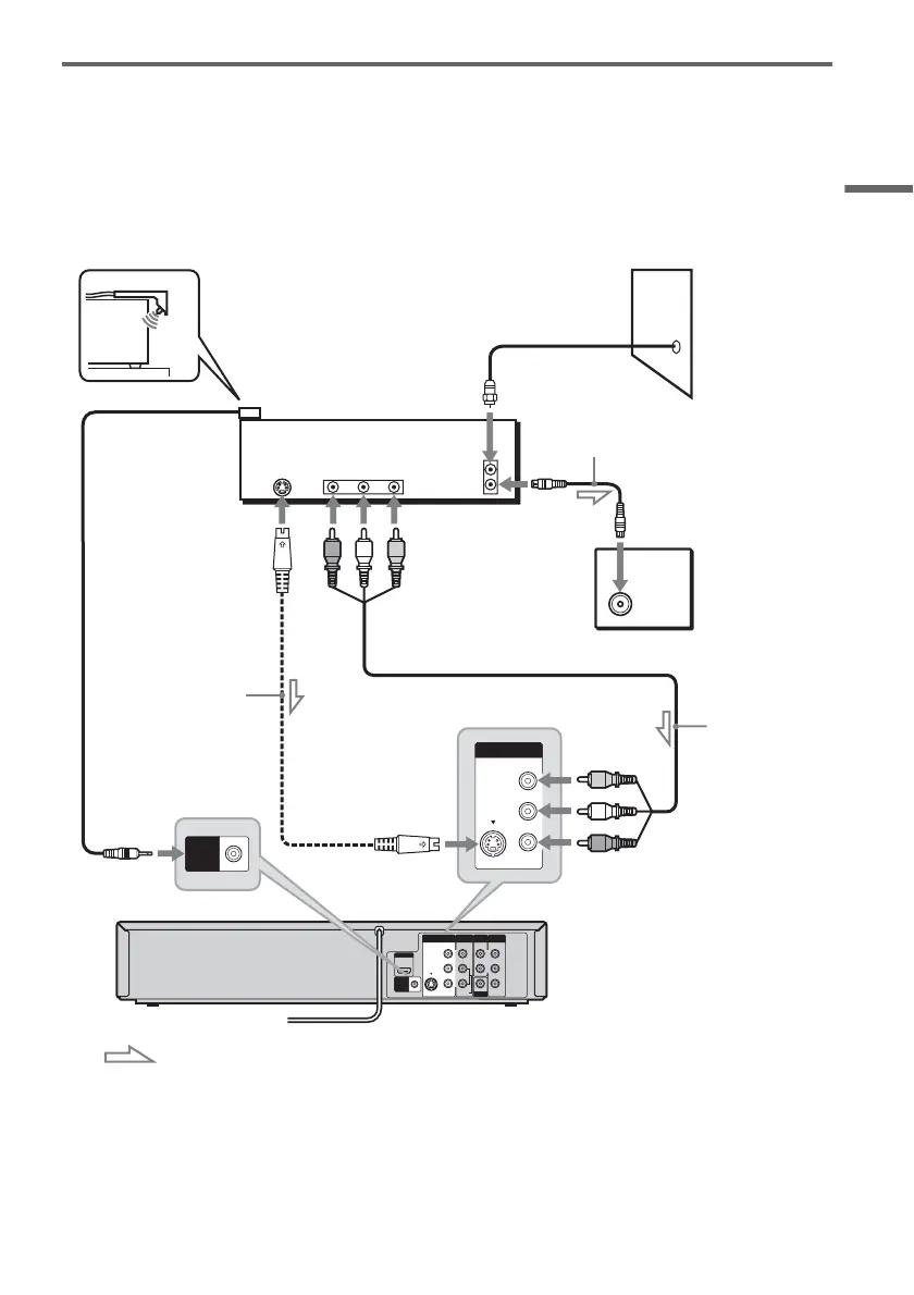
Connecting a cable box/satellite receiver and set top box controller
Connect the LINE 1 IN jacks using an audio/video cord.
With this hookup, you can record any channel on the cable box or satellite receiver. Be sure that the cable
box or satellite receiver is turned on. You need to connect to the LINE 1 IN (VIDEO/AUDIO) jacks for
the Synchro-Rec function (pages 54 and 80).
To record cable or satellite programs, you need to match the input source on the recorder (LINE1) to the
input jack connected to the cable box or satellite receiver (LINE 1 IN).
Place the set top box controller near the remote sensor on the cable box/satellite receiver.
To use an S video cord for enjoying higher quality images
Connect the LINE 1 IN S VIDEO jack using an S video cord (not supplied) instead of the yellow (video)
plug of the audio/video cord. Leave the audio plugs connected to the AUDIO L/R jacks. When using this
connection, be sure to set “Line1 Input” to “S-Video” in the “Video” setup (page 99).
You cannot use the Synchro-Rec function with this connection.
L
R
VIDEO
AUDIO
LINE OUT
VIDEO
Y
L
P
B
R
P
R
AUDIO
S VIDEO
LINE 1 IN
AUDIO OUT
COMPONENT
VIDEO OUT
DIGITAL
AUDIO OUT
COAXIAL
HDMI OUT
SET TOP
BOX
CONTROL
VIDEO
AUDIO
S VIDEO
LINE 1 IN
ANT IN
RL
AUDIO
OUT
S VIDEO
OUT
VIDEO
OUT
TO TV
SET TOP
BOX
CONTROL
Set top box
controller
(supplied)
Cable box/
satellite receiver
Antenna cable
(not supplied)
Wall
to antenna input
TV
Audio/video cord
(not supplied)
to SET TOP BOX
CONTROL
to LINE 1 IN
VCR-DVD recorder
: Signal flow
to LINE 1 IN S VIDEO
S video cord
(not supplied)
,continued

Table of Contents

Other manuals for Sony RDR-VX535

Related product manuals