EasyManua.ls Logo

Sony RM-E700 - Page 31

Sony RM-E700
86 pages
Print Icon
To Next Page IconTo Next Page
To Next Page IconTo Next Page
To Previous Page IconTo Previous Page
To Previous Page IconTo Previous Page
Loading...
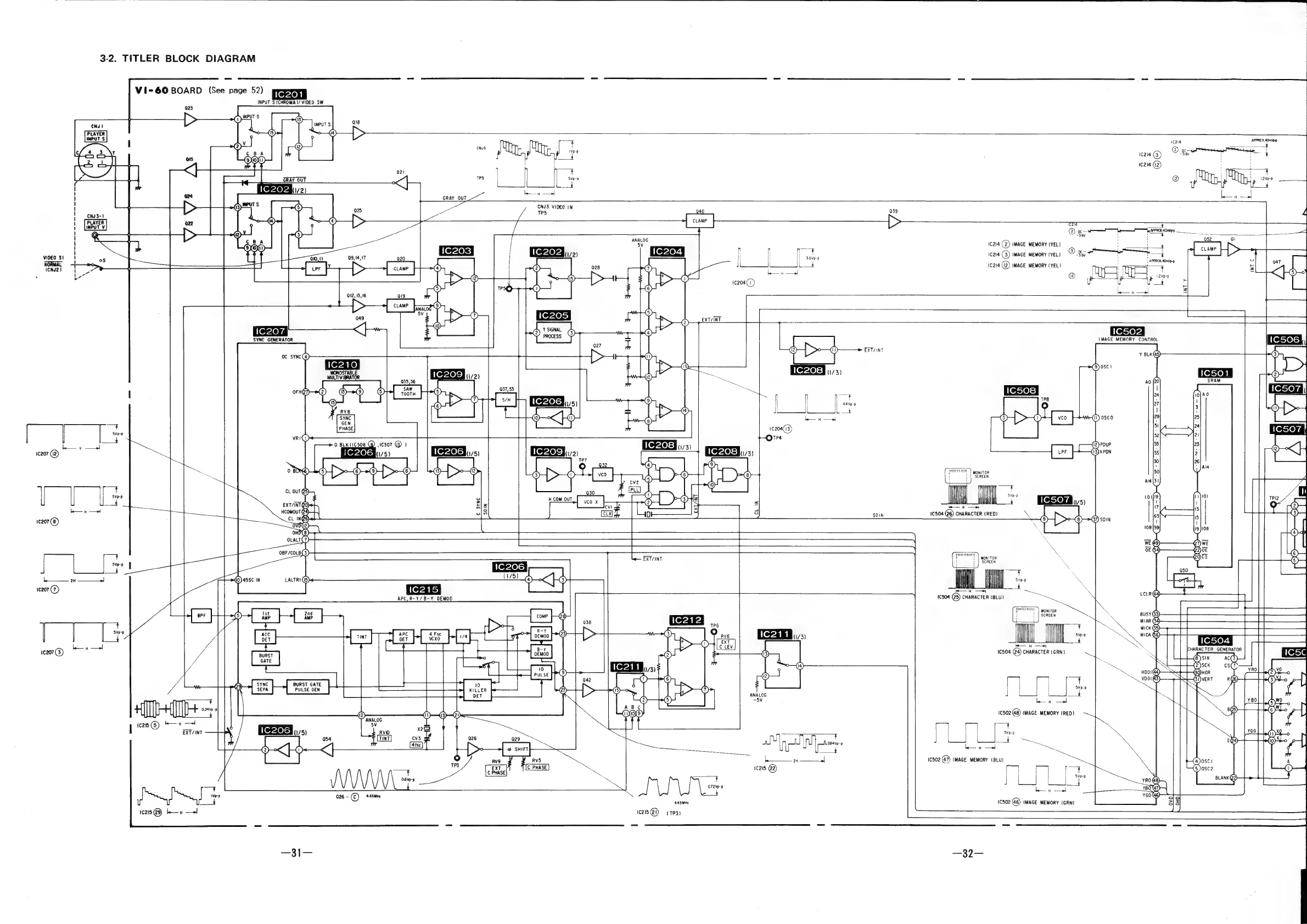
3-2.
TITLER
BLOCK
DIAGRAM
Vi-60
BOARD
(See
page
52)
SS
NS
SSS
|
INPUT
S{CHROMA)/
VIDEO
SW
023
©
<>
=
a
oe
(2)
(2)
chs
Ptr
1c2i4
(3)
©
xs
:
|
ot
<
C214
(12)
1
;
i a
Se
ae
|
aa
OuT
4s
8
oe
®
Ut,
ft,
——
W/2)
aaa
eer
ee
GRAY
OUT.
|
\
|
ez
one
VIDEO
IN
940
039
4
CNJ3-1
PLAYER
—_
!
a
aes
;
4
©
.
-36v
:
ey
ANALOG
1214
(2)
IMAGE
MEMORY
(YEL)
'
:
.
—e_
\
Sell
1C203
f
I
sc
icaia
(3)
mace
memory
ver)
©
%
:
VIDEO
SI
1
os
i
L
op
Hl
|
APPROX.
40mVp-p
nom!
:
|
4
1214
([2)
IMAGE
MEMORY
(YEL)
4
(CNU2)
!
oa
L2vp-p
a
-
INT
Y
SYNC
GENERATOR
IMAGE
MEMORY
CONTROL
EXT/INT
ic208
Fen
[
[
[+
fetes
[
7
[a
a
SVp-p
+-Orrs
ee
|
1¢207
(12)
erat
IC208
[ey
(D4
a
=
:
:
SCREEN
gi
|
a
ss
;
i
a
ee
7
ll
f
essteY@
(1/5)
le
—l
3
SOIN
1€504
(26)
CHARACTER
(RED)
bts
aia
1¢207
8)
o
es
aaa
oe
N
(7)
eee
\
MONITOR
\
‘SCREEN
\
\
\
|
i
|
iH
Sa
=|
1¢504
8)
CHARACTER
(BLU)
~
Soiree
Si
H
|
|
SCREEN
Y
ah
11C211
fey
i
i
iz
[bse
‘SVp-p
ot
be
2
———_l
1¢207
(7)
at
4
=
roy-sels)
©
(1/5)
be
4
—+l
\c207@)
4
o
|
1504
(24)
CHARACTER
(GRN)
5
(4)
(2)
=F
|
SVp-p
ANALOG
~5V
le
ol
1¢502@8)
IMAGE
MEMORY
(RED)
~
as
els
H
5Vp-p
EXT/INT
[cava
S
-aneee
Ocha
ey
al
ie?
Ay
ate.
dc
be
eee
ys
10502
@?)
IMAGE
MEMORY
(BLU)
1c2i5
@)
eat
|
!
SVprp
SUI:
Li
a
+
=o
=
=
rE
aa3Mi
1502
(46)
IMAGE
MEMORY
(GRN)
33
a
10215
3)
ben
—+
121s
@)
P53)
—31—
=o

Other manuals for Sony RM-E700

Related product manuals